Стержень 600НН (Ф-600) в диапазоне КВ
Н. КРУГЛОВ, Радио №9/1967, ст.26
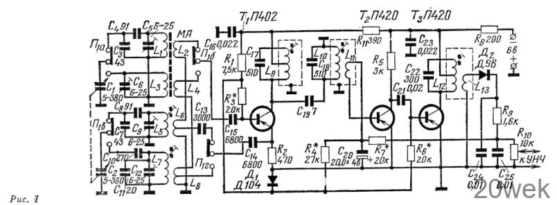
Обычно для магнитной антенны КВ диапазона применяют ферритовый стержень марки 100 ВЧ, который радиолюбителю достать трудно. Для этой цели можно с успехом использовать и ферритовый стержень марки 600НН (Ф-600). На рис. 1 приведена схема высокочастотной части супергетеродинного приемника, имеющего диапазон СВ (2004-560 м) и по л у растянутый КВ диапазон (404-51 м), входные цепи которого выполнены на стержне 600НН.Чувствительность такого приемника в диапазоне СВ 0,9 мв/м, а в диапазоне КВ —не хуже 0,6 мв/м. Избирательность по соседнему каналу порядка 18 дб.

Питание приемника осуществляется от четырех элементов типа «316». Стабилизация питания базовых цепей транзисторов позволяет сохранять работоспособность приемника при снижении напряжения источника питания до 2,1 в, поэтому для питания может быть применен любой источник напряжением 3,5—6 в.
Преобразователь частоты с совмещенным гетеродином собран на транзисторе Т1 типа П402. Напряжение сигнала и гетеродина подается в цепь базы Т1. Нагрузкой преобразовательного каскада является двухконтурный фильтр ПЧ. Первый каскад усилителя ПЧ выполнен по схеме апериодического усилителя на транзисторе Т2 типа П420, второй каскад (Т3—П420) — резонансный, нагруженный на контур L12С22 с полосой пропускания порядка 15 кгц. Стабилизация питания цепей баз всех транзисторов осуществляется с помощью диода Д1 типа Д104 и резистора R1, а детектирование — диодом Д2 (Д9В).
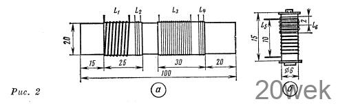
Входные катушки приемника намотаны на плоском ферритовом стержне марки 600НН размерами 100X20X3 мм. Размеры каркасов и их расположение на стержне показаны на рис. 2, а, а намоточные данные всех катушек приведены в таблице.

Катушки L5 и L6 гетеродинного контура КВ диапазона намотаны на унифицированном каркасе от сетевых приемников. Размеры каркаса и расположение катушек на нем приведены на рис. 2, б. В качестве подстроечного сердечника используется стандартный сердечник из феррита 600НН диаметром 2,8 мм. Катушкп Л7, Л8 гетеродинного контура СВ и катушки Л9—Ż/13 фильтров ПЧ намотаны на броневых сердечниках из феррита 600НН диаметром 8,3 мм. Все три катушки ФПЧ помещены в латунные экраны диаметром 13 мм.

Переключатель диапазонов П1— стандартный, применяемый в двухдиапазонных промышленных приемниках на транзисторах. Кондеисаторы переменной емкости C1 С2 и переменный резистор R10 с выключателем — фирмы «Тесла». В качестве С17 и С18 лучше применить конденсаторы типа KCO или ПМ-1. Транзистор может быть типа П402, П403, П416, П422, П423 с коэффициентом B=40—80, а Т2 и Т3—П401, П402, П420 —с B = 30—60.
Налаживание описываемой высокочастотной части приемника можно произвести с помощью тестера или, в крайнем случае, миллиамперметра, и сетевого приемника, имеющего индикатор настройки и диапазон КВ (40—55 м). Налаживание начинают с установки режимов транзисторов по постоянному току подбором сопротивления резисторов R3 (T1), R4(T2) и R6 (T3) в пределах 15-39 ком. При этом коллекторный ток Т1 устанавливают равным 0,9—1,2 ма, Т2— 0,7—0,9 ма и Т3—1,0—1,3 ма.
После налаживания усилителя ПЧ и сопряжения входного и гетеродинного контуров диапазона СВ, которые ничем не отличаются от налаживания любого другого супергетеродинного приемника, приступают к настройке КВ диапазона. Ее начинают с проверки работы гетеродина. Для этого эмиттер транзистора Т1 через конденсатор емкостью 10—30 пф соединяют с антенным гнездом сетевого приемника, переключатель диапазонов которого устанавливают в положение КВ (40—55 м). Вращая ручку настройки сетевого приемника, убеждаются в наличии генерации гетеродина настраиваемого приемника по всему диапазону. Если гетеродин работает нормально, то совпадение частот гетеродинного контура настраиваемого и входного контура контрольного приемников будет отмечаться индикатором настройки (сектор в «глазке» сузится). Если гетеродин настраиваемого приемника не работает, то необходимо увеличить емкость конденсатора С13 до 5100 пф или увеличить коллекторный ток T1 до 1,5—1,6 ма, либо подобрать число витков катушки L5. Синусоидальность формы генерируемого сигнала тоже можно контролировать по индикатору настройки. Большое число миганий «глазка» при перестройке входного контура контрольного приемника в пределах 0,05—0,1 Мгц и постоянном значении конденсатора настройки настраиваемого приемника будет свидетельствовать о значительном нарушении синусоидальности формы сигнала гетеродина. В этом случае емкость С13 нужно уменьшить до 1500—2000 пф, либо уменьшить число витков катушки Ь5.
Работоспособность гетеродина необходимо проверить как при нормальном напряжении источника питания, так и при пониженном против нормального в 1,5—1,7 раза.
Сопряжение входного и гетеродинного контуров КВ диапазона производят на частотах 7,3—7,4 Мгц и 5,9—6,0 Мгц. На более длинноволновом участке диапазона этого добиваются перемещением катушки вдоль ферритового стержня, на коротковолновом участке — подстройкой конденсатора С5. Частота настройки гетеродинного контура контролируется по шкале сетевого приемника. В первой стадии настройки коротковолнового диапазона лучше подсоединить к приемнику (к незаземленному концу через конденсатор в 20 пф наружную антенну (провод длиной 2—3 м).
В заключение следует отметить что ферритовый стержень 600НН (Ф-600) может быть применен и для диапазонов 25 и 31 м, но в связи с тем, что в этом случае добротность входного контура ухудшится, в схему приемника целесообразно ввести каскад усиления ВЧ.
