Стабилизатор напряжения на 8 в
Б. Хохлов, Радио №10/1964, ст.44
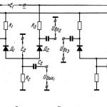
Стабилизатор, принципиальная схема которого приведена на рис. 1, позволяет получить любое нужное напряжение в пределах 8 в.



Транзистор Т2 служит регулятором напряжения. Напряжение смещения на его базу создается падением напряжения на транзисторе Тз. Величина этого напряжения определяется разностью потенциалов эмиттера и базы Тз и током, протекающим в его коллекторной цепи. Напряжение на его эмиттере стабилизировано кремниевым диодом Д2 и является опорным.
Прямая ветвь характеристики кремниевых диодов имеет ярко выраженный перегиб (рис. 2). Точка перегиба соответствует прямому напряжению от 0,5 до 2 в в зависимости от типа диода.
Такая особенность кремниевых диодов даёт возможность использовать их в качестве низковольтных стабилитронов. В данном случае можно применить кремниевые диоды Д101—Д10З или Д219—Д220.
Опорное напряжение, созданное диодом в эмиттерной цепи Тз, сравнивается с напряжением на его базе, пропорциональным выходному напряжению стабилизатора. Разностное напряжение управляет величиной сопротивления коллекторно-эмиттерного перехода транзистора Тз.
Если бы коллекторной нагрузкой Тз служило активное сопротивление (на рис. 1 показано пунктиром), то потенциал в точке соединения этого сопротивления с коллектором транзистора Т3 определялся бы не только разностным, но и нестабильным входным напряжением. Это значительно ухудшило бы работу стабилизатора. Поэтому коллекторная цепь транзистора Тз питается независящим от входного напряжения током.
Каскад на транзисторе T1 работает как генератор тока. Напряжение смещения стабилизировано кремниевым диодом Д1.
Характеристика стабилизатора (рис. 3) снята при токе нагрузки 10 ма. Последнее достаточно для питания высокочастотного блока и усилителя ПЧ транзисторного супергетеродина. Внутреннее сопротивление стабилизатора не превышает 5 ом. Величину выходного напряжения можно регулировать потенциометром R4.
После такой регулировки сопротивления R3 R4, заменяют делителем напряжения, состоящим из двух постоянных сопротивлений





