SSB ПРИСТАВКА
Л.Устьянов Радио №8/1963 ст.21
В приставке использован двух-фазный способ получения однополосного сигнала. При этом способе несущая подавляется с помощью балансных модуляторов. Блок-схема приставки представлена на рис. 1.

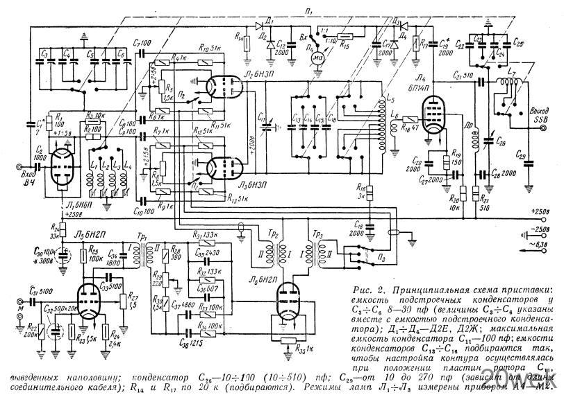
Напряжение ВЧ поступает с возбудителя через катодный повторитель на высокочастотный фазовращатель, состоящий из сопротивлений и R2 и на одном из диапазонов из конденсатора С3 и индуктивности (см. рис. 2 — принципиальную схему приставки). На схеме рис. 2 нет катушек диапазона 3,5 Мгц.

Высокочастотный фазовращатель собран по мостовой схеме, образованной R1 R2 С3 L1 (см. рис. 3,а). На рис, 3,б представлена векторная диаграмма, поясняющая работу фазовращателя. Из диаграммы видно, что сдвиг фазы в 90° получается при условии, что R=Xc=Xe. Обычно R1 и R2 берутся в пределах 50-100 ом. Соответственно рассчитываются величины L и С. Напряжение на вход фазовращателя необходимо подавать с катодного повторителя, так как входное сопротивление фазовращателя низкое (приблизительно равно величине активных сопротивлений). С выхода фазовращателя напряжения подаются на сетки балансных модуляторов через разделительные конденсаторы С7, С8 и С9, С10 (см. рис. 2).

Напряжение НЧ с микрофона МД- 41 подается на вход двухкаскадного усилителя НЧ на лампе Л5. Элементы схемы рассчитаны так, чтобы максимальное усиление было в полосе частот от 300 до 3000 гц. В анодную цепь второго каскада через согласующий трансформатор Тр1 включен низкочастотный фазовращатель из R31, R32, R33, R34, C35, С36, С37, С38 (см. рис. 4). Этот фазовращатель также собран по мостовой схеме из последовательно и параллельно включенных RC цепей.

Величины R и С рассчитаны так, чтобы фазовый сдвиг выходных напряжений был равен 90° в диапазоне частот от 300 до 3000 гц. От точности номиналов элементов фазовращателя в большой степени зависит фазовый сдвиг выходных напряжений. Обычно в подобных фазовращателях отклонение от номиналов деталей допускается не более 1%, но, как показала практика, для любительских целей можно собирать фазовращатель из сопротивлений и конденсаторов с допуском до ±5%. С выходов фазовращателя напряжения подаются на каскады усиления (лампа Л6). Потенциометр R35 служит для выравнивания усиления каскадов. В анодах лампы Л6 включены трансформаторы Тр2 и Тр3 для получения двух противофазных напряжений, подаваемых на управляющие сетки ламп балансных модуляторов.
Балансные модуляторы собраны на лампах Л2 и Л3. Они работают на общую нагрузку — контур L5—С11. Для балансировки модуляторов служат сопротивления R5 и R8. Тумблер П2 служит для разбалансировки модуляторов при настройке контуров последующих каскадов. Напряжение одной боковой полосы с выхода балансных модуляторов через катушку связи L6 подается на управляющую сетку лампы Л4— каскада усиления ВЧ. Усилитель ВЧ работает в классе А. В аноде имеется контур по схеме П-фильтра, что позволяет легко согласовать выход приставки со входом следующего каскада.
В приставке используется прибор ма, который позволяет контролировать напряжение на входе и выходе приставки и, соответственно, балансировать модуляторы по максимальному подавлению несущей. Для лучшей балансировки схемы катоды ламп Л2 и Л3 можно соединить с шасси через конденсаторы по 1000 пф.
Конструкция и детали
Приставка собирается на шасси из алюминия толщиной 1,5 мм, размеры шасси 200x200x60 мм. В приставке можно применять сопротивления и конденсаторы любых типов. Данные катушек L1 — L14 и конденсаторов С3~С6 для различных диапазонов приведены в табл. 1.

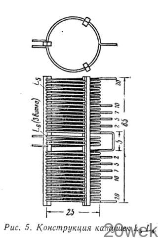
Катушки намотаны виток к витку. На каркасах диаметром 9 мм (от телевизора «Заря») провод ПЭЛШО 0,5, катушки имеют подстроечные карбонильные сердечники диаметром 6 мм.
Катушки L5, L6 и L7 наматываются на керамических каркасах диаметром 25 мм (или без каркаса). Катушка L6 помещается между половинами катушки L5. Количество витков катушек приведено в табл. 2

Катушка L6 для всех диапазонов имеет 3 витка. Катушки L5, L6, L7 наматываются проводом ПЭЛ-1 с шагом 0,5 мм (см. рис. 5), у L1 шаг намотки 0,8—1 мм. При изготовлении приставки на несколько диапазонов катушки L1-L4 и конденсаторы С3 С6 переключаются, а от катушек L5 и L7 делаются соответствующие отводы на переключатель. Конденсатор С11— типа «бабочка», на этом месте можно применить сдвоенный блок конденсаторов.

При С26 в 510 пф. Конденсаторы С22 удаляются; настройка контура получается очень острой.
Трансформаторы Тр1, Тр2 и Тр3— однотипные с коэффициентом трансформации от 5 : 1 до 10 : 1. На месте этих трансформаторов можно применить блокинг-трансформаторы кадровой развертки телевизора КВН-49.
Измерительный прибор любого типа с током отклонения на всю шкалу не более 2,5 ма.
Дроссель Др1 наматывается проводом ПЭЛШО-0,15 на сопротивлении ВС-2 (не менее 100 ком) в один слой до заполнения.
Потенциометры R5 и R8 выводятся на переднюю панель под шлиц. Остальные потенциометры зыводить на панель не обязательно.
Тумблер П3 для переключения на верхнюю и нижнюю полосы целесообразно ставить только при изготовлении приставки на все диапазоны.
Расположение деталей на панели показано на рис. 6.

Налаживание
Налаживание приставки лучше начинать с проверки усилителя НЧ, после проверки на вход подается сигнал с частотой около 1000 гц. Движки потенциометров R29 и R35 устанавливаются в среднее положение. Если имеется осциллограф, то нужно на его вертикальный и горизонтальный усилитель (предварительно установив на них одинаковое усиление) подать напряжение с обмоток П трансформаторов Тр2 и Тр3. На экране должна быть окружность. Более точно форма окружности подгоняется вращением ручек потенциометров R29 и R35. При включении на вход микрофона, при разговоре, на экране должны появляться концентрические окружности.
Далее при разбалансированных модуляторах настраиваются в резонанс контуры L5—С11 и L7—С26. Подбором величины сопротивления R17 добиваются показаний прибора ма на половину шкалы при настройке контуров в резонанс. Далее, замкнув тумблер П2, потенциометрами R1 и R5 балансируют модуляторы, добиваясь минимальных показаний прибора ма. При подаче на вход сигнала НЧ на выходе должен быть однополосный сигнал, то есть прибор при произнесении перед микрофоном счета или слов должен отклоняться. Качество сигнала можно подобрать, используя КВ приемник, а также с помощью осциллографа.
При проверке с помощью осциллографа на выход приставки подключаются вертикальные отклоняющие пластины осциллографа. Однополосный сигнал должен иметь вид, показанный на рис. 7,а. Если плохо подавлена несущая, то сигнал будет промодулирован звуковой частотой (рис. 7,6).

Если сигнал промодулирован удвоенной частотой, то плохо подавлена вторая боковая полоса (рис. 7,в).
Следует добиваться минимальной амплитуды огибающей ВЧ сигнала. Отношение амплитуды ВЧ сигнала к огибающей дает подавление боковой полосы и несущей. Это отношение должно быть не хуже 30 дб. Практически удается получить гораздо большее подавление (до 40 дб).
После окончательной отработки сигнала надо подобрать детали прибора ма. Сопротивление R14 и конденсатор С12 подбираются так, чтобы при оптимальном напряжении на входе стрелка прибора МА отклонялась на половину шкалы.
Далее подбирается величина R15 так, чтобы при переводе П4 на отношение 1 : 10 показания прибора уменьшались в 10 раз. При выключенном сопротивлении R15 подбираются величины R17 и С19 так, чтобы при максимальном сигнале НЧ стрелка прибора ма отклонялась на три четверти шкалы. Тогда при переключении П4 на отношении 1 : 1 можно очень точно контролировать подавление несущей. Как показал опыт, приставку довольно легко можно настроить по КВ приемнику или по отзывам близко расположенных корреспондентов.







