Радиоузел туриста
Ю. Отряшенков, Радио №6/1967, ст. 33
Звонят последние звонки минувшего учебного года. Наступило время летних каникул. Поднимаются алые флаги пионерских здравниц. На опушках лесных массивов развертываются палатки туристских лагерей.
Самодеятельные туристские лагеря-базы для экскурсий и походов по родному краю стали сейчас для школьников любимыми местами проведения летних каникул. И не только для школьников. Импровизированным палаточным городкам на лоне природы отдают предпочтение студенты, работающая молодежь. На такие лагеря и рассчитан описываемый здесь радиоузел.
Усилитель радиоузла транзисторный. Его выходная мощность сравнительно небольшая — около 1,5 вт. Но этой энергии, при рациональном использовании ее, достаточно для радиофикации 10—12 палаток или какой-либо площадки, где по вечерам собираются хозяева лагеря. Радиоузел позволяет передавать объявления, информировать о планах и событиях лагеря, транслировать концерты грамзаписи, программы радиовещательных станций. Батареи питания, составленной из 6 КБС-Л-0,5, при ежедневной 4— 5-часовой работе радиоузла хватает на 4—5 дней, а батареи из 9 элементов типа «Сатурн», при той же нагрузке — на 10—12 дней.
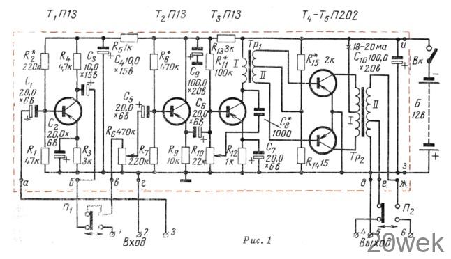
Принципиальная схема усилителя радиоузла показана на рис. 1. Усилитель четырехкаскадный, на пяти транзисторах. Его первый каскад на транзисторе Т1 является микрофонным усилителем. Второй каскад на транзисторе Т2 — согласующий, третий каскад на транзисторе Т3 — предварительный усилитель напряжения. Четвертый, выходной, каскад, в котором работают транзисторы Т4 и Т5,— двухтактный усилитель мощности.

Транзисторы первого, третьего и четвертого каскадов включены по схеме с общим (заземленным) эмиттером, а транзистор второго каскада — по схеме эмиттерного повторителя (с общим коллектором). Связь между первыми тремя каскадами — емкостная, а между третьим и выходным — с помощью согласующего трансформатора низкой частоты Тр1. Трансформатор Тр1 кроме того, обеспечивает подачу на базы транзисторов Т4 и Т5 напряжения в противофазе, что необходимо для работы двухтактного усилителя мощности.
Резисторы R1 и R2 , R7 и R8, R10 и R11, R14 и R15 образуют делители, создающие на базах транзисторов требуемые напряжения смещения. Для повышения температурной стабильности работы транзисторов T1 и Т3 в их эмиттерные цепи включены резисторы R3 и R12. Резистор R5 и конденсатор С4, а также резистор R13 и конденсатор С9 образуют ячейки развязывающих фильтров, предотвращающие вредную связь между каскадами через цепи питания.
Регулирование громкости осуществляется переменным резистором R6, а частотная коррекция — резистором R10, образующим вместе с конденсатором С8 цепь отрицательной обратной связи между коллектором и базой транзистора третьего каскада.
Микрофон подключается к зажимам 2 и 3 входа усилителя, а радиоприемник или звукосниматель — к зажимам 1 и 2. Переход с одного вида передачи на другой осуществляется переключателем П1 (на рис. 1 положение контактов переключателя соответствует включению микрофона). При включении микрофона низкочастотный сигнал подается (через конденсатор С1) на вход первого каскада, усиливается транзистором Т1, а от него, пройдя через конденсатор С3, контакты переключателя П1 регулятор громкости R6 и конденсатор С5,— на вход второго каскада. При включении радиоприемника или звукоснимателя сигнал подается (через R6 и С5) сразу на вход второго каскада, минуя первый, а с выхода усилителя мощности—к громкоговорителям.
Вся вторичная обмотка выходного трансформатора Тр2 рассчитана на питание трансляционной линии, нагруженной маломощными громкоговорителями с согласующими (понижающими) трансформаторами, а часть обмотки — на питание одноваттного громкоговорителя с низкоомной звуковой катушкой. Трансляционная линия подключается к зажимам 5 и 6, а громкоговоритель к зажимам 4 и 5. С помощью переключателя П2 включается либо только трансляционная линия, либо только одноваттный громкоговоритель. К трансляционной линии можно также подключать головные телефоны.
Для радиоузла может быть использован любой из простейших приемников, описанных в журнале «Радио». Вполне подойдет и детекторный приемник с постоянной настройкой на одну или две широковещательные радиостанции.
Конструкция, детали и монтаж. Конструкция радиоузла, монтаж усилителя и схема подключения к нему микрофона, звукоснимателя и трансляционных линий показаны на рисунках и фотоснимках, помещенных на 4-й странице вкладки.

В собранном виде радиоузел представляет собой фанерный чемодан с откидной крышкой. Крышка является отражательной доской укрепленного на ней электродинамического громкоговорителя типа 1ГД-18 (или любого другого одноваттного с сопротивлением звуковой катушки 6,5 ом), В крышке же, с внутренней стороны, в ячейках, образованных фанерными перегородками, хранятся трансляционные громкоговорители-радиоточки.
Плата усилителя, его входные и выходные зажимы, переключатели П1 и П2, батарея питания и ее выключатель Вк размещены на панели размером 265X315 мм. Ось регулятора громкости R6, снабженная ручкой, выведена на лицевую сторону панели. Над ней — отверстие, через которое отверткой устанавливается положение ползунка переменного резистора R10 коррекции частотной характеристики усилителя.
Между платой усилителя и батареей питания на панели предусмотрено место для размещения готового приемника или платы монтируемого приемника. Для него на панели укреплены выключатель и зажимы антенны и заземления. В лагерных условиях антенной может служить кусок изолированного провода, подвешенный на дереве, а заземлением — железный штырь, вбитый в землю.
Транзисторы Т1 — Т3 типа П13 — П16, а Т4 и Т5 — типа П201 — П203 с любым буквенным индексом. Коэффициент усиления транзисторов по току (В) может быть от 30 до 100. Коэффициенты усиления В и обратные токи коллекторов /ко транзисторов Т4 и Т5 не должны отличаться более чем на 20%, иначе усложнится налаживание выходного двухтактного каскада усиления мощности. Перед монтажом на корпуса транзисторов Т1 — Т3 надо надеть короткие отрезки полихлорвиниловой трубки.
Переменные и постоянные резисторы могут быть любого типа и на любые мощности рассеяния. Желательно, однако, чтобы эти детали были малогабаритными. Отклонение их сопротивлений от указанных на схеме допустимо в сторону увеличения или уменьшения в пределах 20%.
Электролитический конденсатор С10 — типа КЭ (или ЭТО), а другие электролитические конденсаторы — типа ЭМ или типа «Тесла». В описываемой конструкции конденсатор С9 составлен из двух электролитических конденсаторов типов КЭ и ЭМ, а конденсатор С7 — из двух конденсаторов типа ЭМ, поэтому на фотоснимке платы усилителя видны два конденсатора С9 и два конденсатора С7. Конденсатор С8 — типа БМ, КД или КСО.
Переключатели П1 и П2 входа и выхода усилителя, выключатели питания (Вк) и приемника могут быть любыми (в описываемой конструкции поставлены тумблеры типа ТВ2-1). Зажимы также любые; в качестве зажимов можно использовать болты с гайками.
Трансформаторы Тр1 и Тр2 самодельные. Данные трансформатора Тр1: сердечник из пластин Ш-9, толщина набора 15 мм, первичная (/) обмотка содержит 1600 витков провода ПЭЛ 0,15, вторичная (II) — 500 витков такого же провода с отводом от середины (250-250 витков). Сердечник трансформатора Тр2 собран из пластин Ш-12, толщина набора 20 мм. Первичная обмотка этого трансформатора имеет 320 витков провода ПЭЛ 0,31 с выводом от середины (160+160 витков), а вторичная — 160 витков провода ПЭЛ 0,69 с отводом от 90-го витка (90+70 витков), считая от «заземленного» конца. Провода укладываются плотными рядами, виток к витку. Между рядами и обмотками делаются прокладки из конденсаторной или папиросной бумаги.
Трансформаторы крепятся на плате усилителя с помощью гетинаксовых накладок и болтов с гайками
Плату усилителя желательно выпилить из листового гетинакса или текстолита толщиной 2—2,5 мм или, в крайнем случае, из сухой хорошо проклеенной фанеры. Фанерную плату следует пропитать олифой или масляным лаком, чтобы она не впитывала влагу. Размеры платы и разметка отверстий в ней показаны на вкладке.
Диаметр отверстий, помеченных на разметочном чертеже точками, 1 мм. В них вбиваются молотком монтажные стойки — кусочки медной, предварительно залуженной миллиметровой проволоки, длиной по 10 мм. С одной стороны платы, где размещаются детали усилителя, они выступают на 5 мм, с другой, где производится соединение деталей, — на 2—3 мм. Для соединения деталей используется медный провод диаметром 0,3—0,4 мм с надежным изоляционным покрытием.
Монтажные стойки а — и служат для соединения платы усилителя (на рис. 1 она обозначена пунктирными линиями) с другими деталями, находящимися на общей панели радиоузла.
Трансляционные радиоточки. Для радиофикации палаток лучше всего подойдут малогабаритные громкоговорители типа 0,1ГД-1, 0,1ГД-3 с переходными понижающими трансформаторами. В качестве переходных можно использовать выходные трансформаторы, рассчитанные для работы в двухтактных выходных каскадах транзисторных приемников.
Схема и конструкция радиоточки показаны на рис. 2. Трансформатор подключается к трансляционной линии любой половиной первичной обмотки. Вторичная (понижающая) обмотка трансформатора соединена со звуковой катушкой громкоговорителя.

Переключатель П (тумблер) служит для включения и выключения радиоточки. Когда радиоточка выключена, вместо нее к линии подключается ее эквивалент — резистор R сопротивлением в 200 ом.
Подключение к линии резисторов при выключении громкоговорителей необходимо для того, чтобы общая нагрузка усилителя оставалась всегда примерно одинаковой, независимо от числа включенных и выключенных радиоточек.
Переходной трансформатор может быть самодельным. Его данные: сердечник из пермаллоевых пластин Ш-6, толщина набора 6 мм; первичная обмотка содержит 450 витков провода ПЭЛ 0,1, вторичная обмотка — 80 витков провода ПЭЛ 0,23. Громкоговорители вместе с переходными трансформаторами, переключателями и резисторами монтируются в футлярах из фанеры или плотного толстого картона. Поверхности стенок футляров следует покрыть 2— 3 раза олифой или масляным лаком для защиты от влаги.
Микрофон. В качестве микрофона может быть использована одна из радиоточек, если пренебречь качеством звуковоспроизведения, так как такой «микрофон» плохо реагирует на низкие звуковые частоты.
Значительно лучше будет работать телефонный капсюль ДЭМШ-1. Включается он всей обмоткой, а средний вывод ее остается свободным. Держатель капсюля надо выточить или вырезать из сухого дерева и приделать к нему ручку (рис. 3). Капсюль должен плотно входить в отверстие держателя. Его выходными зажимами служат винты с гайками, к ним же подключается экранированный провод, идущий к входу усилителя.

Рупор, без которого эффективность работы капсюля снижается, надо склеить из плотного картона, просушить и покрыть масляным лаком или клеем БФ-2. Его кольцо должно плотно входить в отверстие капсюльного держателя.
Можно также использовать угольный микрофон, например капсюль МК-10 или МК-59, включив его по схеме, показанной на рис. 4. Здесь резистор R является ограничителем тока микрофонной цепи и одновременно нагрузкой микрофона. Создающееся на нем напряжение низкой частоты через конденсатор С подается на вход усилителя. Питается микрофон от батареи усилителя или ее части.
Ориентировочное сопротивление резистора R—300— 400 ом. Оно зависит от сопротивления используемого капсуля и рекомендуемого для его работы начального тока (не более 50 ма). Вообще же сопротивление этого резистора надо подобрать опытным путем, добиваясь неискаженного звуковоспроизведения. Емкость конденсатора С—0,1—0,5 мкф. Налаживание усилителя. Прежде всего надо тщательно сверить монтаж усилителя с его принципиальной схемой. Только убедившись в том, что ошибок нет и все контакты надежны, можно приступить к проверке режима работы транзисторов и налаживанию усилителя в целом. Начинайте с выходного каскада. В разрыв проводника, идущего от минусового провода питания к среднему выводу первичной обмотки выходного трансформатора, включите миллиамперметр со шкалой на 25—50 ма. Прибор должен показывать ток 18—20 ма. Если фактическое значение тока покоя окажется значительно больше или меньше, то изменением сопротивления R15 добейтесь рекомендуемого тока. А установив требуемый ток, закоротите временно резистор R14 — снижение тока до 1—2 ма укажет на исправность каскада.
При проверке третьего каскада усилителя миллиамперметр со шкалой на ток 5—10 ма включается в коллекторную цепь транзистора Т3 между минусом питания и первичной обмоткой согласующего трансформатора Тр1. Здесь коллекторный ток, независимо от положения движка переменного резистора R10, должен быть в пределах 2—5 ма. Значительное отклонение от этой величины коллекторного тока укажет на необходимость изменения сопротивления резистора R11. При закорачивании резистора R10 этот ток должен резко уменьшиться, что является признаком работы каскада.
Далее проверяется второй, а затем первый каскады усилителя. Коллекторные токи транзисторов этих каскадов могут быть в пределах 0,8—1,25 лш. Подгонка токов достигается подбором сопротивлений резисторов: R8 — для транзистора Т2 и R2— для транзистора T1. Нормальным режимом работы этих каскадов можно также считать, если на эмиттере транзистора Т2 и на коллекторе транзистора Т1 будет по отношению к положительному проводнику питания — 6 v, то есть половина напряжения батареи, питающей усилитель.
Проверив и, если надо, установив рекомендуемые режимы работы транзисторов, ко входу усилителя подключите звукосниматель, а на выход — одноваттный громкоговоритель. При проигрывании новой грампластинки громкоговоритель должен звучать без искажений и, конечно, громко — примерно так же, как громкоговоритель лампового радиоприемника или телевизора.
Тембр звука устанавливается переменным резистором R10. При желании сильнее подчеркнуть низкие частоты, емкость конденсатора С8 следует увеличивать до 4 300—4 700 пф.
Аналогично проверяется усилитель и при работе от микрофона. Но при этом громкоговоритель приемника надо вынести в соседнее помещение, иначе между громкоговорителем и микрофоном возникает акустическая связь и усилитель будет самовозбуждаться. Это обстоятельство надо учитывать во всех случаях, когда усилитель работает от микрофона.
В заключение — несколько советов.
Для радиофикации палаток можно использовать обычные маломощные трансляционные громкоговорители. Но число таких радиоточек для описанного усилителя придется уменьшить примерно до пяти. В этом случае и габариты футляра радиоузла могут быть уменьшены, поскольку отпадает надобность предусматривать в нем место для малогабаритных радиоточек.
Если для приема программ местной радиовещательной станции предполагается использовать детекторный приемник с постоянной настройкой, детали его колебательного контура, точечный диод и нагрузочный резистор с блокировочным конденсатором можно разместить на плате усилителя.
Отправляясь в лагерь, захватите с собой вольтметр, а лучше — авометр, и небольшой стержень из красной меди, которым (нагрев его на горячих углях) можно было бы пользоваться как паяльником. Мало ли что может случиться с радиоузлом в дороге или в лагере!
