Радиоустановка на мотоцикле
Н. КРАВЦОВ, Радио №6/1967, ст.27
Eстановка предназначена в основном для работы на подвижных объектах (мотоциклах и автомашинах), но может быть применена и в стационарных условиях, а также как небольшой радиоузел на 50-100 точек с питанием от сети переменного тока 127/220 в или от аккумулятора напряжением 6,3 в. Она рассчитана на работу от микрофона, от микрофона и проигрывателя (магнитофона) одновременно и от приемника, смонтированного в корпусе установки. Выбор рода работы осуществляется переключателем на три положения. В зависимости от выбранного рода работы включается питание на соответствующий блок и коммутируются входы и выходы блоков.
Как видно из блок-схемы, приведенной на четвертой странице обложки, установка состоит из микрофонного усилителя, собранного на транзисторах T1, Т2, предварительного усилителя с регулятором тембра по низким и высоким частотам (T3 —Т5), оконечного каскада (Т6 — Т10), рассчитанного на громкоговоритель РД-10, блока контроля (Т11 — Т13), преобразователя напряжения (Т14 — Т16) и однодиапазонного транзисторного приемника (Т17 — Т22). В стационарных условиях установка питается от сети переменного тока через специальный выпрямитель.

При работе с микрофона и магнитофона смешение сигналов (микширование) происходит в коллекторной цепи транзистора Т3, причем наличие двух регуляторов усиления, R11 и R13, позволяет получить любое соотношение сигналов.
Максимальная выходная мощность усилителя 6 вт. Полоса пропускания оконечного усилителя 100— 10 000 гц с неравномерностью не более 3 дб. Чувствительность со входа 0,1 в. Пределы регулировки тембра: на низких частотах (100 гц)+-12—6 дб, на высоких частотах (5 000 гц) +- 12 дб. Коэффициент нелинейных искажений не более 5%. В режиме максимальной мощности вся установка потребляет от аккумулятора с напряжением 6,3 в ток не более 2,2 а.
Размеры установки 204X124X62 мм, вес — не более 1,2 кг.
Принципиальная схема
С целью облегчения налаживания всей установки, ее принципиальная схема разбита на ряд функциональных узлов, детали которых помещены на отдельных платах.
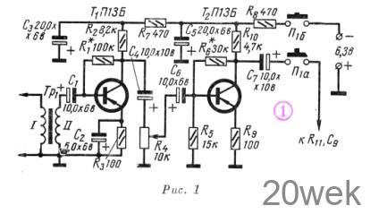
На плате 1 (рис. 1), которая расположена на отсеке, где помещается микрофон, собран микрофонный усилитель на двух малошумящих транзисторах Т1 и Т2 типа П13Б. Трансформатор Тр1служит для согласования низкого сопротивления микрофона типа ДЭМШ-la (порядка 100 ом) с более высоким входным сопротивлением транзистора Т1.

С целью уменьшения нелинейных и частотных искажений оба каскада микрофонного усилителя охвачены отрицательной обратной связью как по току, так и по напряжению. Усилитель включается при положении переключателя рода работы «Микрофон» и в положении «Микрофон -|- проигрыватель» контактами переключателя П1а, П1б. Для подбора необходимого уровня сигнала в цепи базы транзистора Т2 включен регулятор громкости R4. Чувствительность усилителя 0,5 мв. Коэффициент усиления около 200. Монтажная схема усилителя приведена на рис. 1 четвертой страницы обложки.
На плате 2 собран предварительный усилитель с регулятором тембра (R18, R21) на трех транзисторах Т3 — Т5 типа П16 (рис. 2). В цепи базы транзистора Т3 установлен второй регулятор громкости R11, который служит для установки необходимого уровня сигнала в положении «Радио» переключателя рода работ. При этом замыкаются контакты переключателя П1в, П1г (см. блок-схему) и размыкаются 771а, П^. При работе с микрофона движок резистора должен находиться в верхнем (по схеме) положении. В цепи эмиттера транзистора Т3 установлен третий регулятор громкости R13. С помощью резисторов R11 и R13 можно производить смешение сигналов (микширование). Второй каскад предварительного усилителя (Т4), собранный по схеме эмиттерного повторителя, согласует высокое выходное сопротивление транзистора Т3 с низким сопротивлением регулятора тембра. Высокие частоты регулируются резистором R21, а низкие — R18. В среднем положении движков этих резисторов полоса частот равномерна в пределах 50— 15 000 гц. В верхних (по схеме) положениях движков R18 и R21 происходит подъем частотной характеристики на частотах 100 и 5 000 гц на 12 дб. Третий каскад собран по схеме эмиттерного повторителя на транзисторе Т5. Он согласует сопротивление регулятора тембра с входным сопротивлением транзистора Т6 оконечного каскада. Коэффициент усиления предварительного усилителя на частоте 1 000 гц порядка 3-х. Его монтажная схема приведена на рис. 2 обложки.

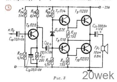
На плате 3 собран оконечный каскад (рис. 3), выполненный по последовательно-параллельной схеме на транзисторах T96— Т10 типов П26 (T6), П14 (Т7), П10 (Т8) и П203 (T9, Т10). Диод Д1 типа Д2Е (Д7Г) служит для температурной стабилизации. В предварительном каскаде в качестве T6 необходимо применить транзистор типа П25 или П26, рассчитанный на относительно высокое коллекторное напряжение, либо специально подобрать транзистор типа П16. Монтажная схема оконечного усилителя приведена на рис. 3 обложки.

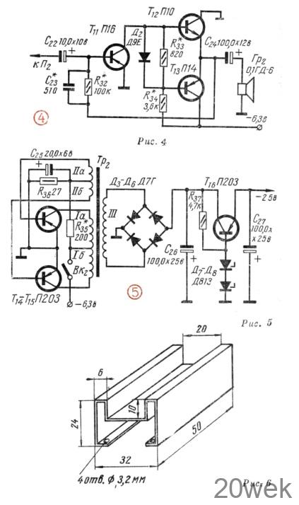
На плате 4 собран блок контроля, принципиальная схема которого приведена на рис. 4, а монтажная — на рис. 4 обложки. Блок собран на транзисторах T11 (П16), T12 (П10) и T13 (П14). Диод Д2 служит для температурной стабилизации режима работы транзисторов выходного каскада. Блок контроля нагружен на громкоговоритель типа 0,1 ГД-6, который смонтирован в корпусе установки. Переключателем П2 сигнал с предварительного усилителя может подаваться либо на вход блока контроля, либо на вход оконечного усилителя, причем чувствительность со входа обоих усилителей подбирается одинаковой, порядка 0,4 в, что гарантирует работу оконечного каскада без искажений. Монтажная плата блока контроля помещена над монтажной платой оконечного усилителя.

На плате 5 собран преобразователь напряжения, принципиальная схема которого показана на рис. 5, а монтажная — на рис. 5 обложки. Наличие преобразователя объясняется тем, что получить сравнительно большую мощность (6 вт) от источника напряжением 6,3 в непосредственно нельзя, поэтому преобразователь преобразует энергию мотоциклетного аккумулятора напряжением 6,3 б в напряжение постоянного тока величиной 25 в при токе 0,4 а. Преобразователь собран по схеме двухтактного блокинг-генератора с самовозбуждением на мощных транзисторах T14 и T15 типа П203, укрепленных на радиаторах из листового дюралюминия толщиной 1 мм, конструкция которых показана на рис. 6. Цепочка из параллельно соединенных резистора R36 и конденсатора С25 служит для облегчения запуска преобразователя. Переменное напряжение, снимаемое с обмотки III трансформатора Тр2, выпрямляется выпрямителем, собранным по мостовой схеме на четырех диодах типа Д7Г. В качестве стабилизатора напряжения применен транзистор типа П203, опорное напряжение порядка 25 ь получается на двух стабилитронах типа Д813, включенных последовательно.
Преобразователь напряжения включается отдельным выключателем Вк2 после установки с помощью регуляторов усиления R4, R11 и R13 уровня входного сигнала и предварительного прослушивания передач через громкоговоритель блока контроля.
На плате 6 собрана высокочастотная часть средневолнового супергетеродинного приемника, описание которой будет опубликовано в одном из ближайших номеров журнала.
Конструкция и летали
Вся установка размещается в корпусе из дюралюминия размерами 204X124X62 мм. Монтаж отдельных блоков выполнен на печатных платах из фольгированного гетинакса. К корпусу установки платы крепятся винтами на специальных уголках, приклепанных к корпусу. Магнитная антенна приемника из корпуса вынесена и помещена в держатель, сделанный из органического стекла. Преобразователь напряжения с целью предохранения всех чувствительных к наводкам цепей помещен в специальный отсек, образованный перегородкой и корпусом установки. Для удобства переноски корпус установки снабжен ручкой.
В коляске мотоцикла установка крепится при помощи специального приспособления, конструкция которого зависит от типа коляски. Держатель громкоговорителя РД-10, представляющий собой две трубы, входящие друг в друга, укрепляется на раме, соединяющей коляску с мотоциклом. Стопорный винт позволяет устанавливать громкоговоритель на любой высоте в пределах 0,75—1,3 м.
Установка рассчитана для эксплуатации на мотоциклах (автомашинах), где положительный полюс источника питания соединен с корпусом мотоцикла (автомобиля). В том случае, если с корпусом будет соединен отрицательный полюс источника питания, то все проводники, соединяющиеся с положительным полюсом источника питания, необходимо отсоединить от корпуса установки и подключить их к «+» аккумулятора, а провода, соединяющиеся с отрицательным полюсом, с «массой» мотоцикла.
Питание установки осуществляется через высокочастотный разъем, что гарантирует от неправильного включения источника питания. Выход на внешний громкоговоритель, а также вход проигрывателя (магнитофона) тоже подключаются через аналогичные разъемы.
В качестве переключателя ГЦ может быть использован переключатель любого типа, а переключателя П2 и выключателей Вк1 и Вк2 — микротумблеры типа МТ-1, но могут быть применены и обычные тумблеры. Переменные резисторы R4, R11, R13, R18 и R21 — типа СПО-0,5, которые можно заменить резисторами типа СП.
Сердечник трансформатора Тр1 взят от типового малогабаритного согласующего трансформатора с сечением 0,2—0,3 см2. Первичная обмотка трансформатора содержит 200 витков провода ПЭВ 0,12, вторичная — 1000 витков провода ПЭВ 0,08.
Трансформатор Тр2 блокинг-генератора преобразователя напряжения выполнен на ленточном сердечнике из стали ХВП, толщиной 0,1 мм. Наружный диаметр сердечника 32 мм, внутренний — 16 мм, высота 10 мм. Первичная обмотка I содержит 2X60 витков провода ПЭВ 0,8, обмотка II — 2X10 витков провода ПЭВ 0,25 и обмотка III — 360 витков провода ПЭЛ 0,38.
В установке использованы в основном фабричные детали: резисторы типа УЛМ или МЛ Т-0,25; конденсаторы типов К Л С, ЭМ, МБМ, КМБП. Транзисторы в микрофонном и предварительном усилителях (Т1 -Т5), могут быть с коэффициентом усиления В от 15 до 50, транзисторы T6-Т8 и Т11 -Т13 с B=20—50. Транзисторы П203, работающие в оконечном каскаде, могут иметь коэффициент В в пределах 50-120, но обязательно с идентичными параметрами. Транзисторы Т14, Т15 могут иметь любой коэффициент усиления В, но не менее 15. Конденсаторы С26, С27 типа К50-ЗБ.
Расположение узлов и деталей в корпусе установки показано на рис. 7, а его общий вид призеден на четвертой странице обложки.

Налаживание
Налаживание установки следует начать с подбора элементов, обозначенных «звездочкой», которые определяют режимы по постоянному току. Режим транзистора Т1 микрофонного усилителя устанавливается подбором величины резистора R1, так, чтобы коллекторный ток был равен 0,5 ма. Режим Т2 определяется величиной сопротивления резистора R6 и его ток устанавливается равным 0,8 ма.
После этого необходимо проверить величину коэффициента усиления микрофонного усилителя. Для этого напряжение с звукового генератора с частотой 1 000 гц и величиной 0,5 мв подается на первичную обмотку трансформатора Тр1. Напряжение на выходе контролируется осциллографом между коллектором транзистора T2 и «землей». Если коэффициент усиления менее 200, следует зашунтировать резистор В9 электролитическим конденсатором, емкостью 5,0 мкф с рабочим напряжением 6 в.
Частотную характеристику усилителя можно не проверять, так как при указанных на принципиальной схеме номиналах конденсаторов и резисторов, она получается достаточно равномерной вплоть до частоты 10 000 гц.
Режим транзистора Т3 устанавливается подбором сопротивления резистора R12, коллекторный ток которого должен быть равен 1,0-1,2 ма. Подбирать режимы транзисторов Т4 и не надо, так как при указанных на схеме номиналах они устанавливаются автоматически (их коллекторные токи должны быть в пределах 1,0—1,5 ма). После установки режима по постоянному току, необходимо проверить действие регуляторов тембра. Для этого сигнал с напряжением 0,1 в со звукового генератора через емкость 10,0 мкф подается на базу транзистора Т4, а выход контролируется осциллографом или ламповым вольтметром на резисторе R23. Движки резисторов R18 и R21 устанавливаются в верхнее (по схеме) положение. На частотах 100 и 5 000 гц величина сигнала на резисторе R23 должна в четыре раза (12 дб) превышать величину сигнала с частотой 1 000 гц.
Если на частоте 100 гц подъем будет меньше, чем в четыре раза, емкость конденсатора С13 следует увеличить, а при подъеме на частоте 5 000 гц больше, чем в четыре раза, емкость конденсатора С16 следует уменьшить. При нижних (по схеме) положениях движков резисторов R18 и R21 на частотах 100 и 5 000 гц должен быть завал по отношению к частоте 1 000 гц на 6 и 12 дб соответственно. Больший завал на частоте 5 000 гц сделан для коррекции частотной характеристики микрофона, который имеет подъем в области 4—5 кгц.
Для настройки оконечного каскада сигнал с частотой 1 000 гц и напряжением 0,4 в подается в цепь базы транзистора Т6, а на выход подключается эквивалент громкоговорителя — резистор в 10 ом. Осциллограф подключается параллельно этому резистору. Изменяя сопротивление резистора Т?24, необходимо получить на экране осциллографа неискаженную синусоиду. Напряжение на нагрузке должно быть в пределах 6,24-8,0 в. В случае появления искажений типа «ступенька» необходимо подобрать сопротивление резистора R28.
Если установка будет применена как радиоузел, работающий на абонентские 30-вольтовые громкоговорители, то на выходе оконечного усилителя должен быть подключен повышающий трансформатор с сечением сердечника не менее 6 см2— и с соотношением числа витков первичной и вторичной обмоток 1 : 4.
При налаживании преобразователя параллельно конденсатору С27 подключается эквивалент нагрузки—резистор сопротивлением в 62 ом. Если при подключении питания генерация будет отсутствовать, следует поменять местами выводы вторичной обмотки; после этого подбором сопротивления резистора В35 необходимо обеспечить надежный запуск преобразователя. Стабилизатор налаживания не требует, необходимо только проверить, чтобы при изменении тока нагрузки от 0 до максимума (0,4 а), напряжение на выходе стабилизатора изменялось не более, чем на 3 в. Если это условие не соблюдается, то необходимо заменить транзистор Т16.
Транзистор Т16, диоды, Д7, Д8, конденсатор С27 и резистор R37 на основной плате 5 преобразователя напряжения (см. 4 стр. обложки) не показаны; они размещены на отдельной плате, установленной под платой 5. На той же плате 5 к контактам 1, 2, 3 подключены выводы выключателя (тумблера) Вк1, к контактам 4, 5, 6 — выключателя Вк2 и к контактам 7, 8, 9 — переключателя П2.
Монтажные платы имеют следующие размеры: плата 1—84×28 мм, плата 2—65×52 мм, плата 3—120×54 мм, плата 4—54×28 мм и плата 5—120Х 60 мм.
На блок-схеме (см. 4 стр. обложки) переходные конденсаторы С7, С8, С9 и С24 не показаны, а на плате 1 не показан резистор R5, установленный на обратной стороне платы.
