РАДИОПРИЕМНИК «Ласточка»
А. Дормидонтов Радио №5/1963 ст.29
Карманный супергетеродин «Ласточка» собран на семи транзисторах и предназначен для работы в диапазонах средних (520—1600 кгц) и длинных (150—408 кгц) волн. Прием осуществляется на внутреннюю магнитную антенну. Чувствительность приемника в диапазоне ДВ не хуже 4,0 мв/м и СВ —2,5 мв/м, избирательность — не хуже 16 дб, номинальная выходная мощность — 90 мва. Номинальное напряжение источника питания 9 в. Приемник потребляет при отсутствии сигнала не более 8 ма и во время работы с номинальной выходной мощностью не более 30 ма. При снижении напряжения источника питания до 5,7 в работоспособность приемника сохраняется. Размеры приемника — 123Х72Х X34 мм, вес—.285 г. Изготовляется радиоприемник «Ласточка» на одном из заводов Приднепровского совнархоза.

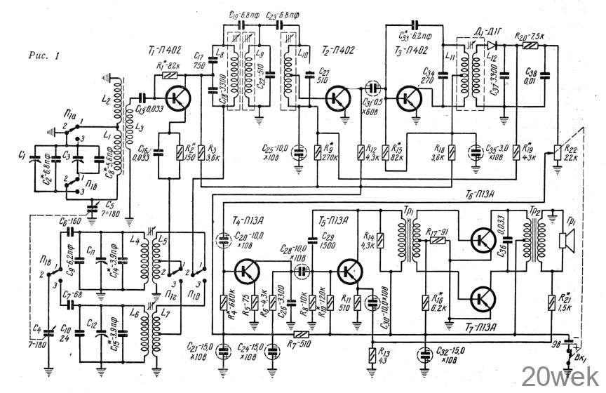
Схема радиоприемника. Преобразователь частоты построен на транзисторе П-402 (Т1). Нагрузкой коллекторной цепи Т1 служит трехконтурный фильтр сосредоточенной селекции. Стабилизация режима транзистора Т1 и подача смещения на него производится при помощи сопротивлений R1 и R3- Первый (апериодический) каскад УПЧ собран на транзисторе П402 (Т2). Рабочая точка этого транзистора не стабилизируется так как на него подается АРУ. Второй каскад УПЧ на транзисторе П402 (Тз) нагружен на контур L11 С34, который для повышения стабильности каскада имеет широкую полосу пропускания, порядка 30— 40 кгц. Нейтрализация каскада создается конденсатором Сзз, а стабилизация рабочей точки транзистора и автоматическое смещение — сопротивлениями R 15 R 18- Детектором служит диод Д1Г (Д1). Постоянная составляющая выпрямленного напряжения используется для АРУ.

Усилитель низкой частоты состоит из двух каскадов предварительного усиления на транзисторах П13А (Т4 Т5) и оконечного каскада, собранного по двухтактной схеме на транзисторах Т6 Т7. Все транзисторы УНЧ — типа П13А, Для уменьшения нелинейных искажений и коррекции частотной характеристики последние два каскада (оконечный и предварительный) охвачены отрицательной обратной связью, которая подается с вторичной обмотки выходного трансформатора в цепь эмиттера транзистора Т5.
Питание приемника осуществляется от батареи типа «Крона» или аккумуляторной батареи типа 7ДО,1, При питании от аккумулятора к приемнику прилагается специальное зарядное устройство, схема которого показана на рис. 2. Зарядка аккумулятора осуществляется от сети переменного тока 127 или 220 В. Ток зарядки 12 ма, время зарядки 15 час.

Конструкция приемника. Приемник оформлен в пластмассовом футляре, на передней стенке которого расположен лимб настройки. Переключатель диапазонов волн находится на задней стенке, а на боковой нижней — регулятор громкости с выключателем питания. К приемнику придается футляр из искусственной кожи. Монтаж приемника выполнен печатным способом на фольгированном гетинаксе. Его плоская магнитная антенна имеет размеры 115X Х20ХЗлш. Все контурные катушки намотаны в горшкообразных сердечниках диаметром 8 мм. Антенна и горшкообразные сердечники выполнены из феррита Ф-600. Намоточные данные трансформаторов приведены в табл. 1 и катушек — в табл. 2







