РАДИОПРИЕМНИК «Альпинист»
Приемник «Альпинист» по сравнению с ранее выпускавшимся аналогичным приемником переносного типа «Атмосфера-2М» имеет более высокие электроакустические параметры, удобен в эксплуатации, более экономичен и отличается современным внешним оформлением. Он рассчитан на прием радиовещательных станции, работающих в диапазонах длинных и средних волн.

Чувствительность приемника при приеме на магнитную антенну в диапазоне ДВ не хуже 2,5 мв/м, а в диапазоне СВ—1,5 мв/м, избирательность по соседнему каналу при расстройке на ±10 кгц не хуже 26 дб’, ослабление зеркального канала не менее 30 дб в диапазоне ДВ и 26 дб в диапазоне СВ; номинальная выходная мощность 150 мет’, диапазон воспроизводимых звуковых частот 300—3500 гц,
Приемник питается от двух батарей КВС-Л-0,5, соединенных последовательно. Ток, потребляемый приемником в режиме молчания, не превышает 8 ма, к. п. д. при номинальной выходной мощности не менее 40% . Размеры приемника 215 X 145X60 мм, вес 1,5 кг.
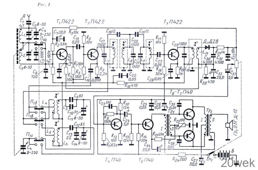
Приемник собран по супергетеродинной схеме (рис. 1) на семи транзисторах и одном полупроводниковом диоде. Его первый каскад (Т1) является апериодическим усилителем ВЧ, усиление которого регулируется напряжением АРУ. Преобразователь частоты с совмещенным гетеродином собран на транзисторе Т2. Нагрузкой каскада явля ется трехконтурный фильтр сосредоточенной селекции (ФСС). Напряжение сигнала через конденсатор С15 поступает в цель базы транзистора Т2, а гетеродина (через конденсатор C16) — в цепь эмиттера этого же транзистора. Сигнал ПЧ, выделенный ФСС, с части витков катушки L9, подается на базу транзистора T3 усилителя ПЧ. усиливается им и через катушку связи поступает на детектор Д1 Нагрузкой детектора служит переменный резистор R22, с которого напряжение НЧ через конденсатор С33 подается на вход трехкаскадного усилителя НЧ.

Благодаря использованию усилителя ВЧ в качестве регулируемого каскада эффективность АРУ значительно возрастает, особенно при приеме близких мощных радиостанций. Положение рабочей точки диода Д1 определяется напряжением, выделяемым на резисторе R20 в Цепи детектора за счет эмиттерного тока транзистора Т1 и меняется в зависимости от величины принимаемого сигнала.
Первый каскад усилителя НЧ собран на транзисторе T4. Нагрузкой каскада служит резистор R10. Второй каскад УНЧ нагружен на первичную обмотку трансформатора Тр1, со вторичной обмотки которого усиленное двумя первыми каскадами напряжение НЧ подается на двухтактный оконечный каскад усилителя мощности, собранного на транзисторах Т6 и Т7. Последние два каскада усилителя охвачены отрицательной обратной связью, напряжение которой снимается с части витков вторичной обмотки выходного трансформатора Тр2 и подается в цепь эмиттера транзистора T5. Смещение на базы транзисторов Tб и T7 осуществляется за счет эмиттерного тока транзистора Т5, а температурная стабилизация обеспечивается терморезистором R23.
Первый и последний каскады усилителя НЧ охвачены частотнозависимой обратной связью (С23, С35 и С36), улучшающей частотную характеристику усилителя.
Корпус приемника изготовлен из пластмассы и снабжен ручкой для переноски. Органы управления расположены на передней и верхней стенках корпуса, а гнездо для подключения внешней антенны — на задней стенке. Общий вид приемника показан на фото, а расположение его основных узлов на печатной плате — на рис. 2.

Катушки L1 и L2 входных контуров расположены на стержне магнитной антенны. Катушки L3—L6 контуров гетеродина намотаны на секционированных каркасах из полистирола. Катушки связи L3 и L5 намотаны поверх контурных катушек L4 и L6. Катушки L 7 — L11 контуров ФСС и ФПЧ намотаны на секционированных каркасах и заключены в сердечники СБ-М с экранами. Катушка L11 размещена поверх катушки L10. Намоточные данные катушек приведены в таблице. Трансформаторы Тр1 и Тр2 выполнены на сердечниках из пермаллоя 1116,4X6 мм. Первичная обмотка Тр1 содержит 2200 витков провода ПЭВ-2 0,1, вторичная —2X260 витков такого же провода; первичная обмотка Тр2 имеет 2X405 витков провода ПЭВ-2 0,12, вторичная — 100 витков провода ПЭВ-1 0,38, с отводом от 10-го витка, считая от заземленного конца. Сопротивление обмоток постоянному току составляет соответственно 180; 60; 60 и 0,6 ом ±20%.



