ПТК-КОНВЕРТЕР
С. Сотников, Радио №11/1965, ст. 28
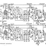
Унифицированный переключатель телевизионных каналов (ПТК) состоит из усилителя ВЧ и преобразователя, в котором сигналы любого из двенадцати телевизионных каналов преобразуются в стандартную промежуточную частоту телевизионных приемников. Полоса промежуточных частот, образующаяся на выходе ПТК, простирается от 27,75 до 34,25 Мгц. Превратить ПТК в конвертер для подключения ко входу телевизора, рассчитанного на прием первого, второго и третьего телевизионных каналов, можно, переделав его таким образом, чтобы после преобразования на выходе ПТК-конвер- тера получались частоты какого-либо из перечисленных выше каналов. Это можно сделать, изменив частоты, генерируемые гетеродином ПТК, для чего необходимо перемотать контурные катушки гетеродина 6—12 каналов (L1_36, L1_39, L1_42, L1_45, L1_48, L1_51, L1_54, L1_57, L1_60) И изменить схему анодной цепи пентодной части лампы 6Ф1П Л1_2).
Чтобы произвести перечисл$нные вышепеределки,нужно снять нижнюю крышку ПТК, гетинаксовый ротор переменного конденсатора гетеродина и вынуть барабан с катушками.
Перемотку катушек гетеродина производят, поочередно вынимая из барабана секции с каркасами, на которые намотаны соответствующие катушки. Необходимые секции расположены со стороны длинного конца оси барабана, а катушки — с внешней стороны каркасов (внутри них находятся латунные сердечники). Номер телевизионного канала отштампован на пластмассовом кронштейне, к которому приклеен каркас с катушками
Намоточные данные для перемотки катушек гетеродина приведены в таблице. В зависимости от того, частоты какого канала (первого, второго или третьего) должны быть получены на выходе конвертера, катушки следует перематывать по данным, взятым из соответствующего столбца таблицы. При выборе данных для перемотки нужно подбирать на выходе конвертера такой канал, на котором не работают местные телецентры. В противном случае, во время приема на 6—12 каналах возможны помехи. Перематывать катушки следует, соблюдая направление, в котором они были намотаны ранее.

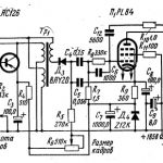
Изменения, производимые в схеме анодной цепи пентодной части лампы 6Ф1П (Л1_2), показаны на рис. 1. Переделываемые цепи показаны на схеме жирными линиями, исключаемые детали — пунктиром. Катушка L1-62, расположенная на керамическом каркасе внутри корпуса ПТ К, перематывается, а катушки L1_61 с этого же каркаса и L1-63 из фишки ПТК удаляются. Если необходимо получить на выходе конвертера частоты первого телевизионного канала, на керамический каркас наматывают рядовой намоткой, виток к витку, 10 витков провода ПЭВ или ПЭЛ 0,31, для второго канала — 8 витков и для третьего — б витков того же провода.

Питание конвертера можно осуществить как от отдельного выпрямителя, дающего напряжения необходимой величины, так и от выпрямителя телевизора. В отдельном выпрямителе или на шасси телевизора надо установить восьмиштырьковую ламповую панель, в которую будет включаться фишка питания конвертера (фишка ПТК). Настройка конвертера производится во время приема телевизионной передачи (лучше всего испытательной таблицы) по принимаемому изображению. Для этого телевизор включают на тот канал, который должен быть получен на выходе ПТК-конвертера. Конвертер подключают к телевизору, и его переключатель каналов устанавливают в положение для приема одного из телецентров, работающих в 6—12 каналах. Ручки настройки гетеродина в конвертере и в телевизоре, приемник которого собран по супергетеродинной схеме, устанавливаются в средние положения. После этого вращением сердечника в катушке гетеродина конвертера добиваются одновременного приема изображения и звукового сопровождения желаемого телецентра. Уменьшив контрастность изображения регулятором контрастности или, в случае слишком сильного сигнала, ослабив его с помощью делителя на входе конвертера, либо используя комнатную антенну, настраивают при помощи сердечника перемотанную катушку L1-62 в анодной цепи пентода лампы 6Ф1П (Л1_2) до получения максимальной контрастности изображения и хорошего приема звукового сопровождения. В дальнейшем во время приема телецентров на б—12 каналах подстройку делают только ручкой настройки гетеродина конвертера.
Радио №4/1966, ст.61






