Простой стереофонический усилитель
Радио №2/1964 ст.57
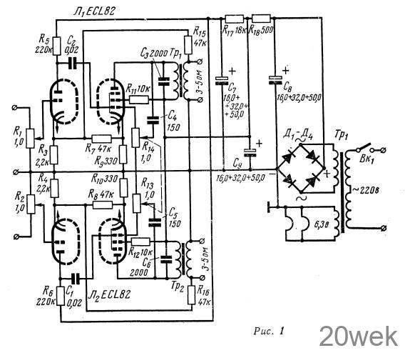
Усилитель, схема которого изображена на рис. 1, работает на двух лампах ECL82. Такой усилитель легко собрать и наладить. Вход его высокоомный и рассчитан на работу от пьезоэлектрического звукоснимателя. Выходная мощность каждого канала усилителя 1,75 вт. Усилитель воспроизводит полосу частот от 50 Гц до 12 кГц с завалом на краях диапазона не более 2 дб. Амплитуда высших звуковых частот регулируется потенциометрами R13 и R14 в пределах до —20 дб. Уровень фона переменного тока не более 50 дб. Переходное затухание между каналами также 50 дб

ОТ РЕДАКЦИИ: лампу ECL82 можно заменить 6ФЗП.
Дополнение Радио №10/1964, ст.62







