ПРОСТОЙ КАРМАННЫЙ ПРИЕМНИК
Г. Обласов, Радио №10/1964, ст.37
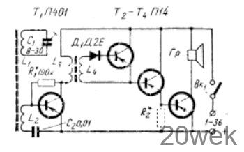
Приемник предназначен для громкоговорящего приема радиовещательных станций в диапазоне средних волн (187—550 м). Его первый каскад на транзисторе Т1 типа П401 является усилителем ВЧ. Катушки L1 и L2 антенного контура намотаны на ферритовом стержне Ф-600 диаметром 8 мм и длиной 70 мм и содержат: L1—130 витков провода ПЭЛ-0,1-0,3, намотанных виток к витку; L2—5-8 витков такого же провода, размещенных на подвижной бумажной манжете. Катушки L3 и L4 намотаны на ферритовом кольце Ф-1000 диаметром 10 мм и содержат соответственно 80 и 160 витков провода ПЭЛ-0,1-0,15.

В качестве конденсатора С1 применен малогабаритный подстроечный конденсатор типа КПК-М на 8/30 пф. Величину конденсатора С2 при необходимости можно уменьшить до 1000 пф.
Последовательное включение транзисторов Т2—T4 (П14) усилителя НЧ позволило максимально упростить схему усилителя. Сопротивление R2 подбирается в пределах 100—500 ом по максимальной громкости принимаемой радиостанции. В отдельных случаях, при использовании транзистора Тз с низким коэффициентом усиления, это сопротивление можно совсем не ставить.
В качестве громкоговорителя можно использовать капсюли ДЭМ-4м или ДЭМШ-1. Можно применить и малогабаритные громкоговорители типов 0,1 ГД-3; 0,1ГД-6; 0,15ГД-1 и другие.
Транзистор Т1 может иметь коэффициент усиления по току В порядка 70 — 160, а Т2—T4— порядка 30—70.
Для питания приемника можно использовать любой источник постоянного тока напряжением 1—3 в.
Правильно собранный приемник, как правило, сразу начинает работать. Налаживание его сводится лишь к подбору величины сопротивлений R1 и R2. Это лучше сделать, настроив приемник на какую-нибудь более отдаленную станцию.





