ПРОСТЕЙШИЙ ГЕНЕРАТОР ЗВУКОВОЙ ЧАСТОТЫ
Д. ПРИЙМАК Радио №11/1983 ст.55
Разрабатывая генератор звуковой частоты, мне удалось построить простейшую конструкцию, состоящую из двух транзисторов, резистора и капсюля головного телефона (рис. 1). Частота его колебаний равна частоте механического резонанса капсюля (сопротивление капсюля постоянному току не должно превышать 250 Ом). Работает генератор при изменении питающего напряжения в широких пределах.
Такой генератор найдет применение как пробник, сигнализатор и т. д. Им можно пользоваться при изучении телеграфной азбуки.
Несколько изменив схему и включив в генератор динамическую головку и переменный резистор (рис. 2), удастся значительно повысить громкость звука — он кстати, напоминает автомобильный сигнал, Переменным резистором подбирают режим устойчивой генерации при наибольшем изменении питающего напряжения. Такой генератор удобно использовать в качестве квартирного звонка.

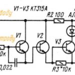
И еще одно применение простейшего генератора как преобразователь напряжения для авометра (рис. 3).
В нем колебания генератора, питающегося от основного источника авометра, выпрямляются диодом V3. Выпрямленное напряжение сглаживается конденсатором С1, стабилизируется (стабилитроном V4) и используется как внешний источник питания при измерении авометром больших сопротивлений.
Преобразователь трудно забыть выключить по окончании измерений — ведь в капсюле головного телефона (ТК-67, ДЭМ-4м) постоянно раздается звук. Возможно, читатели найдут иные применения простейшего генератора, работающего на частоте механического резонанса излучателя, и сообщат об этом.





