ПРОСТАЯ ПРИСТАВКА ДЛЯ ЭЛЕКТРОГИТАРЫ
В. НИБУСИН, Радио №2/1964, ст.32
Приставка состоит из самодельного звукоснимателя и предварительного усилителя НЧ. Звукосниматель преобразует механические колебания струн гитары в электрические. Изготовить его нетрудно, для этого па отрезок ножовочного полотна длиной 70 мм (для шестиструнной гитары) нужно намотать 1000—1500 витков провода ПЭЛ 0,05 или ПЭЛ (800, рис. 1,а). Однако таким звукоснимателем можно пользоваться только в тех помещениях, где наводки от сети переменного тока малы. Если же наводки велики, обмотку звукоснимателя нужно сделать из двух половинок, включенных навстречу друг другу (рис. 1,б). Звукосниматель располагают под струнами у голосника на расстоянии 5—10 мм от струн. Для работы звукоснимателя струны нужно периодически один- два раза в месяц намагничивать, проводя по ним магнитом.

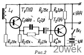
Предварительный усилитель для приставки выполнен на двух транзисторах (рис. 2).

Во входном каскаде применен малошумящий транзистор П10. Усилитель потребляет от батареи карманного фонаря ток 1 ма. Смонтирован он на гетинаксовой плате размером 60 X 40 мм (рис. 3). Усилитель вместе с батареей питания укреплен с нижней стороны грифа инструмента.

Радио №5/1965, ст.60







