ПРИСТАВКИ К МАГНИТОФОНУ ДЛЯ ПРИЕМА РАДИОПЕРЕДАЧ
Е. РЫБКИН, Радио №4/1966, ст.41
Для записи на магнитофон передач радиовещательных станций можно применить транзисторные радиоприемники прямого усиления, выполненные в виде приставки к магнитофону, превращающие любой магнитофон в магнитолу. Достоинства такой приставки: высокое качество звука из-за широкой полосы пропускания приемника и отсутствия помех, шумов и искажений, простота устройства и компактность.
Обе описываемые приставки собраны в пластмассовых коробках от велоаптечки. Соединение с магнитофоном производят коротким проводом со штеккером, включаемым в гнездо «радио» при приеме громкослышимых станций или в гнездо «микрофон» при приеме удаленных станций. Предусмотрена возможность подключения к приставке внешней антенны
Питание приставки осуществляется от батареи «Крона». Одной батареи хватает более чем на месяц работы, а при периодической подзарядке — на четыре-пять месяцев.
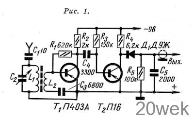
Особенностью схемы, изображенной на рис. 1, является работа детектора при начальном токе смещения, что несколько повышает чувствительность детектора

В схеме, изображенной на рис. 2, введена отрицательная обратная связь по току во втором каскаде. Детектор выполнен по схеме удвоения напряжения. Монтажная схема приставки приведена на рис. 3.

Данные магнитной антенны для выбранного диапазона можно взять из описаний карманных приемников. Для улучшения избирательности катушку магнитной антенны наматывают секциями по 30—40 витков. Расстояние между секциями — 2- 3 мм.

Налаживание приставки заключается в подборе коллекторных токов транзисторов в пределах 1,2-2,5 ма путем изменения сопротивлений резисторов R1 и R3.
Приставки эксплуатировались с магнитофоном «Днепр» на расстоянии 60 км от Москвы. Штеккер приставки включался в гнездо «радио», при этом уровень записи всегда приходилось снижать.





