Приемник на транзисторах с малым В
В. Ковнир, Радио №6/1965, ст. 32
Для приема мощных радиовещательных станций на близких и средних расстояниях чувствительность радиоприемника прямого усиления должна быть не менее 10—15 мв/м. Для достижения такой чувствительности в приемнике обычно используется четыре-пять транзисторов, из которых один — два — в каскадах усиления ВЧ, остальные — в каскадах усиления НЧ, причем в первом случае, как правило, применяются высокочастотные приборы типа П401—П403 с в=60—120, а во втором — приборы типа П13—П15 с в=50—100 (в каскадах предварительного усиления НЧ) и 30—40 (в оконечных каскадах усиления НЧ)
Отсюда ясно, что применение транзисторов с низким В (15—20) в обычной аппаратуре на транзисторах почти исключается и поэтому они не находят применения ни в промышленных, ни в любительских конструкциях.
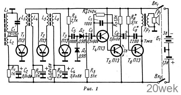
Чтобы рационально использовать усилительные свойства таких транзисторов в широкой полосе частот, была разработана схема приемника прямого усиления, во всех каскадах которого использованы транзисторы П13 с в=10—15. Приемник работает в диапазоне ДВ. Схема его показана на рис. 1. Усилитель ВЧ — трехкаскадный (Т1—Т3). Два первых каскада работают на апериодическую индуктивную нагрузку, третий — на активную нагрузку, Транзисторы первых трех каскадов включены по схеме с общей базой для постоянного и переменного тока. При этом разброс величин В транзисторов в пределах 10—200 и Ik=1—30 мка совершенно не сказывается на параметрах усилителя ВЧ.

В усилителе НЧ также три каскада (Т4—Т6). Схема его обычная, поэтому усилитель НЧ более критичен к параметрам транзисторов. Здесь В не должно превышать 25—30 (минимальное значение 12), а ток IК0 для Т4 должен быть не более 10 мка. Таким образом, и требования к транзисторам, и общее число регулируемых элементов в данном приемнике значительно меньше, чем в других схемах с той же чувствительностью; правда, общее число каскадов оказывается на один—два больше, но суммарная стоимость транзисторов все же значительно ниже, чем в приемниках, собранных по обычным схемам. Усилитель ВЧ никакого налаживания не требует. Магнитная антенна приемника выполнена на ферритовом стержне 600НН диаметром 8 мм, длиной 110 мм. Катушка содержит 300 витков и наматывается в один слой виток к витку проводом ПЭЛШО 0,15. Катушка L2 содержит 2 витка провода ПЭЛ 0,25, размещенных поверх катушки L1 в любом ее месте. Высокочастотные трансформаторы намотаны на кольцах К7Х4Х2 из феррита марки 2 000 НМ. Обмотка L3 содержит 100 витков, L4—9, L5—130 и L6—10 витков провода ПЭЛШО 0,15. Громкоговоритель взят марки 0,1 ГД-6. Выходной трансформатор может быть взят от любого промышленного транзисторного приемника, при этом отвод от средней точки первичной обмотки не используется. Особенностью схемы является то, что при использовании в приемнике трех элементов ФБС или четырех аккумуляторов Д-0,06, один элемент или аккумулятор предназначается для питания цепей эмиттеров транзисторов Т1—Т3. Если же применяется батарея КБС-Л-0,5, то приходится брать отвод от одного элемента. Выключатель питания должен включать две цепи одновременно. Однако эти недостатки компенсируются простотой налаживания приемника, пониженной зависимостью параметров усилителя ВЧ от температуры и питающего напряжения и относительно небольшой стоимостью используемых в приемнике транзисторов.
Радио №9/1966, ст.28
ПИТАНИЕ КАСКАДОВ, СОБРАННЫХ ПО СХЕМЕ С ОБЩЕЙ БАЗОЙ
В журнале «Радио», 1965 г., № 6 (стр. 31, 32) опубликованы две статьи о применении усилителей ВЧ с включением транзисторов по схеме с общей базой по переменному и постоянному току. Недостаток таких усилителей состоит в том, что необходимо иметь две отдельные батареи или одну с отводом для питания цепей эмиттера и коллектора. Этот недостаток можно устранить, подав питание на обе цепи от одной батареи с помощью регулятора напряжения.
Введение регулятора напряжения не скажется на экономичности приемника, так как от источника питания практически потребляется лишь ток, поступающий в нагрузку.

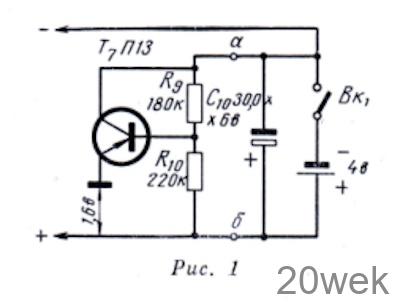
По схеме, приведенной на рис. 1 (см. также стр. 32 журнала «Радио», № 6, 1965 г.), был собран приемник с двумя трансформаторами и одним дросселем ВЧ и регулятором напряжения на транзисторе Т7 — П13.
Ток делителя R9—R10 регулятора напряжения выбирается из соображения экономичности и температурной стабилизации. Для получения максимальной экономичности величина его может быть порядка 10 мка. В этом случае при напряжении смещения, равном 1,6 в, R9 -180 ком, R10=220 ком.
Налаживание регулятора производится следующим образом. После того как весь приемник собран на монтажной плате или плате для макетирования и установлен режим усилителя НЧ (режим устанавливается при отключенном усилителе ВЧ), вместо делителя (см. рис. 2) ставится переменный резистор Rn— 50 ком или 500 ком, в зависимости от принятого напряжения питания цепи коллектора и тока делителя. Магнитную антенну отключают (замыкают накоротко конденсатор С1), между плюсом источника питания и эмиттером транзистора Т7 включают высокоомный вольтметр, ручку переменного резистора устанавливают в среднее положение. После этого включают питание и, вращая ручку резистора Rn, по вольтметру устанавливают необходимое напряжение смещения. После этого питание выключают и замеряют сопротивление между точками 1—2 и 2—3, подбирают соответствующие постоянные резисторы и впаивают их в схему вместо переменного резистора (между точками 1—2 ставят резистор R9, а между точками 2—3 — R10).
Если нет высокоомного вольтметра, налаживание регулятора напряжения можно производить на слух при включенной магнитной антенне. Для этого, установив переменный резистор Rn и включив питание, приемник настраивают на ближайшую радиостанцию и, вращая ручку резистора в обе стороны от среднего положения, добиваются ясного и громкого звучания. После этого нужно замерить величину сопротивления между точками 1—2 и 2—3 переменного резистора и установить вместо него постоянные резисторы





