Прибор ОМП-1 для обнаружения металлических предметов
А. Зотов, В. Харин, Радио №9/1965, ст. 45
Во время городских и полевых геодезических съемок топографам и геодезистам часто Приходится отыскивать геодезические отметки. Последние иногда находятся под слоем грунта, что затрудняет их обнаружение. Если организация имеет подземное хозяйство, возникает необходимость определять под слоем грунта или снега местонахождение крышек колодцев.
Прибор ОМП-1, описание которого приведено ниже, призван облегчить решение этих задач. При испытаниях прибор обнаруживал под слоем грунта пункты полигонометрии на расстоянии 0,3—0,4 м, крышки колодцев — на расстоянии 0,8—1 м.
Принцип работы прибора ОМП-1 . основан на том, что частота генератора изменяется, если поисковая катушка приближается к металлическому предмету. Чем ближе поисковая катушка к металлическому предмету, тем больше возрастает частота генератора. Следовательно, регистрируя каким-то образом изменение частоты генератора, можно отыскать металлический предмет. При этом максимальное изменение частоты соответствует минимальному расстоянию между поисковой катушкой и металлическим предметом. Изменение частоты генератора можно регистрировать на слух (используя метод биений) или же визуально.

Если между генератором с выносной поисковой катушкой и усилителем постоянного тока включить соответственно настроенный ФСС (фильтр сосредоточенной селекции), то при изменении частоты генератора будет меняться амплитуда, а следовательно, и коллекторный ток транзистора Т3. В коллекторную цепь Т3 включен прибор на 200 мка.
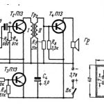
Принципиальная схема прибора ОМП-1 представлена на рис. 1, а. Генератор синусоидальных колебаний выполнен на транзисторе Е1 по трехточечной схеме. Рабочая точка определяется делителем напряжения R1, R2и сопротивлением R3. Кроме относительно высокой стабильности частоты, амплитуды и хорошей формы колебаний, генератор имеет еще одно преимущество: в нем используется несекционированная поисковая катушка. Конденсатор переменной емкости С5 позволяет изменять частоту генератора от 430 кгц до 500 кгц. Изменяя емкость С5, можно выбрать оптимальное расположение рабочей точки на частотной характеристике ФСС (на участке наибольшей крутизны), это соответствует максимальной чувствительности прибора. Синусоидальное напряжение генератора через сопротивление R4 поступает на ФСС, настроенный на частоту 445 кгц

Так как усилители ПЧ в радиоприемниках настроены на 465 кгц,то работающий прибор не создает помех. В приборе использован ФСС, применяемый в радиоприемнике «Атмосфера-2М». С помощью подстроечных сердечников его контуры перестраивают на рабочую частоту прибора (445 кгц), не изменяя намоточных данных катушек. В приборе можно использовать ФСС и от других радиоприемников. Предпочтительно применять контурные — катушки высокой добротности, например ФСС карманных радиоприемников «Топаз-2» и «Сокол».
Схема, изображенная на рис. 1, б, отличается от первой схемы (рис. 1, а) дополнительным вторым каскадом, что позволяет получить более высокую чувствительность прибора. Налаживание прибора. Правильно собранный генератор начинает генерировать сразу, и его налаживание заключается лишь в подборе такой емкости конденсатора С4, при которой частота генерации приблизительно равна 445 кгц. При этом ротор конденсатора переменной емкости С5 необходимо установить в среднее положение. Частота была измерена прибором 43-7, который через сопротивление в несколько килоом был подключен к выводу эмиттера транзистора Дик общему плюсовому зажиму. Для настройки ФСС необходимы ГСС-6 и измеритель выхода (прибор чувствительностью 200 мка). Настройка аналогичных приборов описана в журнале «Радио» № 8, 1960 г., стр. 22.
Поисковую катушку, которая является колебательным контуром, необходимо поместить в электростатический экран. Он выполняется из дюралюминиевой трубки диаметром 12 мм в виде кольца диаметром 390 мм. По внешней окружности кольца ножовкой пропиливают прорезь и укладывают 14 витков провода ПЭЛШО 0,28.
После укладки провод пропитывают парафином и все кольцо обматывают изоляционной лентой или лакотканью. Поисковая катушка соединена с генератором экранированным коаксиальным кабелем, который проходит внутри трубки. Как само кольцо, так и трубка подсоединены к плюсовому зажиму источника питания (две батареи КБС-0,5). Они расположены в одном корпусе с микроамперметром. Ручка настройки (переменный конденсатор С5) выведена наружу через отверстия в дне и крышке корпуса собственно прибора. Переменное сопротивление R14, включенное последовательно с микроамперметром, служит для регулировки чувствительности. При переноске прибора кольцо прижимается к трубке и фиксируется пружинной защелкой. Основные размеры прибора показаны на рис. 2. Монтаж выполнен на гетинаксовой плате (рис. 3) размерами 100X75X2 мм







