ПРИБОР ДЛЯ РЕГУЛИРОВАНИЯ ТЕМПЕРАТУРЫ
К. Ильин, Радио №12/1964, ст.43
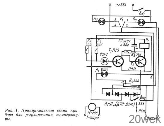
Принцип работы прибора (рис.1) основан на свойстве фотодиода, включенного в цепь базы транзистора Т1 усилителя постоянного тока, изменять свое сопротивление под действием падающего на него света. При нагревании паяльника на установленной на его наконечнике термопаре возникает эдс, под действием которой отклоняется стрелка микроамперметра, проградуированного, .в градусах С. Стрелка отклоняется до тех пор, пока прерыватель, установленный на стрелке микроамперметра, не займет положения между лампочкой Л1 и фотодиодом ФД-1. В этом положении луч света на фотодиод не попадает, и его сопротивление резко возрастает. Коллекторный ток транзистора Т1 уменьшается, открывается транзистор Т2 (при освещенном фотодиоде он заперт), увеличивается его ток коллектора, срабатывает реле Р1 и его якорь перебрасывается в другую сторону, размыкая контакты 1, 2 и замыкая контакты 3, 4. При этом электропаяльник и лампочка Л3 выключаются, а лампочка Л2 — включается (лампочки служат для визуального наблюдения за работой прибора). При остывании паяльника уменьшается эдс термопары и стрелка микроамперметра начинает возвращаться в первоначальное положение (в сторону нуля). При этом луч света от лампочки Л1 снова попадает на фотодиод, сопротивление которого резко уменьшается. В результате возрастает коллекторный ток транзистора Т1 и запирается гальванически связанный с ним транзистор Т2; якорь реле Рх снова отходит в первоначальное положение, разомкнув контакты 3, 4 и замкнув контакты 1, 2, то есть цепь питания электропаяльника включается снова.

Фотодиод ФД-1 и лампочка Л1 установлены на одном подвижном рычаге, а ось вращения рычага находится на одной линии оси стрелки микроамперметра. Следовательно, в зависимости от положения рычага стрелка может отклоняться слева направо только до луча и, прервав его, снова начнет отходить в левую сторону шкалы. Интервал движения стрелки с прерывателем до луча и обратно является промежутком, в течение которого происходит включение и выключение паяльника, что и обеспечивает автоматическое поддержание заданной температуры.
Питание усилителя осуществляется от выпрямителя, собранного по мостовой схеме, с гасящим сопротивлением R4.
В тех случаях, когда нет необходимости стабилизировать температуру паяльника, прибор позволяет питать его непосредственно от сети 36 в. Для этого выключатель Вк2 ставят в положение «36 в».
Конструкция. Датчиком прибора служит термопара из копеля и хромеля диаметром 0,5—0,8 мм и длиной около 250 мм. Одни концы проводов термопары (горячий спай) укреплены методом расчеканивания на стержне паяльника, в отверстии диаметром 1,5 мм и глубиной 2—2,5 мм. на расстоянии 10—15 мм от жала паяльника. Провода термопары изолированы друг от друга стекло- чулком. Другие концы проводов термопары (холодный спай) соединены с обычным электрошнуром (см. рис. 2). В качестве индикатора использован микроамперметр типа М-265 со шкалой 100 мка и с сопротивлением рамки 500 ом. На стрелке прибора 6 укреплен прерыватель 7, изготовленный из алюминиевой фольги шириной около 5мм. Он приклеен к стрелке клеем БФ-4 После высыхания клея прибор необходимо вновь отбалансировать.
Рычаг 1 прибора изготовлен из латуни толщиной 1,5 мм. На рычаге укреплены лампочка Л1 типа СМ-31 (на 36 в) и фотодиод типа ФД-1. Размещение деталей, установленных в приборе М-265, показано на рис. 2. Размещение остальных элементов в футляре прибора значения не имеет.

Лампочки Л2 и Л3—типа СМ-31. Реле Рх — типа ЭРС-22. Можно применить .и реле другого типа, рассчитанное на ток срабатывания порядка 50 ма.
Проволочное сопротивление R4— 390 ом — типа ПЭВ-10. Отвод а сделан с таким расчетом, чтобы напряжение между этой точкой и точкой б было равно 20 в, которого вполне достаточно для питания лампочки Л1.
Диоды Д1—Д4 — типа Д7 (с любой буквой). Можно применить и диоды других типов, например ДГ- Ц24— ДГ-Ц27, и т. п.
Усилитель и выпрямитель собраны на плате из гетинакса. Транзистор Т2, типа П4Б, установлен на радиаторе. Описания таких радиаторов неоднократно помещались в журнале «Радио».
Налаживание усилителя сводится в основном к подбору величины сопротивления R3 и конденсатора C1 которые подбираются так, чтобы при загораживании светового луча лампочки Л1 прерывателем реле Р1 четко срабатывало и переключало контакты. В случае нечеткого срабатывания реле емкость конденсатора C1 необходимо увеличить. Сопротивление R3 — 51 ком при налаживании целесообразно заменить переменным сопротивлением на 100 ком.
Градуировку шкалы прибора производят либо методом сравнения по контрольной термопаре, либо, поместив рабочую часть паяльника и термометр со шкалой 500° С в пробирку с оловом, показания термометра по мере прогрева олова паяльником переносят на шкалу прибора.
При градуировке шкалы методом сравнения операцию сравнения необходимо повторить два-три раза.
Градуировку шкалы можно заменить рисками на кожухе прибора, которые будут соответствовать определенной марке припоя (см. риски «ПОСК», «ПОС-40», «ПОС-62» на рис. 2).
При работе с прибором сначала включают вилки «Т-пара» и «Выход» в соответствующие гнезда на корпусе прибора, затем включают выключатель Вк1, выключатель Вк2 устанавливают в положение «Авт.»; рычаг 1 устанавливают в положение, соответствующее необходимой температуре (марке припоя). В дальнейшем прибор автоматически поддерживает заданную температуру с точностью в пределах плюс 3° минус 7°С.





