ПОВЫШЕНИЕ ЧУВСТВИТЕЛЬНОСТИ ТРАНЗИСТОРНЫХ ПРИЕМНИКОВ
В. Соболев, Радио №5/1964, ст.28
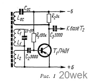
Чувствительность карманных приемников прямого усиления можно значительно повысить, введя в схему положительную обратную связь. Этот способ повышения чувствительности был использован в приемнике, собранном по схеме В. Морозова («Радио» № 5 за 1960 г.). Было проверено два вида положительной обратной связи: нерегулируемая и регулируемая. Схема входной части и первого каскада усиления ВЧ приемника с нерегулируемой положительной обратной связью приведена на рис. 1. Дополнительные детали, введенные в схему, выделены жирными линиями.

Катушка обратной связи Loc наматывается на ферритовом стержне антенны и содержит 5—10 витков провода ПЭЛ-0,3. Величину емкости конденсатора Сос подбирают опытным путем. Вначале ставят конденсатор емкостью порядка 500 пф и добиваются возникновения генерации (если она не возникает, меняют концы катушки Loc). После этого емкость конденсатора Сос подбирают окончательно так, чтобы при ее максимальной емкости генерация еще не возникала. Обычно при числе витков Тос равном 10 емкость Сос оказывается равной 150 пф.
Более удобной схемой, позволяющей регулировать глубину обратной связи в зависимости от мощности принимаемых сигналов, является схема с регулируемой положительной обратной связью. Она отличается от предыдущей только тем, что последовательно с катушкой Аос (между нижним по схеме концом и коллектором транзистора T1) включается переменное сопротивление Rос с величиной около 5 ком. Величины емкости Сос и сопротивления RОс подбираются так, чтобы срыв генерации происходил примерно на середине диапазона регулирования.
В данном случае это достигается при Сос=250 пф и RОС=4,7 ком. В качестве Rос можно использовать любое малогабаритное сопротивление, например типа СПО-0,5.





