Пороговый индикатор для автомобиля
К. КОЛЕСНИЧЕНКО, В. КОЛЕСНИЧЕНКО Радио №5/1984 ст.52
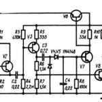
Нередко в системе электрооборудования автомобиля возникают неисправности, которые трудно заметить без измерительных приборов. Если их вовремя не устранить, то могут произойти существенные поломки. Как правило, неисправности электрооборудования сказываются на напряжении бортовой сети и могут быть условно разделены на две группы. К первой можно отнести те, из-за которых напряжение падает ниже 12 В: пробуксовывание приводного ремня генератора, нарушение регулировки реле-регулятора, обрыв цепи одной из фаз генератора или межвитковое за мыкание в его обмотках статора или возбуждения. В другую группу входят неисправности, вызывающие повышение напряжения до 14.8 В и выше: нарушение регулировки реле-регулятора, пробой выходного транзистора электронного или контактно-транзисторного реле-регулятора, обрыв цепи основной обмотки или пригорание контактов вибрационного реле-регулятора. Чтобы своевременно узнавать о характере неисправности, достаточно установить в автомобиле пороговый индикатор, схема которого приведена на рисунке.

Он содержит немного деталей, смонтирован на небольшой плате и подключен к цепям питания и сигнализации тремя выводами: вывод 1 соединяют с массой автомобиля, вывод 3 — с проводом, проложенным от замка зажигания к реле-регулятору (это плюс питания), вывод 2 — с контрольной лампой на 12 В и мощностью 3 Вт, второй вывод которой подключен к массе автомобиля. Индикатор состоит из двух пороговых устройств (каскады на транзисторах VT1, VT2 и стабилитронах VD1, VD2) и исполнительного — на транзисторе VT3 и сигнальной лампе. Работает он так. Когда запускают двигатель и напряжение на зажимах батареи аккумуляторов падает до 12 В и ниже, стабилитроны и транзисторы пороговых устройств закрыты, транзистор VT3 открыт и включенная в его коллекторную цепь сигнальная лампа горит. При работающем двигателе напряжение на зажимах батареи аккумуляторов становится выше 12,2 В, стабилитрон VD2, а вслед за ним и транзистор VT2 открываются. Транзистор же VT3 закрывается, и сигнальная лампа гаснет. Если в системе электрооборудования неисправность, относящаяся к первой группе, лампа будет гореть на всех режимах работы двигателя. Однако свечение лампы может наблюдаться при работе двигателя на холостом ходу с малыми оборотами и отсутствовать, когда обороты увеличивают. В этом случае индикатор укажет на разряженность батареи аккумуляторов или сульфитацию их пластин. При появлении неисправности второй группы (естественно, при работающем двигателе) открывается . стабилитрон VD1, а вслед за ним и транзистор VT1. Последний шунтирует резистор R5, в результате чего стабилитрон VD2 и транзистор VT2 оказывают* ся закрытыми и сигнальная лампа зажигается. Яркость ее свечения будет изменяться прямо пропорционально частоте вращения коленчатого вала двигателя. При налаживании устройства подбором резисторов R1 и R4 устанавливают точное значение напряжения срабатывания пороговых устройств.





