ПЕРЕКЛЮЧАТЕЛИ НА ДИОДАХ
Электронные переключатели не имеют механических подвижных частей, создающих биение и вибрацию контактов, искрения, изменения переходного сопротивления в зависимости от времени. При электронном переключении потребляется меньшая мощность, и само переключение по сравнению с механическим реле занимает меньше времени.
Электронный способ переключения можно использовать в цепях переменного и постоянного тока при различных мощностях и уровнях сигнала.
В рассматриваемых ниже управляющих цепях переключение цепей переменного тока производится с помощью постоянного управляющего напряжения. Бесконтактное переключение может быть осуществлено при помощи транзисторов, диодов, магнитных элементов или комбинацией всех этих элементов. Схемы, в которых в качестве переключателя использован диод, являются наиболее простыми. Использование диодов (обычных и опорных кремниевых полупроводниковых стабилитронов) в качестве выключающих элементов (ключей) основано на свойстве проводить ток только при условии, что потенциал анода выше потенциала катода, то есть в идеальном случае сопротивление диода равно нулю в области проводимости и бесконечно велико в непроводящей области. Реальная характеристика диода отличается от идеальной. После повышения на аноде потенциала выше некоторой величины Е0 по отношению к катоду, ток диода резко возрастает. Такой вид характеристики приближает ее к характеристике выключателя.

На рис. 1 изображена схема простейшей управляющей цепи, с . помощью которой можно включать или отключать переменное напряжение UBX. При подключении к последовательной цепочке R1Д1R2 положительного напряжения Е2, величина которого больше величины максимального напряжения Uвх, сопротивление между точками а и б становится равным обратному сопротивлению диода. В случае применения кремниевых диодов, это сопротивление составляет около десяти мегом и на нагрузке RH переменное напряжение практически отсутствует. При изменении полярности источника постоянного напряжения (переключение на Е1), сопротивление переменному току между точками а и б становится равным нескольким десяткам ом.
Таким образом, при скачкообразном изменении полярности, управляющего напряжения Е сопротивление цепи — для переменного переключаемого напряжения изменится с нескольких мегом до нескольких десятков ом.
Сопротивление R1 и R2 надо выбирать так, чтобы при максимальном переменном коммутируемом напряжении ток через диод всегда был такой величины, при которой рабочая точка находилась бы на линейном участке.
Сумма напряжений Е2 и максимальной амплитуды подаваемого на ключ переменного напряжения Uвх.мах должна быть меньше напряжения пробоя диода (Uобр., указываемая в справочниках на диоды).
Если несколько типов диодов удовлетворяют данным условиям, то следует брать тот диод, который обладает большим обратным сопротивлением.
Затем из вольтамперной характеристики диода (рис. 2) определяют по току границу линейного участка.

В случае, если выход ключа подсоединен к устройству с большим входным сопротивлением (Rн большим 10 ком) сопротивления R1=R2=R находим по формуле

Из формулы видно, что напряжение, при котором открывается ключ (Еi), должно быть больше удвоенного значения максимального входного напряжения.
Емкость конденсатора Сi выбирается исходя из условия 1,7

где, f — минимальная частота переменного напряжения UBX. Емкость конденсатора С2 выбирается из следующего условия

Если сопротивление нагрузки мало, то есть Rн менее 10 ком., то сопротивление R1 выбирается равным Rн, a R2 рассчитывается по формуле

Емкость конденсатора С1 рассчитывается из условия

а емкость конденсатора С2 так же, как и в предыдущем случае.
Входное сопротивление ключа в этом случае равно половине сопротивления нагрузки и его можно увеличить до Rн если вместо сопротивлений R1 и R2 поставить дроссели, имеющие малое сопротивление постоянному управляющему току и большое сопротивление переменному току. Сопротивление дросселя переменному току должно удовлетворять условию

где L индуктивность дросселя в генри.

На рис. 3 показана схема устройства для работы которого необходимо управляющее напряжение одного знака. В моменты, когда ключ находится в положении «Земля», напряжение Ед снимаемое с делителя, состоящего из сопротивлений Rd1 и Яd2, прикладывается в прямом направлении к диоду и ключ замкнут по переменному току. Ток через делитель должен быть в пять-шесть раз больше тока через диод, а величина напряжения Ед должна удовлетворять условию Ед=2Uвх.макс. В моменты, когда переключатель П1 замкнут на источник Е1 к диоду прилагается обратное напряжение Е0бр величиной равной Е0бр=Е1—Ед, запирающей диод и размыкающий ключ по переменному току.

Величина напряжения Е0бр должна быть больше максимальной амплитуды переменного входного сигнала, поступающего на ключ. Ключи изображенные на рис. 1 и рис. 3 можно представить в виде схемы эквивалентной механическому реле (рис. 4).

На рис. 5 изображена схема электронного ключа, который в зависимости от полярности управляющего напряжения Еу замыкает или размыкает по переменному току одну из двух цепей. При подаче отрицательного, по отношению к земле, управляющего напряжения, будут проводить ток диоды Д1 и Д2. При этом в месте соединения всех диодов в случае равных сопротивлений плеч создастся напряжение F0 равное

которое прикладывается в обратном направлении к диодам Дз и Д4, запирая их. В этой схеме максимальная амплитуда Uвх1 должна быть меньше величины запирающего напряжения Е0. Переменный ток от напряжения Uвх1 в каждый момент времени в одном из диодов увеличивает ток, а в другом уменьшает. Допустим Uвх1 в данный момент положительное и возрастает, тогда ток диода Д1 будет увеличиваться, а Д2 уменьшаться и напряжение Uвых1 будет возрастать. Во время отрицательного полупериода входного напряжения ток через диод Д1 уменьшится, а через диод Д2 увеличится и напряжение UBblxl уменьшится.
Если на переключатель подать вместо отрицательного положительное напряжение Ev, то будут проводить Дз и Д4, а диоды Д1 и Д2 окажутся запертыми. Следовательно, Uвх2 будет проходить на выходные зажимы UBыX2, а на зажимах UВЫХ1 напряжения не будет. Работа диодов Дз и Д4 аналогична работе диодов Д1 и Д2 в открытом состоянии.

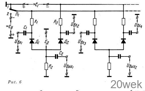
На рис. 6 изображены две группы управляющих цепей, работающих на переключение переменных напряжений. Если напряжение Еу равно нулю, что соответствует тому положению переключателя П1, который изображен на рисунке, то диод Д1 закрыт напряжением Е2, получаемым в результате деления напряжения Е1 между сопротивлениями R2 и Rз Для надежного запирания диода Д1 должно удовлетворяться следующее условие:

При переключении П1 в положении 2 диод Д1 открывается, а диод Д2 закрывается управляющим напряжением Еу. Для надежного запирания диода Д2 напряжением Еу, напряжение Е2 должно быть при переключении в положение 2 равно

Таким образом в рассмотренной управляющей цепи, в зависимости от положения переключателя П1, мы имеем с выхода либо напряжение UBX1, либо напряжение UBX2, что эквивалентно одной группе контактов реле на переключение. Таких групп можно сделать сколько угодно. Особенно выгодно применение управляющих цепей на переключение при необходимости иметь много коммутационных цепей переменного тока малой мощности.

На рис. 7 представлен электронный ключ, предназначенный для периодического включения и выключения цепи переменного тока, подобно рассмотренному на рис. 1
Этот переключатель требует для своего управления только одного источника управляющего напряжения.
В этом ключе используется та особенность кремниевых полупроводниковых стабилитронов, что они на вольтамперной характеристике имеют большой начальный участок, на котором не проходит ток через стабилитрон. Лишь начиная с некоторого напряжения Е0 (рис, 8) происходит пробой кремниевого стабилитрона и ток резко возрастает.

Как известно, кремниевые опорные диоды — стабилитроны могут работать как диоды, если напряжения прикладываются к нему в прямом направлении, так и как стабилитроны, если напряжение к нему приложить в обратном направлении. Для того, чтобы опорный кремниевый диод проводил только в одном направлении, а именно в том, при котором он работает как стабилитрон, последовательно с стабилитроном одноименными электродами подсоединен диод. Последовательную цепочку состоящую из диода Д и стабилитрона Cm рис. 8, а можно представить в виде диода В, рис. 8,6, с идеальной характеристикой, на которую подано напряжение смещение Е0 с внутренним сопротивлением источника Rj представляющим собой сумму сопротивлений диода и стабилитрона. Если управляющее напряжение не подано, то цепочка представляет собой разомкнутую цепь во все моменты времени, когда входное напряжение UBX меньше величины Е0. Отсюда видно, что для получения разомкнутой цепи при снятом управляющем напряжении величина Е0 должна быть больше максимального входного напряжения. Величину Е0 можно выбрать любой, путем подбора типа стабилитрона и последовательного включения нескольких стабилитронов.
Максимальная мощность коммутации переменного напряжения стабили- тронно-диодного ключа ограничена максимальной мощностью рассеивания стабилитронов, приводимой в справочнике на данный тип стабилитрона.
При наличии двух схем подобных схеме на рис. 8, но включенных так как показано на рис. 9, управляющая цепь работает на переключение переменных напряжений. При необходимости можно создать п групп переключения, управляемых одним напряжением Eу.

Схема ключа, состоящая из двух последовательно включенных цепочек, между которыми подается управляющее напряжение Еу рис. 10, подобно переключателю с нейтральным положением. Если на R3 поступает в данный момент положительное напряжение (что на схеме соответствует положению 3 переключателя П1), то поскольку проводящей является цепочка В2Ст2, с выхода снимается напряжение UBblX2. Если на R1 в данный момент не подается управляющий сигнал (положение 2 переключателя П1), то и на выходе- сигнала нет, так как Д1Cт1 и Д2Ст2 являются непроводящими. Когда на R1 будет подан отрицательный потенциал (переключатель П1 в положении 1), проводящей становится цепочка Д1Cm1. Управляющая цепь, представленная на рис. 9. в сочетании со схемами с двумя устойчивыми состояниями (например, триггер или реостатноспусковая схема), представлена на рис. 11, где к обычной схеме триггера на транзисторах подсоединена описанная выше схема ключа рис. 7. Переключение происходит при подаче сигнала запуска на конденсатор С3. Сопротивление R4, включенное в цепь эмиттеров, поддерживает в выключенном состоянии транзистор, который переводится из проводящего в непроводящее состояние, а конденсатор С5 блокирует сопротивление во время переключения, что необходимо для получения максимального усиления транзистора.


В триггере описанного вида в каждый момент времени один транзистор открыт, а другой закрыт, соответственно с этим напряжение на коллекторе одного транзистора приблизительно равно источнику питания Е, а напряжение на коллекторе другого триода близко к нулю. Закрытый транзистор имеет на коллекторе высокий потенциал, вследствие чего цепочка Cm1 и Д1 становится проводящей. Поэтому и на выходе мы имеем соответствующее переменное напряжение. Таким образом в описанной схеме управляющее напряжение, которое переключает реле, должно быть в виде импульса. Если генераторы е1 и e2 неизменны, то схема аналогична известной схеме «памяти», применяющейся в цифровых счетно-решающих устройствах, но с выхода выдается переменное напряжение, характеризующееся разной амплитудой, фазой или частотой, что в ряде случаев более выгодно, так как стабильное усиление по мощности по переменному току сделать легче, чем по постоянному току.





