ПЕРЕДАТЧИК ПЕРВОЙ КАТЕГОРИИ
А. Камалягин, Радио №1/1966, ст.18

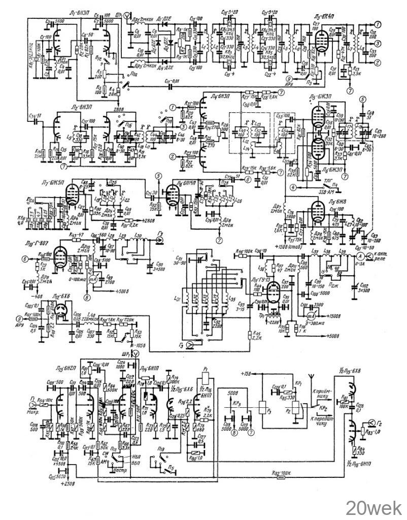
Схема. Блок-схема передатчика приведена на рис. 1, а принципиальная схема — на рис. 2. Напряжение НЧ с микрофона поступает на вход двухкаскадного усилителя НЧ, собранного на лампе 6Н2П (Л13). Выход этого усилителя подключен к катодному повторителю на левом (по принципиальной схеме) триоде лампы 6Н1П (Л14). Усиленное напряжение НЧ с сопротивления R68 нагрузки катодного повторителя подводится к балансному модулятору, собранному по кольцевой схеме на диодах Д2Е (Д1—Д4). Кроме напряжения НЧ, на этот модулятор подается опорное ВЧ напряжение с частотой 312,5 кгц от гетеродина на левом (по схеме) триоде лампы 6НЗП (Л1). Гетеродин стабилизирован кварцем Кв1.


Нагрузкой первого балансного модулятора служит четырехкристалльный кварцевый фильтр на кварцах Кв2—Кв5. Средняя частота фильтра в полосе пропускания равна 314,2 кгц. Фильтр подавляет нижнюю боковую полосу частот не менее чем на 50 дб и несущую частоту— на 25—30 дб. Так как несущая частота ослабляется, кроме фильтра, в балансном модуляторе, общее подавление указанных выше частот составляет — 60—70 дб.
Однополосный сигнал, полученный на выходе кварцевого фильтра, усиливается в однокаскадном усилителе на лампе 6К4П (Л3). К катоду этой лампы при работе CW и AM для восстановления несущей частоты подводится ВЧ напряжение с катодного повторителя на правом (по схеме) триоде лампы 6НЗП (Л1). Повторитель следует за упомянутым выше кварцевым гетеродином. Чтобы уменьшить искажения при работе передатчика и увеличить его среднюю мощность в режиме SSB, каскад на лампе Л3 охвачен АРУ. С усилительного каскада на лампе Л3 напряжение сигнала поступает на вход первого преобразователя, собранного на лампе 6НЗП (Л4) по балансной схеме. В нем складываются или вычитаются частоты двух ВЧ напряжений (далее для упрощения изложения работы передатчика везде приводятся значения несущей частоты для данного рабочего спектра боковых частот). Одна из складываемых или вычитаемых частот равна 312,5 кгц, а вторая может быть выбрана оператором по его усмотрению, смотря по необходимости работы в режиме SSB на верхней или нижней боковых полосах частот. Вторая частота получается в результате умножения основной частоты, генерируемой кварцевым гетеродином на триоде лампы Л1. Умножитель собран на лампе 6НЗП (Л2). При работе на нижней боковой полосе частот (НБП) к первому преобразователю с кварцевого гетеродина подводится напряжение с частотой 1250 кгц, а при работе на верхней боковой полосе частот (ВВП) —1875 кгц
При смешивании указанных выше частот в колебательном контуре L12С49, которым нагружен первый преобразователь, выделяется напряжение частоты 1562,5 кгц. Это напряжение подается на управляющую сетку лампы 6ЖЗП (Л5) второго преобразователя частоты. Одновременно на катод лампы Л5 с генератора плавного диапазона (ГПД), собранного на лампе 6Ж8 (Л9), через катодный повторитель на лампе 6ЖЗП (Л6) поступает ВЧ напряжение, частоту которого можно плавно менять в диапазоне 4560— 5560 кгц. Во втором преобразователе из частоты напряжения ГПД вычитается частота напряжения, полученного после первого преобразователя (1562,5 кгц). Благодаря этому на выходе второго преобразователя выделяется напряжение с частотами, лежащими в диапазоне 3000—4000 кгц, которое подается на управляющую сетку лампы 6П15П (Л8) третьего преобразователя частоты. К этой же сетке лампы Л8 подключены контуры L19—L22 анодной нагрузки стабилизированного кварцами генератора на четыре фиксированных частоты: 4, 11, 18 и 25 Мгц. Один из анодных контуров (L19) настроен на основную частоту кварца, а остальные — на гармоники. В генераторе применена лампа 6Ж5П (Л7). На анодной нагрузке третьего преобразователя — контурных катушках L23—L26 в результате сложения двух перечисленных выше частот выделяется напряжение, частоты которого лежат в пределах любительских диапазонов 7, 14, 21 и 28 Мгц. При работе в диапазоне 3,5 Мгц анодное напряжение от лампы Л7 отключается и каскад третьего преобразователя превращается в усилитель напряжения, поступающего со второго преобразователя. Нагрузкой лампы Л8 в этом случае служит сопротивление R94.
Дальнейшее усиление напряжения на частотах любительских диапазонов производится в предвыходном каскаде на лампе Г-807 (Л10), которая работает в классе АВ1 с углом отсечки 0=120°. В качестве анодной нагрузки каскада применен П-фильтр С87L28—L30С90, ЧТ0 позволяет Использовать каскад в качестве выходного при работе с малой выходной мощностью (QRP), равной 15—17 Вт (кроме диапазона 28 Мгц, где она составляет 8—10 Вт).
Выходной каскад передатчика собран на лампе ГУ-13 (Л11), которая работает в классе АВ2. Напряжение к сеточным контурам L31—L35 этого каскада подводится от предвыходного каскада при помощи коаксиального кабеля РК-1 любой длины. Выходной каскад нагружен П-фильтром С99L37—L39С102. Он нейтрализован. Нейтрализация осуществляется путем подачи через конденсаторы С96 и С93 противофазного ВЧ напряжения с анода на управляющую сетку лампы ГУ-13. Степень нейтрализации при налаживании передатчика подбирается при помощи регулировки конденсатора переменной емкости С93.
Напряжение АРУ для регулирования усиления лампы Л3 получается путем выпрямления в каскаде на лампе 6Х6С (Л12) ВЧ напряжения, снимаемого с делителя, включенного в анодную цепь лампы ГУ-13 (Л11).
Передатчик снабжен устройством для автоматического включения и выключения при помощи голоса оператора. Это устройство работает следующим образом. Когда оператор начинает говорить в микрофон, напряжение НЧ с выхода второго каскада усилителя НЧ подается на сетку правого (по схеме) триода 6Н1П (Л14). В каскаде, собранном на этом триоде, напряжение НЧ дополнительно усиливается. Затем усиленное напряжение выпрямляется левым (по схеме) диодом лампы 6Х6С (Л15). Выпрямленное напряжение с сопротивления нагрузки R75 поступает на сетку левого (по схеме) триода лампы 6НШ (Л16), работающего в каскаде усиления постоянного тока. Анод триода нагружен обмоткой реле РПН (Р1). При срабатывании этого реле через его контакты KP1 поступает питание на обмотку переключает антенну с входа приемника на выход передатчика, а вторая замыкает цепь питания реле Р3. Последнее, срабатывая, через свои контакты КР3 включает питание на аноды ламп Л2Л3Л4Л5Л6) и экранирующую сетку лампы Л10.
Чтобы передатчик случайно не включился во время приема корреспондента, в устройство автоматического включения введена система блокировки. Напряжение НЧ с выхода приемника подводится к сетке правого (по схеме) триода лампы 6Н1П (Л16). Усиленное напряжение выпрямляется правым (по схеме) диодом лампы 6Х6С (Л15), в отрицательной полярности подается, на сетку триода усилителя постоянного тока и запирает его. Таким образом до конца приема корреспондента реле Р1 не может сработать, а передатчик — включиться.
Манипуляция передатчика при работе CW осуществляется с помощью электронного реле, схема которого представлена на рис. 3. Электронное реле работает следующим образом. Во время пауз в передаче (когда телеграфный ключ не нажат) лампа 6П1П (Л17) электронного реле заперта большим отрицательным напряжением, которое подается на ее управляющую сетку с специального выпрямителя. Так как лампа Л17 включена в катодную цепь лампы Л5, то и последняя будет также заперта. При нажатии ключа отрицательное напряжение на Л17 уменьшается и эта лампа, а также Л5 открываются.

Конструкция. Передатчик имеет блочную конструкцию и состоит из четырех блоков. В отдельных блоках смонтированы возбудитель, выходной каскад, усилитель НЧ и устройства автоматики, выпрямитель питания
Шасси возбудителя имеет размеры 440X440X140 мм, а передняя панель— 485X280 мм. Вид передней панели и шасси возбудителя показан на рис. 1.

Размеры шасси блока выходного каскада — 485X400X200 мм, а блока усилителя НЧ и устройств автоматики 300X250X80 мм.
Данные катушек передатчика приведены в табл. 1. Накальный трансформатор Tp1 лампы выходного каскада ГУ-13 (Л11) имеет сердечник сечением 6,6 см2. Сетевая обмотка этого трансформатора содержит 1600 витков провода ПЭВ 0,3 мм, а накальная — 85 витков провода ПЭВ 1,4 мм.

Налаживание. Как обычно, сначала проверяют монтаж и режимы работы ламп передатчика, основные из которых даны в табл. 2.

Для упрощения налаживания возбудителя следует предварительно настроить на необходимые частоты все его контуры при помощи ГИРа. После этого на передатчик подают питание, проверяют стабильность работы кварцевого генератора на левом (по схеме) триоде лампы 6НЗП (Л1) и подстраивают катушки L9L10L11 контуров умножителя частоты по максимальным показаниям лампового вольтметра, который подключается поочередно к сеткам обоих триодов лампы первого преобразователя 6НЗП (Л4). Настраивая катушки L9L10L11, необходимо добиться равных напряжений на сетках триодов лампы Л4 при работе второго каскада умножителя (переключатель П1 в положении «НБП» или «ВВП»). После настройки умножителя ламповый вольтметр присоединяют к управляющей сетке лампы 6ЖЗП (Л5), переключатель П1 устанавливают в положение «CW» и подстраивают катушки L12L13L15 по максимальным показаниям вольтметра.
Окончив подстройку катушек L12L13L15, переходят к налаживанию балансного модулятора и четырехкристального кварцевого фильтра. Ламповый вольтметр остается присоединенным к управляющей сетке лампы Л5. Лампу 6Ж8 (Л9) генератора плавного диапазона вынимают из панели. Переключатель П1 устанавливают в положение «НБП» или «ВБП». На вход балансного модулятора (гнездо разъема ШР1) от звукового генератора подают напряжение частотой 1000 гц, величиной 0,54-1,0 в и катушки L1L2L3L4L5L6 трансформаторов кварцевого фильтра настраивают до получения максимальных показаний вольтметра. Затем вольтметр переключают на измерение минимальных напряжений, отключают звуков вой генератор от гнезда разъема ШР1 и вращают движок потенциометра до минимальных показаний прибора. Добившись таким образом максимального подавления несущей частоты, вновь подключают к гнезду ШР1 звуковой генератор и возобновляют подачу напряжения звуковой частоты на балансный модулятор. Изменяя частоту звукового генератора от 50 до 4000 гц, строят характеристику полосы пропускания кварцевого фильтра. При точной частоте основного кварцевого генератора (312,5 кгц) и правильно налаженном кварцевом фильтре его полоса пропускания простирается от 200-250 гц до 3100 — 3200 гц. Напряжения частот ниже и выше указанных должны быть ослаблены на 30-40 дб. При резком уменьшении напряжения в середине полосы пропускания фильтра следует вращать роторы подстроечных конденсаторов С18 и С21, стремясь максимально увеличить напряжение на этих частотах.
Затем переходят к регулировке генератора плавного диапазона и сопряжению его с вторым преобразователем. Для этого ламповый вольтметр подключают к управляющей сетке лампы 6П15П (Л8), переключатель П1 устанавливают в положение «CW», а переключатель П2 — на диапазон 80 м. Сначала подгоняют диапазон ГПД (4562,5— 5560,5 кгц). Для этого используют правильно отградуированный связной КВ приемник или гетеродинный волномер. Подгонку производят при помощи подстроечных конденсаторов С81 и С82. Окончив подгонку, сопрягают с ГПД контуры второго преобразователя L17C59C60 и L18С61С62 так, чтобы диапазон частот на выходе этого преобразователя составлял 3000 -4000 кгц (fгпд-fвыхюпервого преобраз). Сопряжение в начале диапазона осуществляется вращением сердечников катушек L17 и L18, а в конце диапазона — подстроечных конденсаторов С60 и Сб2. Сопряжение делают несколько раз — до тех пор, пока показания лампового вольтметра не будут увеличиваться





