Орленок
Н. ИСУПОВ, Радио №6/1967, ст.24
Срапульскпм радиозаводом имении Г. К. Орджоникидзе разработан и осваивается в серийном производстве новый миниатюрный двух диапазонный транзисторный радиоприемник «Орленок». От выпускаемых нашей промышленностью приемников он отличается небольшим весом, весьма малыми размерами, экономичным питанием, хорошим качеством звучания и достаточно высокими электрическими и эксплуатационными параметрами.

Приемник рассчитан для работы в диапазонах длинных волн (ДВ) 735—2000 м (408—150 кгц) и средних волн (СВ) 187—571,2 м (1605— 525 кгц). Максимальная чувствительность не хуже 4 мв/м. Избирательность по соседнему каналу, при расстройке на +-1кГц, не менее 16 дб. Ослабление зеркального канала не менее 20 дб. Промежуточная частота 465-+2 кгц.
Питание приемника осуществляется от двух дисковых аккумуляторов типа Д-0,1, включенных последовательно. При этом номинальная выходная мощность составляет 40 мвт, а максимальная — 80 мвт. Коэффициент нелинейных искажений по всему тракту не превышает 8%.
В приемнике предусмотрена возможность подключения телефона или дополнительного громкоговорителя (вместо основного).
Нормальная работа приемника обеспечивается в диапазоне температур от —10° до +45° С.
Размеры приемника 78х52Х25 мм, вес с источником питания 120 г
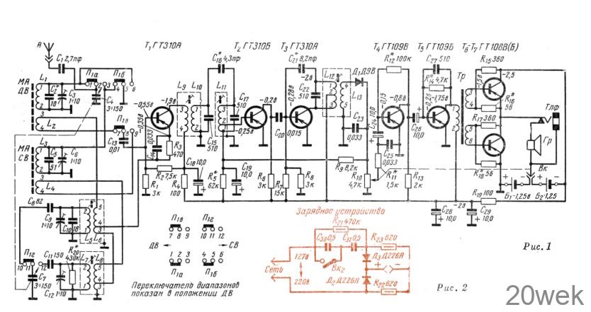
Принципиальная схема приемника приведена на рис. 1. В целях уменьшения размеров приемника и упрощения налаживания, входные контуры диапазонов ДВ и СВ размещены на двух раздельных плоских стержнях из феррита марки Ф-600. Конструктивно магнитные антенны расположены близко друг к другу, поэтому чтобы исключить их взаимное влияние, входной контур неработающего диапазона закорачивается переключателем П1б.

Преобразователь частоты и гетеродин собраны на одном транзисторе Т1 типа ГТ310А. Для входного сигнала транзистор включен по схеме с общим эмиттером, а для сигнала гетеродина — по схеме с общим коллектором. Напряжение сигнала на базу Т1 подается через катушки связи L2, L4 входных контуров, а напряжение гетеродина с отводов катушек связи L6, L8 гетеродинных контуров — на эмиттер этого же транзистора.
Нагрузкой преобразовательного каскада является двухконтурный фильтр ПЧ (L10С15 и L11С17), который позволяет получить избирательность по соседнему каналу до 20 дб.
Усилитель ПЧ двухкаскадный: первый каскад — реостатный на транзисторе Т2 типа ГТ310Б, второй — нейтрализованный резонансный на транзисторе Т3 типа ГТ310А. Связь первого каскада усилителя ПЧ с ФПЧ автотрансформаторная (L11), выбрана из условия согласования выходного сопротивления фильтра со входным сопротивлением усилительного каскада. В качестве нагрузки второго каскада усилителя ПЧ используется широкополосный контур с полосой пропускания около 50 кгц. Связь контура с транзистором — автотрансформаторная, с детектором — трансформаторная.
Для автоматической регулировки усиления (АРУ) используется постоянная составляющая тока диода Д1. С помощью АРУ регулируется ток базы транзистора первого каскада усилителя ПЧ.
Усилитель НЧ трехкаскадный. Его первый каскад собран на транзисторе ГТ109В (Т4), включенном по схеме с общим эмиттером. Второй каскад собран на транзисторе ГТ109Б (Т5). Этот каскад охвачен отрицательной обратной связью по переменному току через конденсатор С21.
При низковольтном источнике питания (2,5 в) получить выходную мощность порядка 40 мвт возможно только при недопустимо высоком токе покоя (порядка 15—20 ма) и при использовании выходного трансформатора больших размеров. Нов малогабаритном приемнике эти способы неприемлемы. Схемное решение было найдено в применении в выходном каскаде «Орленка» мостовой бестрансформаторной схемы, которая позволила получить неискаженную номинальную мощность порядка 40 мвт, а максимальную до 80 мет при к. и. д. свыше 60% и при токе покоя не более 10 ма. Плечи моста выходного каскада образованы транзисторами Т6 и Т7 (ГТ108В) и аккумуляторами питания Б1, Б2. Сигнал на базы транзисторов Тб, Т7 подается с раздельных вторичных обмоток согласующего трансформатора Тр. Начальные базовые смещения создаются делителями R15R16 (T6) и R17R18 (T7). В диагональ моста включен громкоговоритель Гр с сопротивлением звуковой катушки 6 ом. При включении телефона в штеккерное гнездо «Тлф» громкоговоритель отключается.
Конструкция, узлы и детали. Приемник собран в прямоугольном разъемномкорпусе из цветного ударопрочного полистирола. Основные органы управления (регулятор громкости с выключателем питания и ручка настройки) находятся на правой боковой стенке корпуса. Шкала приемника расположена на ручке настройки и градуирована в мегагерцах. Движок переключателя диапазонов выведен на заднюю стенку корпуса. Гнезда для подключения антенны и телефона типа ТМ-4 расположены на левой боковой стенке. На задней стенке корпуса имеется люк с крышкой для размещения двух аккумуляторов Д-0,1. Для крепления аккумуляторов в приемнике применена специальная кассета с надежконтакты припаяны непосредственно к печатным проводникам, что упрощает монтаж и налаживание приемника.
В приемнике применены: громкоговоритель типа 0,25ГД-2, миниатюрный двухсекционный блок конденсаторов переменной емкости (3/150 пф), резисторы типа КИМ и МЛТ, конденсаторы КД, КМ, МБМ и электролитические конденсаторы типа ЭМИ-3. Переменный резистор R10 типа СПЗ-З.
Катушки L1—L4 входных контуров намотаны на секционированных каркасах из полистирола, которые надеты на два плоских стержня из феррита Ф-600 с размерами 2,8х11Х48 мм. Катушки контуров ПЧ и гетеродина помещены в ферритовые чашки из материала 1000 НМЗ диаметром 6,1 мм. Сердечник согласующего трансформатора Тр набран из пермаллоевых пластин марки 79 НМ, толщина набора 4 мм. Конструкция, схема соединения обмоток и намоточные данные всех катушек и трансформатора Тр приведены в таблице. На рис. 2 приведена схема устройства для зарядки аккумуляторов Д-0,1, на рис. 3 — размеры каркаса и сердечника трансформатора Тр. Расположение деталей на печатной плате приемника показано на рис. 4, а вид на монтаж с нижней стороны платы — на рис. 5.



