МИКШЕР
Б. МИНИН, Радио №2/1964, ст.35
При воспроизведении музыкальных произведений через усилительные устройства в некоторых случаях возникает необходимость выделить солирующий инструмент или голос, подобрать наиболее приятный тембр звучания и т. п. Для этого применяются так называемые микшеры. Они используются также тогда, когда нужно соединить две разнородных передачи, так например, воспроизвести речь на фоне музыки.

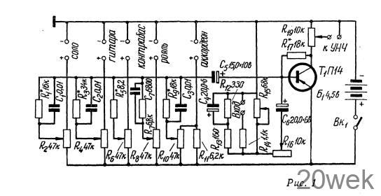
Принципиальная схема простого микшера приведена на рис. 1. Этот микшер предназначен для подключения к звукоусилителям киноустановок, но может быть присоединен и к другим аналогичным усилителям НЧ. Как видно из схемы, микшер состоит из каскада предварительного усиления НЧ, который имеет несколько входов, предназначенных для подключения микрофонов, расположенных около различных музыкальных инструментов, а также вход, позволяющий присоединить к микшеру приемник или магнитофон. Каждая входная цепь имеет глубоко регулируемые корректирующие ячейки и все цепи хорошо развязаны между собой. Это дает возможность осуществить микширование. Потенциометр R1(. служит для подбора соотношения громкостей двух разнородных передач при их смешивании. Микшер имеет низкоомный выход, что позволяет подключить его неэкранированным кабелем к оконечному усилителю, находящемуся на большом расстоянии. Микшер питается от одной батареи КБС-Л-0,5. Конструкция его может быть различной, налаживание сводится к подбору деталей, отмеченных на схеме звездочкой.

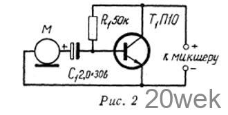
Между микрофонами (МД-41 или другими динамическими) и выходами микшера в непосредственной близости от первых необходимо установить простейшие микрофонные усилители, схема которых показана на рис 2. В этих усилителях применены малошумящие транзисторы П10 типа п—р—п. Можно также использовать р—п—р транзисторы (П14—П16), но при этом необходимо тщательно подобрать экземпляр с наименьшим уровнем собственных шумов. Микрофонные усилители можно смонтировать в подставке микрофона или непосредственно в кабеле. Они питаются от батареи микшера. Поэтому необходимо пометить полярность входных гнезд микшера и вилок микрофонных кабелей или применять для включения микрофонов специальные фишки. Точно также следует поступить с выходными гнездами микшера и вилкой кабеля к оконечному усилителю, так как включение здесь также не безразлично.





