«Лисолов» на 3,5 Мгц
А. АКИМОВ, Радио №1/1967, ст.29
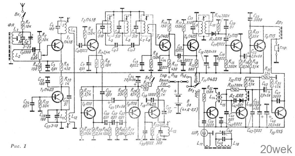
Схема (рис. 1). Приемник содержит усилитель ВЧ, преобразователь с отдельным гетеродином, двухкаскадный усилитель ПЧ, диодный детектор и двухкаскадный усилитель НЧ. Прием телеграфных сигналов может производиться с помощью второго гетеродина (при дальнем поиске) или звукового генератора, колебаниями которого модулируется принятая несущая частота передатчика «лисы» (при ближнем поиске).

Входное устройство приемника состоит из ферритовой антенны ФА, заключенной в электростатический экран, на который намотаны контурная катушка L1 и катушка связи L2, а также штыревой антенны.
Напряжение принятого сигнала с катушки связи L2 подается на базу транзистора П416 (T1) каскада усилителя ВЧ через потенциометр R3. Этот потенциометр одновременно регулирует переменное напряжение сигнала и постоянное напряжение смещения на базе T1. Благодаря этому расширяется диапазон изменения выходного напряжения каскада усилителя ВЧ, что особенно важно для ближнего поиска «лис». Входной контур L1C1C2 и контур в коллекторной цепи Т1 настроены на среднюю частоту диапазона — 3,55 Мгц.
Контур L11C26C27 отдельного гетеродина, собранного на транзисторе П403 (T7), может быть перестроен при помощи конденсатора переменной емкости С27 в диапазоне, позволяющем вести прием на частотах 3,5-3,7 Мгц. Преобразовательный каскад выполнен на транзисторе П416 (T2). Связь преобразователя с гетеродином — индуктивная. Нагрузкой преобразователя служит фильтр сосредоточенной селекции (ФСС) L5—L7 С8—С12. Промежуточная частота приемника выбрана равной 465 кгц.
Двухкаскадный усилитель ПЧ на транзисторах П403 (T3Т4) собран по каскодной схеме (общий эмиттер — общая база). Такой усилитель работает очень устойчиво и не склонен к самовозбуждению.
Схемы детектора на диоде Д9В (Д1) усилителя НЧ на транзисторах П15 (T5Т6) обычные и особенностей не имеют. Выход усилителя НЧ нагружен низкоомными головными телефонами (R= 130 ом).
Точно также не имеют особенностей схемы второго гетеродина на транзисторе П403 (Т10) и звукового генератора на транзисторах П16 (T8T9).
В общем футляре с приемником сигналов «лис» находится также простой приемник прямого усиления, настроенный на местную или другую хорошо слышимую широковещательную радиостанцию. Этот приемник служит в качестве радиокомпаса для ориентировки «охотника» на закрытой местности, особенно в промежутках между циклами работы отыскиваемой «лисы». Он собран на одном транзисторе П403 (Т11), двух транзисторах П15 (Т12 Т13) Диоде Д9В (Д2) и выключается по мере надобности выключателем Вк3.
Приемник питается напряжением 5 в от четырех аккумуляторов типа Д-0,2. Возможно применение других источников питания с напряжением 3,7—6 в без каких-либо переделок приемника.

Конструкция и детали. Приемник размещен в футляре размерами 226 X 56 X 30 мм из дюралюминия толщиной 1,5 мм. Детали приемника смонтированы на гетинаксовой плате. Расположение деталей показано на рис. 3. Соединительные проводники и выводы деталей вставляют в пистоны, укрепленные в отверстиях платы и пропаивают. Можно также сделать печатную плату

Ферритовая антенна ФА, заключенная в электростатический экран, и намотанные на нем катушки L1 и L2 отделены от платы с деталями экранной перегородкой. Стержень антенны радиокомпаса с намотанны- ными на нем катушками L17L18 и конденсаторами С48С49 укреплен на штепсельной части вращающегося штепсельного разъема. Гнездовая часть этого разъема находится на боковой стенке футляра (см. рис. 2). Ферритовые стержни обеих антенн имеют проницаемость р. = 600. Длина стержня антенны основного приемника 160 мм, антенны радиокомпаса — 80 мм, длина штыря — 400 мм.
Электростатический экран ферритовой антенны ФА изготовляют из листовой латуни толщиной 0,2 мм (рис. 4). От листа такой латуни отрезают пластинку размерами 53 X 24 мм, из которой делают незамкнутую трубку с внутренним диаметром, равным диаметру стержня антенны, и зазором шириной 3-?4 мм по всей длине трубки.

