Каскодный усилитель ПЧ
Э. СЫРНИКОВ, Радио №4/1966, ст.29
Усилитель имеет следующие основные параметры. Полоса пропускания на уровне 3 дб порядка 7 кгц при слабом сигнале и порядка 10—12 кгц при сильном сигнале. Средняя частота полосы пропускания 465 кгц. Ослабление по соседнему каналу (при расстройке на +10 кгц) около 40 дб. При подаче на вход усилителя напряжения ПЧ 5 мкв напряжение НЧ на сопротивлении нагрузки детектора (резистор R11) составляет 0,15 в (при коэффициенте модуляции 30%). Система АРУ обеспечивает изменение напряжения на выходе в пределах 6 дб при увеличении входного сигнала на 60 дб. Напряжение питания 6—7 в, потребляемый ток 5 ма

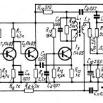
Принципиальная схема усилителя приведена на рис. 1. Усилитель состоит из двух каскадов ПЧ, собранных по каскодной схеме, и эмиттерного повторителя НЧ (он же усилитель АРУ), собранного по схеме составного транзистора. Нагрузкой первого каскада является четырехконтурный фильтр сосредоточенной селекции (ФСС), имеющий неполное включение со стороны входа и выхода. Нагрузкой второго каскада служит контур L5C10 с очень низкой добротностью, имеющий резонансную частоту 465 кгц. С обмотки связи L6 напряжение ПЧ поступает на диодный детектор (Д1), нагрузкой которого является очень высокое (порядка 1 Мом) входное сопротивление катодного повторителя на транзисторах Т5 и T6. В результате шунтирующее действие цепи детектора на контур L5С10 незначительно, поэтому и коэффициент усиления второго каскада сохраняется очень высоким. Напряжение АРУ снимается непосредственно с сопротивления нагрузки НЧ (R11). При отсутствии сигнала или его очень малой величине смещение на базу транзистора Т5 создается только сопротивлением резистора R1о и обратным сопротивлением диода Д1. Поэтому транзистор T6 открыт и на резисторе -R11 имеется напряжение порядка — 5 в, которое через резисторы R1 и Rб создает начальное смещение на транзисторах Т1 и Т3. При увеличении сигнала на выходе детектора возникает положительное напряжение, которое, частично компенсируя начальное отрицательное смещение на базе транзистора Т5, приводит к уменьшению коллекторного тока транзистора T6, а следовательно, постоянное напряжение на резисторе R11 уменьшается по абсолютной величине (до —1,2 в). Это приводит к значительному снижению коэффициента усиления усилителя.
Усилитель собран в медной коробке (листовая медь толщиной 0,2— 0,3 мм), разделенной на четыре секции. Размеры коробки указаны на рис. 2. В первой секции размещается контур L1С3 и первый каскад усилителя, собранный на плате 1 из фольгированного гетинакса размерами 25X30 мм. Плата установлена в коробке в вертикальном положении (см. рис. 2). Во второй секции размещены индуктивно связанные между собой контуры L2C5 и L3C6. Расстояние между центрами катушек L2—L3 14 мм. В третьей секции установлен контур L4C8C9 и в четвертой — второй каскад усилителя с трансформатором L5L6 и детектор с катодным повторителем, собранные на двух вертикальных платах 2 и 3 из фольгированного гетинакса (их размеры такие же, как и платы 1). Сравнительно большие размеры секций объясняются стремлением сохранить добротность контуров ФСС как можно более высокой. При начальной добротности QO=155 добротность контуров в экране Q =130 —135.

Медные перегородки 4 (см. рис. 2) между секциями на 3—4 мм выступают над корпусом коробки. Это сделано для того, чтобы при закрытии секций крышками между ними не было емкостной связи.

Катушки всех контуров ФСС намотаны на трехсекционных каркасах из полистирола. Размеры такого каркаса приведены на рис. 3. Катушки L5, L6 и L7 намотаны на ферритовых кольцах с внешним диаметром 10 мм Намоточные данные всех катушек приведены в таблице

Налаживание усилителя начинают с установки режима первого и второго каскадов по постоянному току подбором величин резисторов R4 и R8. Значения токов и напряжений в режиме молчания приведены на принципиальной схеме. Затем приступают к настройке контуров ФСС методом, изложенным в статье А. Тамман (журнал «Радио» № 7, 1965 г.), предварительно отключив ФСС со стороны входа и выхода. Можно настроить контуры ФСС и без отключения их со стороны входа и выхода. В этом случае сначала настраивают все контуры на 465 кгц по максимуму напряжения на выходе второго каскада усилителя. Затем проверяют ослабление на частотах 455 и 475 кгц и подстройкой контуров L2C5 и L3C6 доводят его до требуемой величины. После этого на частоте 465 кгц подстраивают контуры L1C3 и L4С8С9, проверяя усиление в полосе фильтра. Эти операции повторяют несколько раз до получения требуемой полосы пропускания, ослабления по соседнему каналу и наибольшей чувствительности.
Регулировка системы АРУ заключается только в подборе величин резисторов R1 и R6 так, чтобы они не снижали существенно чувствительность усилителя и обеспечивали достаточную глубину АРУ.
Описанный усилитель благодаря применению каскодной схемы и высокоомной нагрузки детектора, а также экранированию каскадов при сравнительно большом усилении совершенно не склонен к самовозбуждению. Из используемых в усилителе шести транзисторов только один высокочастотный (П402).





