Индикатор мощности для усилителя звуковой частоты
Радио №4/1965, ст. 54
Очень часто интересно знать связь между выходной мощностью усилителя звукового воспроизведения и субъективным восприятием громкости. Почти то же требуется, если надо определить необходимую мощность звуковой установки, включая и громкоговоритель. Кроме того, интересно знать о перемодуляции и резервах мощности.
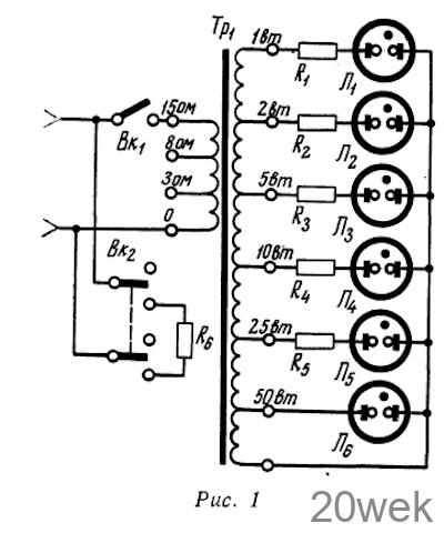
Для этих целей предлагается следующая схема. В цепь вторичной обмотки трансформатора Тр1 включены неоновые лампы. Первичная обмотка трансформатора согласована с выходом усилителя. Как только напряжение в соответствующей цепи достигнет величины потенциала зажигания (70—75 в), лампа загорается. Сигнальные лампы рассчитаны на 110 в, 0,35 ма

Отводы вторичной обмотки выбраны так, что первая лампа зажигается при выходной мощности 1 вт, вторая — при 2 вт, третья — при 5 вт, четвертая — при 10 вт, пятая — при 25 вт и шестая — при 50 вт.
Добавочные сопротивления R1— R5 ограничивают ток, протекающий через лампы, до 0,35 ма, чтобы они потребляли меньше энергии. Точность индикатора на частоте 1000 гц при статистически среднем уровне программы составляет 10%, а на всех остальных частотах в диапазоне 200—2000 гц—20%. Это вполне достаточно для предусмотренной цели.
Индуктивное сопротивление первичной обмотки трансформатора выбрано так, чтобы оно не шунтировало выход усилителя. Индуктивность составляет 0,65 гн.
Прибор нельзя использовать как универсальный ваттметр. Следует избегать непрерывного тона ниже 200 гц, это может вызвать нагревание и ошибочные показания. Эквивалент нагрузки (К6) с выключателем Вк2 позволяет проверить максимальную мощность усилителя, не подключая громкоговоритель





