ГЕНЕРАТОР ШАХМАТНОГО ПОЛЯ
Л. АНДРЕЕВ, Радио №6/1968, ст.32
Для налаживания телевизоров очень удобно пользоваться прибором, позволяющим получить на экране кинескопа изображения белых и черных квадратов, расположенных в виде шахматной доски. При помощи этого прибора можно судить о частоте задающих генераторов строчной и кадровой разверток, линейности изображения по горизонтали и вертикали, а также определять наличие искажений изображения типа «пластика» о «тянучка».
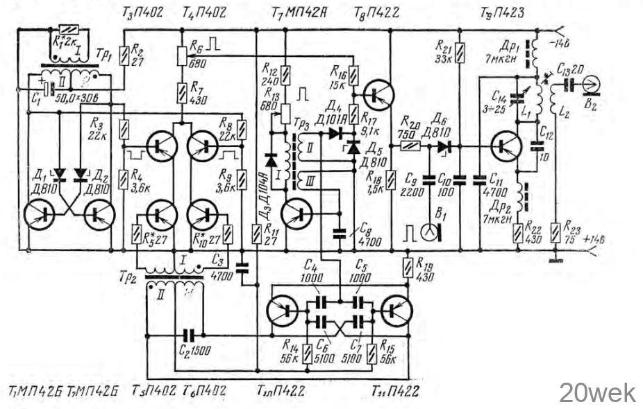
Принципиальная схема такого прибора, доступного для самостоятельного изготовления, рисунке.

Прибор сконструирован с таким расчетом, чтобы при отношении сторон изображения 4 : 3 получить по горизонтали 13, а по вертикали 10 квадрата с шахматного поля. Он имеет два выхода: первый для подключения ко входу видеоусилителя и второй к антенному гнезду телевизора.
Основным узлом схемы является генератор синусоидального напряжения с частотой 208 кгц, выпол- ненный на двух транзисторах П422 (Т10, Т11). Этот генератор управляет работой всех остальных частей прибора. С баз транзисторов Т10, Т11, через конденсаторы С4 и С5 синусоидальное напряжение поступает на блокинг-генератор, собранный на транзисторе МП42А (Т7), который вырабатывает импульсы, длительностью 5 мк.сек, формирующие шахматное поле но горизонтали. Эти импульсы далее поступают на травзистор П4222 (Т8) каскада эмиттерного повторители и с его выхода на ВЧ генератор, в котором применен транзистор П423 (Т9) Последний может быть настроен на частоту любого из первых нити телевизионных каналов.

