ГИР НА ТРАНЗИСТОРЕ
В. СОКОЛОВ, Радио №12/1966, ст.52
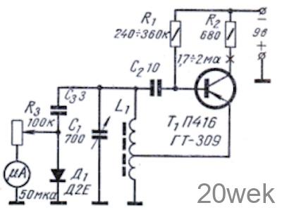
Гетеродинный индикатор резонанса (ГИР) на одном высокочастотном транзисторе перекрывает без переключений элементов контура диапазон частот от 4 до 30 Мгц. Момент резонанса определяется по уменьшению показаний стрелочного индикатора. Напряжение на индикатор подается с диодного детектора, слабо связанного с контуром. Чувствительность индикатора регулируется потенциометром R3.

Для указанного диапазона катушка L1 имеет 5+15 витков, считая от заземленного конца, провода ПЭЛ 0,29, намотанных в ряд на каркасе диаметром 5 мм. Внутрь каркаса вводится сердечник диаметром 2,8 мм и длиной 12 мм из феррита Ф-600. Удобно использовать подстроечный сердечник от горшкообразного карбонильного сердечника СБ-1а, имеющий резьбу.
Конденсатор настройки С1 — фирмы «Тесла», двухсекционный, обе секции соединяются параллельно
Если предусмотреть возможность отключения конденсатора настройки С1 то ГИР можно использовать для измерения малых емкостей (до 700 пф) методом замещения, включая их вместо С1 Шкала прибора в этом случае градуируется как по частоте, так и в единицах емкости.
Использование панельки, например от приемника «Гауя», для включения транзистора Т1 дает возможность проверять транзисторы, вставляя их в панельку на место Т1.
Описываемый ГИР дает смодулированные синусоидальные колебания. При желании можно осуществить модуляцию высокочастотных колебаний звуковой частотой, подавая сигнал от звукоснимателя или от радиотрансляционной линии через конденсатор емкостью 0,01 мкф на базу транзистора. Диапазон можно расширить, изготовив сменные катушки. При расширении диапазона в сторону более низких частот емкость конденсатора С3 следует увеличить до 100 пф





