ГАЛЬВАНОСТАТ
Е. Кучме, Т. Язбутис, Радио №12/1964, ст.45
В современной практике различных химических работ требуется соблюдать гальваностатический режим. Для этой цели и служит разработанный авторами гальваностат (рис. 1). Основное назначение прибора — поддержание строго постоянного тока в электрохимической ячейке

Отличительной особенностью данного гальваностата является широкая область величин стабилизируемого тока (максимальная величина стабилизируемого тока превосходит минимальную величину в 6000 раз) и его универсальность — простым переключением стабилизатор тока превращается в стабилизатор напряжения.
Диапазон стабилизируемого тока от 20 мка до 120 ма разбит на 10 поддиапазонов (см. табл. 1) с плавной регулировкой величины тока внутри каждого поддиапазона. После предварительного прогрева в течение одного часа дрейф тока за шесть часов работы составляет около 0,5%. Кратковременный дрейф (за 30 мин) вызывает изменение стабилизируемого тока на 0,05%. Стабильность тока при изменении сопротивления нагрузки условно может быть выражена величиной эдс эквивалентной батареи с ограничивающим сопротивлением, включенным последовательно с нагрузкой. Для описываемого гальваностата эквивалентная величина эдс равна 25 кв. Изменение напряжения сети на +10% вызывает изменение тока на ±0,5%. В режиме стабилизатора напряжения прибор выдает плавно регулируемые напряжения от 40 до 300 в при максимальном токе от 40 до 100 ма соответственно.
Питание гальваностата осуществляется от сети переменного тока напряжением 220 в, потребляемая мощность до 80 вт. Вес его около 6 кг, размеры 310X 190X225 мм.
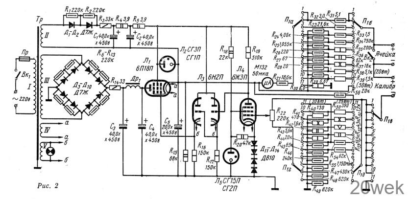
Несмотря на высокие параметры, схема прибора отличается относительной простотой и при правильно выполненном монтаже и точно подобранных сопротивлениях сеточного делителя напряжения почти не требует настройки. Принципиальная схема гальваностата приведена на рис. 2, а его упрощенная схема с выделением цепи тока для одного поддиапазона 0,3—1 ма — на рис. 3.

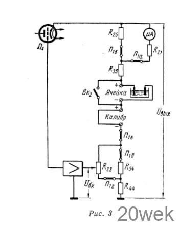
Принцип работы схемы гальваностата (стабилизатора постоянного тока) в своей основе не отличается от принципа работы обычного стабилизатора напряжения. Общим в работе этих приборов является способность выбранной схемы автоматически поддерживать на постоянном уровне входное напряжение U вх усилителя (см. рис. 3). Для этого усилитель автоматически изменяет смещение на управляющей сетке регулирующей лампы Л1 таким образом, что вызывает обратное изменение выходного напряжения Uвых по отношению к изменению напряжения Uвх.

Поскольку «ячейка» включена последовательно с сопротивлениями R22, R44, R54 и схема поддерживает на них постоянное падение напряжения, то и величина тока, одинаковая для ячейки и для указанных сопротивлений, остается постоянной.
Величина стабилизируемого тока устанавливается плавно потенциометром R22 и грубо переключателем П1 при этом потенциометр R22 с соответствующими сопротивлениями R44 и R54 изменяет напряжение Uвых, а сопротивление R35 определяет минимальный ток (при минимальном Uвых) на данном поддиапазоне
Измерение тока, протекающего через ячейку, производится микроамперметром. Стрелка микроамперметра при включенном последовательно с прибором сопротивлении R21 отклоняется на всю шкалу при падении напряжения на соответственно подобранном шунте R22, равном 1 в. При переключении диапазонов чувствительности микроамперметра исключается возможность случайного включения микроамперметра в цепь тока без одновременного подключения шунта.
С целью более точного измерения тока предусмотрены зажимы «Калибр», к которым взамен перемычки можно подключить или более точный измеритель тока, или калиброванное сопротивление и измерять падение напряжения на нем с помощью лабораторного вольтметра.
Тумблер Вk1 замыкает зажимы «Ячейка» при отсоединении ячейки, что позволяет избежать появления высокого напряжения на плюсовом зажиме, которое при разрыве цепи тока достигает более 300 в.
При переключении переключателя П1 в положение «Стабилизатор напряжения» входной делитель напряжения усилителя (R22, R44, R54 И R56) подключается непосредственно к выходу стабилизатора (катод Лг), а один из зажимов «Калибр» заземляется. Тогда при наличии перемычки на зажимах «Калибр» и разомкнутом тумблере Вk2 зажимы «Ячейка» служат выходом стабилизатора напряжения. В этом случае микроамперметр используется как вольтметр.
Усилитель, выполненный на пентоде типа 6ЖЗП Л4 (рис. 2), позволяет получить коэффициент усиления более 300. Для стабилизации работы усилителя при широком изменении величины выходного напряжения ивых питание анодно-экранной цепи осуществляется от дополнительного источника питания (Л2), а напряжение питания экранной сетки дополнительно стабилизировано стабилитроном Л5. Последний служит также источником стабилизированного напряжения для питания кремниевых стабилитронов Д11—Д14, являющихся источником опорного напряжения. Диоды Д11 и Д12, включенные в прямом направлении, уменьшают температурную зависимость напряжения основных диодов Д13 и Д14. Следует отметить, что питание экранных сеток ламп Л1 и Л4 стабилизированным напряжением повышает чувствительность схемы по управляющему напряжению. Для уменьшения сеточных токов, влияющих на величину Uex, напряжение накала лампы Л4 уменьшено на 5% против номинала.
Отличительной особенностью схемы стабилизатора является применение двух каскодно-включенных катодных повторителей (оба триода лампы Л3). Это позволяет работать управляющей лампе Л1 в режиме значительных токов, благодаря чему при меньших напряжениях на участке анод — катод управляющей лампы через нее можно пропустить большой ток.
С целью предотвращения работы лампы Л1 в режиме микротоков, когда резко падает крутизна, включено сопротивление R15, ограничивающее начальный рабочий ток.
Сопротивления R3 и R14 ограничивают токи, заряжающие конденсаторы C1 и С3 в момент включения прибора в сеть.
Силовой трансформатор, выполненный на ленточном броневом магнитопроводе типа ШЛ 20X40, имеет следующие данные обмоток: обмотка I—780 витков провода ПЭВ-2 0,47; обмотка II—955 витков провода ПЭВ-2 0,12; обмотка III—10.35 витков провода ПЭВ-2 0,27; обмотка IV—27 витков провода ПЭВ-2 0,64 и обмотка V—26 витков провода ПЭВ-2 0,59.
Обмотка дросселя Дрг содержит 1800 витков провода ПЭВ-2 0,27, магнитопровод типа ШЛ12Х20.
Монтаж и конструкция гальваностата не имеют никаких особенностей.
С целью уменьшения дрейфа тока, мощности рассеивания сопротивлений делителя входного напряжения указаны с 5—10-кратным запасом, а сопротивлений, ограничивающих ток, с 3—5-кратным запасом. По тем же соображениям желательно, чтобы указанные сопротивления были проволочными. Сопротивления делителя входного напряжения подбираются с точностью 14-2% и ограничивающие сопротивления — с точностью 34-5%.
Примечание редакции. В процессе доводки прибора авторы провели тщательное лабораторное исследование его параметров и режимов работы. Это исследование позволило уточнить некоторые характеристики гальваностата и связанные с ними величины ряда сопротивлений. Приводим измененные данные этих сопротивлений:
R4—2×1,8 ком, 2 вт, включенных параллельно;
R3—1 ком, 2 вт; R18—12 ком, 10 вт; R56—220 ком, 1 вт.





