Электронный стробоскоп на ИФК-120
А. БУДНИКОВ, Радио №12/1966, ст.53
Cтробоскоп прост по конструкции, имеет малые габариты и содержит небольшое количество деталей, поэтому собрать его может даже начинающий радиолюбитель.
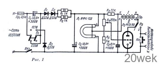
Так как импульсная лампа ИФК- 120, примененная в стробоскопе, обеспечивает сравнительно большую силу света при вспышке, стробоскоп может использоваться в качестве демонстрационного для показа его работы перед небольшой аудиторией. С этой целью стробоскоп снабжен кнопкой разового пуска, при нажатии которой стробоскоп дает отдельные вспышки. Для синхронной работы стробоскопа с каким-либо механическим устройством он имеет выносной шнур для подключения контактов прерывателя, связанного с этим устройством. Переключение режима работы «Стробоскоп» — «Синхроконтакт» производится переключателем П2 (рис. 1).

Прибор «питается от сети переменного тока. Выпрямитель, собранный по бестрансформаторной схеме, при напряжении сети 220 в работает как однополупериодный, при 127 в выпрямитель включается переключателем П1 по схеме удвоения напряжения. Для ограничения силы тока через диоды выпрямителя Д1 и Д2 последовательно с ними включены резисторы R1 и R2, которые желательно заменить одним проволочным остеклованным резистором с мощностью рассеяния 10 вт. Накопительный конденсатор С2 может быть заменен другим, меньшей емкости, при этом уменьшится интенсивность света вспышки, но возрастет срок службы импульсной лампы
Поджигающий импульс высокого напряжения на управляющий электрод лампы ИФК-120 подается от импульсного трансформатора Трг.
При установке переключателя П2 в положение 1 {«Стробоскоп») через резистор R3 конденсатор С3 заряжается от накопительного конденсатора С2. По мере его заряда растет напряжение на аноде тиратрона Л2 (МТХ-90). Когда это напряжение достигнет значения напряжения зажигания, тиратрон зажжется, конденсатор С3 разрядится через первичную обмотку импульсного трансформатора, создавая на вторичной обмотке, имеющей большое число витков, импульс высокого напряжения.
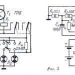
Напряжение зажигания тиратрона зависит от напряжения на его сетке, поэтому, меняя потенциометром R4 напряжение на сетке тиратрона, можно изменять в значительных пределах длительность периода времени между вспышками тиратрона Л2, а следовательно, и импульсной лампы Л1. При указанных на схеме данных частоту вспышек можно изменять в пределах от 5 до 60 вспышек в секунду (300—3600 в минуту). Корпус прибора размерами 80 X 80 X 80 мм изготавливается из листового алюминия. С одной стороны в стенке корпуса сделан круглый вырез для рефлектора, выполненного из разливательной ложки. Внутренняя поверхность рефлектора шлифуется наждачной бумагой и полируется. С противоположной стороны корпуса выведены ручки управления. Расположение деталей показано на рис. 2. Обмотки импульсного трансформатора наматывают на ферритовом стержне от магнитной антенны длиной 15—20 мм между двумя картонными щечками, надетыми на концы стержня. Стержень обматывают двумя слоями конденсаторной бумаги, после чего виток к витку наматывают первичную обмотку 1, содержащую 20 витков провода ПЭЛ 0,42. Обмотку изолируют сверху двумя слоями тонкой лакоткани. Вторичная обмотка II имеет 2500 витков провода ПЭШО или ПЭВ 0,06. Через каждые 200— 300 витков прокладывают слой конденсаторной бумаги.

При большой частоте вспышек могут появиться пропуски вспышек. Для устранения этого явления целесообразно применить в качестве накопительного электролитический конденсатор емкостью 14-10 мкф, установленный дополнительно. Конденсатор С2, емкость которого в этом случае целесообразно увеличивать до 30 мкф, будет использован только в выпрямителе. Между положительными выводами конденсатора С2 и вновь установленного накопительного конденсатора включается резистор с сопротивлением 1 ком





