Электронное зажигание
Радио №3/1966, ст.58
Существует много транзисторных схем зажигания в автомобильных двигателях, Приведенная на рисунке схема транзисторного зажигания отличается отсутствием дефицитных высоковольтных кремниевых стабилитронов, ограничивающих скачки обратного напряжения на транзисторах. Другое преимущество схемы заключается в том, что в ней используется обыкновенная автомобильная катушка зажигания (бобина).

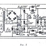
Схема представляет собой один последовательный транзисторный ключ. На каждом транзисторе Т1 Т2 и Т3 получается в этом случае обратное напряжение меньше, чем в схемах с одним и двумя транзисторами
Подбор транзисторов по параметрам не нужен, так как в схеме имеются два переменных резистора в цепи баз транзисторов Т1 и Г2. Ими подгоняется режим этих транзисторов под режим транзистора Т3.
Через резисторы R1, R2 и R3 и развязывающие диоды Д1, Д2 и Д3 подается отрицательное напряжение на базы транзисторов; резистор R4 ограничивает общий ток баз (ток через контакты прерывателя) до 0,75 а. Все транзисторы одного типа 2N174 или советские П4, П207— П210А, а диоды типа 1N91 или Д231 — Д234 или Д310.
Конструктивно схема выполнена на одной алюминиевой панели-теплоотводе размером 70 X 145 и толщиной 3 мм. Все устройство крепится на капоте автомобиля.
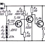
Монтируется система следующим образом: соединяют точку 1 с положительным полюсом аккумулятора на 12 в, точку 2 — с контактами прерывателя, точку 3 — через резистор R8=2 ома с положительным полюсом низковольтной катушки бобины, другой конец катушки — с корпусом. Налаживают систему последовательно при неработающем двигателе
- Точку 2 отключают от контактов прерывателя или между контактами прерывателя вкладывают изоляционную пластинку (чтобы на базы транзисторов не попадало отрицательное напряжение). В этом положении с помощью потенциометров R5 и R6 выравнивают напряжения коллектор-эмиттер на транзисторах Т1 и Т2 так, чтобы на всех трех транзисторах оно было одинаково.
- Соединяют точку 2 с отрицательным полюсом аккумулятора. В этом положении напряжение коллекторэмиттер на каждом из транзисторов должно упасть до 0,3 в. Если они не равны между собой, то подбирают сопротивления резисторов R2 и R3, а если значение этих напряжений отличается от 0,3 в, то подбором сопротивления резистора Д4 добиваются этой величины напряжения при общем токе баз 0,75 а. На этом налаживание системы заканчивается, и она готова к эксплуатации.
Описанная система прошла испытания на грузовых и легковых автомобилях в пробеге на 1600 км. В условия пробега были включены городское движение с многочисленными остановками и запуском двигателя, долгий высокоскоростной перегон по ровной дороге с прямолинейными и наклонными участками, а также по пересеченной местности при условии высокой внешней температуры. Результаты испытаний следующие: контакты прерывателя оказались без изменений (благодаря малому току через них (0,75 а)), зафиксирована чувствительная экономия горючего и улучшение ускорения в момент разгона автомобиля с нормальной загрузкой, удлинился срок использования масла в картере двигателя.






