Цифровой перестраиваемый НЧ генератор синусоидального сигнала с низкими искажениями
Александр Корнев, Радиолоцман №1-2/2024
Различные усилители звука, как микрофонные и предварительные, так и мощные оконечные УМЗЧ, да и различные другие низкочастотные устройства нуждаются при настройке в эталонном гармоническом сигнале постоянной амплитуды и частоты. Поэтому для настройки НЧ приборов необходим тестовый генератор. Такой генератор с достаточно неплохими характеристиками можно сделать самостоятельно.

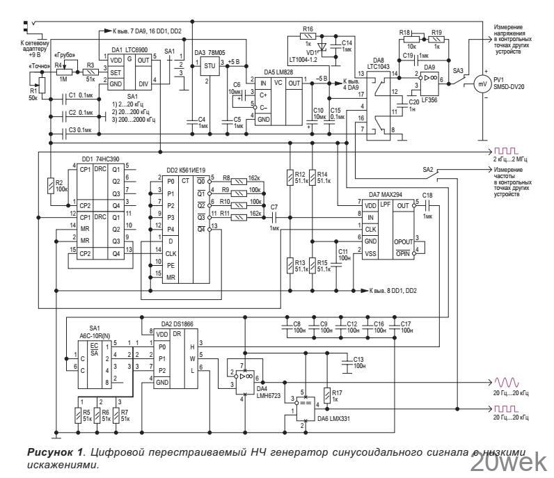
Схема такого генератора изображена на Рисунке 1. Диапазон частот 20 Гц — 20 кГц. Отличительная особенность генератора — достаточно высокая стабильность частоты и амплитуды синусоидального сигнала, низкие искажения сигнала, не превышающие 0.01%, и удобство в работе. В схеме применяется низкочастотная фильтрация тактовых прямоугольных импульсов заданной частоты [1]. Для этого в начале необходимо разделить тактовую частоту до требуемой звуковой частоты, а затем отфильтровать гармоники. Например, прямоугольный сигнал со скважностью 50% содержит только нечетные гармоники (3-ю, 5-ю, 7-ю и т. д.), а их амплитуды уменьшаются с частотой. Амплитуда 3-й гармоники составляет 1/3 амплитуды основной гармоники, 5-й — 1/5 амплитуды основной гармоники и так далее. Сначала с помощью кольцевого счетчика DD2 и цепочки взвешенных сопротивлений R8 — R11 ослабляются не менее чем на 70 дБ нежелательные гармоники входного сигнала с самой высокой амплитудой (ниже 9-й). Эллиптический фильтр нижних частот 8-го порядка с переключаемыми конденсаторами DA7 (MAX294) удаляет большую часть оставшихся гармоник. Граничная частота (частота среза) фильтра DA7 устанавливается входным тактовым сигналом как fCLK/100. Счётчик DD1 делит входящий тактовый сигнал на десять. Второй кольцевой счетчик DD2 также делит частоту на десять, но его выходы суммируются цепью взвешенных сопротивлений, чтобы получить 9-ступенчатую аппроксимацию синусоиды. Этот сигнал дополнительно фильтруется НЧ фильтром DA7, который ослабляет все гармоники ниже уровня шума. Входной тактовый сигнал на входе CLK служит тактовым сигналом для НЧ фильтра DA7, задающим частоту среза фильтра. Для достижения наименьших искажений вход DA7 должен быть смещен на VDD/2, а его входной сигнал ослаблен до пикового значения 2.2 В. Это ослабление достигается с помощью делителя напряжения, состоящего из выходного сопротивления взвешивающей цепи (R12 и R13 параллельно) и входного сопротивления ИС фильтра. Выходной сигнал генератора буферизируется повторителем DA4 (LMH6723), при этом максимальный выходной ток достигает 115 мА. Уровень выходного сигнала устанавливается цифровым потенциометром DA2 (DS1866) с логарифмической характеристикой изменения сопротивления. Двоичный код управления ослаблением сигнала на входах Р0 — Р2 цифрового потенциометра формируется кодирующим переключателем A6C-10R (N). Уровень ослабления сигнала в зависимости от значения кода на входах Р0 — Р2 показан в Таблице 1.

Для контроля выходной частоты генератора используется аналоговый частотомер на основе преобразователя частоты в напряжение на микросхемах DA8 (LTC1043) и DA9 (LF356). При изменении частоты на входе частотомера (вывод 16 DA8) от 0 до 30 кГ ц напряжение на входе (вывод 6 DA9) будет изменяться от 0 до 3 вольт. Выходное напряжение частотомера измеряется 41/2 разрядным встраиваемым цифровым милливольтметром PV1 с диапазоном измерения 0 — 20 В с точностью ±1 мВ. Переключатели SA2 и SA3 позволяют подключать частотомер и милливольтметр к внешним устройствам для измерения частоты и напряжения в контрольных точках этих устройств. Следует отметить, что предлагаемый частотомер можно использовать как встраиваемый в различных других НЧ конструкциях. В генераторе для управления частотой среза НЧ фильтра используется микросхема DA1 (LTC6900), представляющая собой генератор, частота которого, рассчитывается по формуле:

где ND|V принимает значения 100 (SA1 в положении 1), 10 (SA1 в положении 2) и 1 (SA1 в положении 3), а RSET = R1 + R3 + R4. Регулировка частоты генератора выполняется потенциометрами R4 («Грубо») и R1 («Точно»).
Питание прибора осуществляется от внешнего сетевого адаптера +9 В. Параметрический стабилизатор DA3 (78M05) понижает это напряжение до +5 В, обеспечивая питание прибора в целом. Инвертор напряжения DA5 (LM828) формирует напряжение -5 В для получения двуполярного питания ±5 В НЧ частотомера.
В генераторе применяются танталовые оксидные конденсаторы, все остальные — керамические. Резисторы R8 — R15 с допуском по номиналу не более ±1%, все остальные с допуском ±5%. Потенциометры R1 и R4 многооборотные серии 3339 производства Bourns. Настройка прибора не требуется.
Литература
Материалы по теме
- Datasheet Omron A6C-10R
- Datasheet Maxim DS1866
- Datasheet Texas Instruments LF356
- Datasheet Texas Instruments LM78M05
- Datasheet Texas Instruments LM828
- Datasheet Texas Instruments LMH6723
- Datasheet Maxim LMX331
- Datasheet Analog Devices LT1004
- Datasheet Analog Devices LTC1043
- Datasheet Analog Devices LTC6900
- Datasheet Maxim MAX297C/D
- Datasheet Texas Instruments CD74HC390
- Datasheet Texas Instruments CD4018B




