Быстродействующий МНОГОКАНАЛЬНЫЙ КОММУТАТОР
М. Кушнер, В. Юшков, Радио №4/1965, ст. 49
Многие из известных электронных коммутаторов отличаются большой степенью сложности и высоким уровнем коммутационных шумов. В наиболее быстродействующих коммутаторах частота следования импульсов в общеканальных элементах системы не превышает 500 кгц. Большая частота достигается лишь при значительном усложнении схемы.
Многоканальный электронный коммутатор, схема которого приведена на рис. 1, сравнительно прост. Частота следования коммутирующих импульсов достигает 1,0 Мгц, а уровень коммутационных шумов не более 2 мв эфф. Быстродействие и низкий уровень шумов достигнуты в результате применения специальной схемы, высокочастотных транзисторов и электронных ключей с весьма низким уровнем шумов.

Описываемый коммутатор рассчитан на 4 канала. Потребляемая мощность — 260 мет. Диапазон напряжений коммутируемых сигналов от 5 мв до 5 в
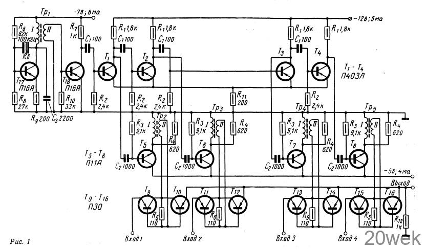
Коммутатор состоит из генератора запуска, генератора коммутирующих импульсов, смещенных относительно друг друга во времени, цепи временных селекторов (электронных ключей), поочередно отпираемых этими импульсами, и канальных согласующих каскадов
В качестве генератора коммутирующих импульсов применен многофазный мультивибратор, выполненный на транзисторах Т1- Т4. На сопротивлениях нагрузки коллекторных цепей этих транзисторов возникают положительные импульсы, сдвинутые между собой по фазе на время т. Последнее определяется постоянной времени цепи R1 С1 R2,

Эти импульсы через переходные конденсаторы С2 подаются на канальные согласующие каскады, собранные по схеме эмиттерного повторителя на транзисторах Т5—Т8.
Согласующие каскады служат для увеличения входного сопротивления электронных ключей. Последнее необходимо, чтобы уменьшить их влияние на работу многофазного мультивибратора. В то же время применение транзисторов типа п-р-п позволяет получить максимальную экономию потребления энергии, так как в каждый момент времени в открытом состоянии находятся лишь два транзистора (без учета генератора запуска). Один транзистор мультивибратора генерирует очередной коммутирующий импульс, другой транзистор соответствующего эмиттерного повторителя открывается этим импульсом.
Согласующие каскады нагружены на первичные обмотки трансформаторов, управляющих работой электронных ключей, в качестве которых применены демодуляторы (Т9—T16).
Электронный ключ каждого канала состоит из двух транзисторов, включенных инверсно, нормально закрытых при отсутствии коммутирующих импульсов. При таком способе включения уровень шумов меньше, чем при прямом включении транзисторов. Применение нормально закрытых ключей создает условия, при которых работа большого количества ключей на общую нагрузку не вызывает ослабления коммутируемого сигнала. Положительные импульсы, генерируемые мультивибратором, поочередно открывают эмиттерные повторители, и на входы ключей со вторичных обмоток управляющих трансформаторов поступают импульсы напряжения, амплитуды которых 0,6-:- 0,8 в. Они периодически переводят ключи из закрытого состояния в открытое. При этом коммутируемые сигналы выделяются на сопротивлении нагрузки. Обмотки трансформаторов I (120 витков провода ПЭЛШО 0,1) и II (15 витков того же провода) намотаны на ферритовых кольцах Ф-1000, наружный диаметр которых 10 мм, внутренний 4 мм, высота 4 мм. Сопротивление ключа в открытом состоянии постоянно, не более 100 ом, в закрытом состоянии оно не менее 1 Мом. Минимальная величина коммутируемого сигнала определяется взаимным влиянием каналов, собственными шумами транзисторов и паразитной емкостью ключа. Так как в описываемом коммутаторе время прохождения импульса по каналу

мксек, а постоянная времени переходных процессов электронного ключа составляет примерно 1 мксек, то уровень коммутационных шумов в основном определяется уровнями коммутирующих импульсов, прошедших на выход ключа через паразитную емкость устройства. Поэтому невозможно получить уровень коммутационных шумов ниже 2 мв зфф. Для запуска многофазного мультивибратора применен кварцованный генератор, работающий на частоте 100 кгц. Генератор, выполненный на транзисторе Т17, генерирует синусоидальные колебания, которые поступают на вход формирующего каскада на транзисторе Т18.
Формирующий каскад преобразует синусоидальные колебания в прямоугольные, которые после дифференцирования запускают генератор коммутирующих импульсов. Предлагаемый коммутатор надежен в работе и практически не требует налаживания





