БАЛАНСНЫЙ СМЕСИТЕЛЬ
В. Демьянов, Радио №12/1965, ст.55
В технике связи, измерительной технике часто возникает необходимость многократного частотного
смешения. Известно, что наиболее чистое смешивание, когда результирующий спектр на выходе наименее засорен комбинационными частотами, достигается с помощью балансных смесителей. Как правило, применяются кольцевые смесители на диодах или же эквивалентные им балансные смесители на лампах и транзисторах. Однако они требуют симметричной подачи смешиваемых сигналов, а некоторые из них имеют симметричный выход. Это требует введения трансформаторов или дополнительных инверсных ламповых и транзисторных каскадов. Трудности получения абсолютно симметричных напряжений особенно на высоких частотах усложняет налаживание этих систем.
Предлагаемые схемы балансных смесителей, обладая всеми достоинствами кольцевых, не требуют симметричного подведения смешиваемых сигналов. Оба входа смесителей одинаковы, несимметричны, низкоомны, входное сопротивление обычно составляет несколько десятков ом. Поэтому чаще всего сигналы на смеситель кеобходймо подавать через буферный каскад или катодный (эмиттерный) повторитель. Выход смесителя несимметричный. Если на выходе включен полосовой фильтр, то необходимо согласовать его с выходным сопротивлением смесителя.
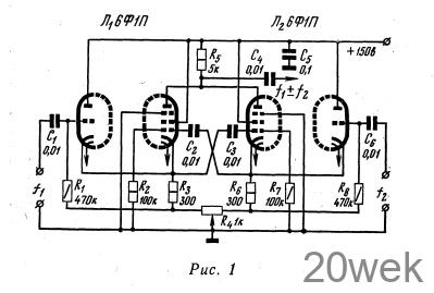
Практическая схема лампового балансного смесителя приведена на рис. 1. Сопротивление R4 служит для балансировки смесителя по максимуму подавления ненужных комбинационных составляющих. Применение пентодов в смесителе необходимо особенно на высоких частотах, чтобы исключить непосредственное прохождение смешиваемых сигналов через проходные емкости ламп.

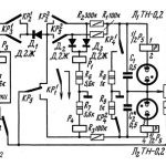
Практическая схема транзисторного балансного смесителя приведена на рис. 2. Сопротивление R4 служит для балансировки смесителя.

На частотах до 20 Мгц удавалось получить усиление в 10—20 раз, по меньшему из смешиваемых сигналов при подавлении комбинационных частот — в 20—30 раз относительно разностной составляющей. На более высоких частотах усиление значительно уменьшается из-за необходимого уменьшения нагрузочного сопротивления смесителя R5..Лучшие результаты смешивания двух сигналов были получены при соотношении смешиваемых амплитуд 1 : 3 и при амплитудах меньшего сигнала 0,1—0,5 в. Температурные испытания транзисторного смесителя показали, что в области температур от —5° до +70°С его параметры не ухудшаются более чем на 5% по сравнению с режимом работы при нормальной температуре +20°C.





