ВЫСОКОВОЛЬТНЫЙ СТАБИЛИЗАТОР
А. ЛУКАШОВ, Б. ЛУКАШОВ, Радио №3/1967, ст.53
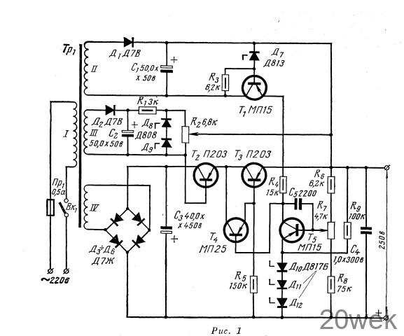
Стабилизатор, схема которого показана на рис. 1, рассчитан на выходное напряжение 250 в при максимальном токе нагрузки 180 ма, его коэффициент стабилизации достигает 1000, кратковременная нестабильность выходного напряжения не превышает ±0,01% за 1 мин. Диапазон стабилизации напряжения 185—245 в, удвоенная амплитуда пульсации при максимальном токе нагрузки не превышает 15 мв, выходное сопротивление стабилизатора не более 1 ом

Напряжение с выпрямителя, выполненного по мостовой Схеме на полупроводниковых диодах Д3—Д6 подается па регулирующий элемент, который состоит из балластного транзистора Т2, и включенного последовательно с ним составного транзистора Т3, Т4. Однокаскадный усилитель постоянного тока с опорными диодами в цепи эмиттера и с питанием цепи коллектора от отдельною стабилизированного источника напряжения выполнен на транзисторе Т5. На выходе стабилизатора включен делитель напряжения R6—R8.
Часть выходного напряжения, снимаемого с делителя напряжения R6—R8, сравнивается с опорным напряжением на кремниевых стабилитронах Д10—Д12. Разность этих напряжений приложена к переходу база — эмиттер транзистора T5. Пусть напряжение на выходе стабилизатора возросло в результате скачка входного напряжения.
При этом возрастает и напряжение Uэ/б транзистора Т5 и его коллекторный ток. Увеличивается падение напряжения па резисторе R4. Потенциал па базе траyзистора T4 становится более положительным, напряжение Uэ/б уменьшается, и сопротивление этого транзистора растет.
При правильно выбранных параметрах стабилизатора падение напряжения на составном транзисторе возрастает примерно на столько, на сколько увеличивается UВХ, поэтому во избежание его пробоя введен балластный транзистор Т2. Он и принимает на себя основной прирост напряжения.
Защита действует следующим образом. В нормальном режиме (номинальное напряжение питающей сети и номинальный ток нагрузки) балластный транзистор открыт и напряжение, возникающее на переходе коллектор — эмиттер T2, невелико (1—10 в), а на регулирующем составном транзисторе Т3—T4 оно равно 15— 25 в. Предположим, что напряжение на входе стабилизатора резко повысилось, например на 30 в, тогда на регулирующем транзисторе напряжение возрастет незначительно — на 1—5 в, а на балластном транзисторе — на 25—30 в. Режим работы транзистора Т2 можно подобрать с помощью резистора R2. Напряжение смещения, необходимое для нормальной работы транзистора Т2, подается от отдельного стабилизированного источника напряжения (Д2).
Транзисторы Т2—Т3 надо укрепить на теплопроводящих радиаторах, рассчитанных на рассеиваемую мощность до 5 Вт, кремниевые стабилитроны Д10— Д12 поместить в пассивный термостат, изготовленный из пенопласта или из хлорвиниловой трубочки подходящего диаметра, а затем залить парафином или церезином В противном случае возрастет нестабильность выходного напряжения под влиянием изменений температуры окружающей среды.
Сердечник силового трансформатора набран из пластин Ш20 (Ст. ЭЗЗО), толщина набора 50 мм. Сетевая обмотка I содержит 990 витков провода ПЭВ-2 0,43; обмотка II—110 витков провода ПЭВ 0,12; обмотка III — 156 витков провода ПЭВ 0,12; обмотка IV — 1185 витков провода ПЭВ-2 0,31.

При налаживании стабилизатор включают по схеме, изображенной на рис. 2. Предварительно следует проверить монтаж стабилизатора, обратив особое внимание на полярность опорных диодов Д10—Д12 и полярность напряжения смещения, приложенного к транзистору Т2. Затем к выходным зажимам стабилизатора надо подключить вольтметр и эквивалент нагрузки с миллиамперметром, после чего стабилизатор можно включить в сеть. С помощью ЛАТРа отрегулировать напряжение сети (220 в). Измерить напряжение между коллектором и эмиттером транзисторов Т2, Т3 и сравнить полученный результате рекомендуемыми режимами, приведенными в таблице. Они не должны расходиться более чем на ±20%.

Изменяя напряжение на входе стабилизатора, замечают показания вольтметра, подключенного к выходу стабилизатора. При этом показания вольтметра не должны изменяться Смещение или дрожание стрелки вольтметра свидетельствует о недостаточном коэффициенте стабилизации или же о самовозбуждении, что устраняется подбором емкости конденсатора С5. Чрезмерное увеличение емкости этого конденсатора нежелательно. Коэффициент стабилизации можно измерить, воспользовавшись схемой, показанной на рис. 2 и применив нормальный элемент в качестве образцовой меры. Здесь к выходу стабилизатора подключается делитель напряжения, сопротивление одного плеча которого Rd2 лежит в пределах 100—1000 ом. На резисторе Rd2 устанавливают напряжение, равное 1 в. Полярность нормального элемента должна быть обратной по сравнению с полярностью напряжения на Rd2. Разность этих напряжений измеряют фотокомпенсационным милливольтметром типа ФИ6/2 или же высокоомным гальванометром. Коэффициент стабилизации напряжения сети определяется по формуле:

