Высококачественный усилитель НЧ
Н. ЗЫКОВ, Радио №4/1966, ст.27
Коррекция частотных характеристик в усилителях НЧ в большинстве своем осуществляется с помощью регуляторов тембра низших и высших звуковых частот. Существуют две основные разновидности таких регуляторов, условно называемых регуляторами первого и второго типа. Регуляторы первого типа имеют неизменную частоту перехода — fпер, но крутизна наклона их частотной характеристики — α — величина переменная (см. рис. 1, а). Такие регуляторы, как правило, состоят из частотнозависимых делителей напряжения.

У регуляторов второго типа частотная характеристика отличается тем, что крутизна наклона характеристики постоянна, а изменяется частота перехода (см. рис. 1, б). Схемы регуляторов второго типа обычно используют частотнозависимую отрицательную обратную связь [1, 2].
Как видно из приведенных характеристик, каждый такой регулятор тембра позволяет хорошо скорректировать только определенные искажения частотной характеристики усилителя, например, частотные искажения, показанные кривыми а—а и б—б (рис. 1, а и 1, б). Однако предсказать реальную форму частотной характеристики всего звуковоспроизводящего тракта практически невозможно, так как частотные искажения вносятся фонограммой, усилителем, громкоговорителем, акустическим агрегатом, зависят от уровня громкости, акустики помещения и многих других факторов. Все эти искажения имеют различный характер, и суммарная частотная характеристика может оказаться весьма далекой от тех кривых (а—а и б—б), которые приведены на рис. 1. Поэтому компенсация частотных искажений может быть неполной при использовании любого из описанных выше регуляторов тембра высших и низших звуковых частот.
В последнее время у нас в СССР и за рубежом наметилась тенденция к расширению возможностей регулирования тембра в высококачественной радиоаппаратуре [3].
Рассмотрим схему комбинированного регулятора тембра, в которой, помимо плавных регуляторов низших и высших звуковых частот, имеются еще три дополнительных регулятора тембра, позволяющих изменять частотную характеристику на трех средних фиксированных частотах (рис. 2).

При помощи потенциометров R4, R5, Rб можно получить как завал, так и подъем частотной характеристики на частотах 600, 1 800, 3 600 гц. В верхнем по схеме положении движка любого из потенциометров анодная нагрузка R1 шунтируется LC контуром и осуществляется завал характеристики на заданной частоте. В нижнем положении движка контур шунтирует сопротивление R2 в катоде лампы и осуществляет подъем характеристики.
Резисторы R7 R8 и R9 снижают добротность контуров LC, ограничивают степень регулирования тембра и обеспечивают плавное перекрытие характеристики в диапазоне средних частот от 400—450 гц до 4500-5000 гц. Количество фиксированных частот и их значения могут быть иными. В этом случае расчет контуров можно производить по следующей формуле

Регуляторами могут быть обычные потенциометры, у которых графитовый слой на середине дужки осторожно снят надфилем, в результате чего образовано как бы два реостата по 70-75 ком каждый.
Аналогичным способом можно построить регуляторы тембра низших и высших звуковых частот (см. пунктирную линию на рис. 2). Однако такие регуляторы низших частот будут неоправданно сложны, громоздки и дороги, поэтому для регулировки высших и низших звуковых частот лучше применять обычные регуляторы тембра I или II типа.
Совместное использование регуляторов тембра низших и высших частот и регуляторов тембра на три фиксированные средние частоты (каждая из которых отличается от предыдущей приблизительно на октаву f =2f2=4f3) позволяет получить практически любую частотную характеристику канала звуковоспроизведения, а также значительно увеличивает возможную степень коррекции характеристики усилителя на высших и низших частотах (до З0-40 дб). Кроме того, использование регуляторов средних частот значительно упрощает разработку и конструирование акустических систем для высококачественного воспроизведения звука.
ОСНОВНЫЕ ТЕХНИЧЕСКИЕ ДАННЫЕ УСИЛИТЕЛЯ
Номинальная выходная мощность усилителя 8 вт. Максимальная чувствительность с гнезд звукоснимателя — 100—200 мв, с линейного выхода — 0,5 в, с трансляционной линии — 10 в. Усилитель воспроизводит полосу звуковых частот от 40 гц до 15 кгц с неравномерностью на краях диапазона +-1,5 дб (без регуляторов тембра).
Коэффициент нелинейных искажений на частоте 1 кгц при номинальной выходной мощности — 0,5% ; при выходной мощности 6 вт — 0,2 %.
Активное сопротивление нагрузки усилителя — 4 ома, уровень шумов — 60 дб. Выходное сопротивление усилителя —0,3—0,5 ом.
Размеры корпуса усилителя 350X280X 130 мм, размеры акустической колонки — 268X270X600 мм. Усилитель может питаться от сети переменного тока напряжением 110, 127 и 220 в, потребляемая мощность от сети 120 вт.
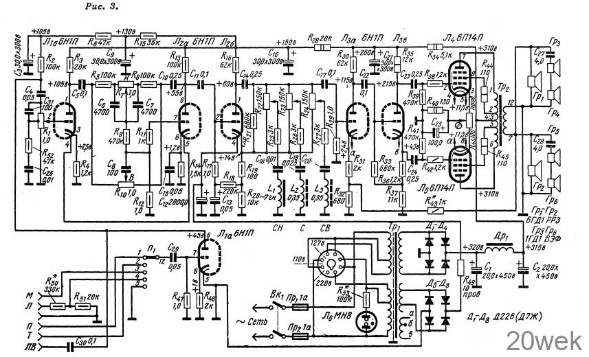
ПРИНЦИПИАЛЬНАЯ СХЕМА
На вход усилителя включено коммутирующее устройство (см. рис. 3), с помощью которого к нему могут подключаться приемник П(100 мв), телевизор Т (100 мв), звукосниматель, линейный выход магнитофона М (0,5 в), трансляционная линия Л (10-30 в), а также вход магнитофона (к линейному выходу усилителя ЛВ).

Первый каскад усилителя собран на лампе Л1а, он используется для усиления сигналов, поступающих с гнезд звукоснимателя, приемника П или телевизора Т.
В последующие два каскада, собранные на лампе Л2, включены типовые регуляторы тембра низших и высших частот II типа (потенциометры R7 и R10) и регулятор тембра средних частот (потенциометры R22, R23 и R24).
Для уменьшения уровня шумов, соединенные последовательно накальные цепи ламп Л1 и Л2 питаются от низковольтного выпрямителя.
На лампе Л3 смонтирован усилитель предоконечного каскада и фа- зоинвертор. Хорошая симметрия при минимальных искажениях в случае больших управляющих сигналов достигается применением сравнительно низкоомной анодной и катодной нагрузки фазоинвертора.
Оконечный каскад усилителя двухтактный, он собран по ультралинейной схеме. Три последних каскада усилителя охвачены глубокой отрицательной обратной связью, напряжение которой снимается со вторичной обмотки выходного трансформатора и подается в катодную цепь лампы Л3.
РАДИОДЕТАЛИ Усилитель собран в основном из покупных радиодеталей. Силовой трансформатор Tp1 применен от приемника «Фестиваль». Он собран на сердечнике из пластин Ш20, толщина набора 45 мм. Сетевая обмотка содержит 2Х (50+315) витков провода ПЭЛ 0,38, повышающая — 700 витков провода ПЭЛ 0,29. Обмотка низковольтного выпрямителя состоит из 45 витков того же провода, обмотка электродвигателя (не используется), содержит 50 X 2 витков провода ПЭЛ 0,59, а обмотка накала ламп — 17+4 витка провода ПЭЛ 1,0.
Дроссель фильтра Др1 — большой дроссель телевизора «Рубин-102» (индуктивность 4 гн); он намотан на сердечнике из пластин УШ16, толщина набора 15 мм, его обмотка содержит 2300 витков провода ПЭЛ 0,25. Катушка L1—малый дроссель телевизора «Рубин-102» (6,5 гн) — намотана на сердечнике из пластин УШ12, толщина набора 18 мм, обмотка его состоит из 3100 витков провода ПЭЛ 0,14. Катушки L2 и L3 выполнены на броневых сердечниках типа СБ-4а. Катушки намотаны внавал на цилиндрических каркасах из эбонита или текстолита и содержат около 2200 витков провода ПЭВ 2 0,1 (величина их индуктивности в сборе с сердечником 0,35-0,4 гн).
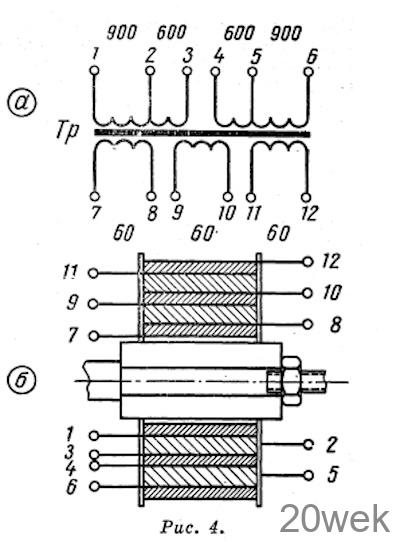
Выходной трансформатор усилителя Тр2 собран на сердечнике из пластин Ш19, толщина набора 45 мм, К качеству выходного трансформатора предъявляются особо жесткие требования, поэтому намотку катушки нужно вести очень тщательно.
На рис. 4, а и 4, б показаны принципиальная схема выходного трансформатора и один из вариантов расположения обмоток его катушки. Намотку катушки следует производить послойно, виток к витку. Между слоями прокладывать один слой тонкой лакоткани или два слоя конденсаторной бумаги, а между обмотками — два слоя лакоткани и бумаги. Вместо конденсаторной бумаги можно использовать чертежную кальку. Первичная обмотка 1—6 наматывается проводом ПЭВ 2 0,18 и содержит 3000 витков, вторичная обмотка — 7—12 состоит из 180 витков провода ПЭВ 2 0,57.

Выводы располагаются таким образом, чтобы обеспечить наиболее короткие перемычки для соединения выводов 3 и 4 первичной обмотки и 7—9—11 и 8—10—12 вторичной. На выводы обмоток нужно надеть хлорвиниловые или кембриковые изоляционные трубки и распаять их на монтажных колодках, установленных на трансформаторе.
Выходной трансформатор Тр2 можно применить от приемника «Фестиваль».
Все электролитические конденсаторы, за исключением С12, типа КЭ-2. Конденсатор С12 1000-2000 мкф типа К50-36, конденсаторы С27 и С28 — бумажные, типа БМ и КБМГ.
Переделка потенциометров R22, R23 и R24 описывалась выше. Следует добавить только, что места пропилов желательно покрыть нитролаком для упрочения графитового покрытия дужек. Потенциометр компенсированного регулятора громкости должен иметь отвод. Если подобного потенциометра не имеется, то можно использовать любую из схем компенсированных регуляторов громкости, приведенных в радиолюбительской технической литературе [4].
Все резисторы могут иметь отклонение + 20% от номинальной величины. Резисторы R35, R36 и R37 следует подобрать такими, чтобы удовлетворять равенству с отклонением не более 5%.
R35=R36+R37
Допуск на отклонение величины емкости от номинального значения для всех конденсаторов, кроме С6, С7, С8, С18, С19, С20 от —20% до +50-100%. Для вышеуказанных конденсаторов, используемых в цепи регуляторов тембра, допустимый разброс не должен превышать +10%.
Радио №5/1966, ст.29
Конструкция и монтаж усилителя
Конструктивно усилитель состоит из трех блоков: блока усилителя, блока управления и блока питания.

Блок усилителя смонтирован на шасси из дюралюминия толщиной 1,5—2 мм. Разметка его показана на рис. 5. Сверху на шасси размещены лампы, электролитические конденсаторы, катушки регуляторов тембра и выходной трансформатор; все остальные детали — в подвале шасси. Монтажная схема блока усилителя приведена на рис. 6. При монтаже в качестве несущих монтажных элементов используются ламповые панельки, электролитические конденсаторы, а также монтажные планки со штыревыми контактами. Планки можно изготовить из гетинакса или текстолита толщиной 2-2,5 мм. Проводники, идущие к блоку управления, к потенциометрам R1, R7, R10 и к переключателю П1, следует экранировать. Корпус конденсатора С12 желательно изолировать от шасси с помощью изоляционной шайбы и заземлить его у лампы Л1. Катушки L2 и L3 в броневых сердечниках СБ-4а можно закрепить на шасси усилителя клеем БФ-2, предварительно обезжирив склеиваемые поверхности спиртом или бензином.

Блок питания также смонтирован на шасси из дюралюминия толщиной 1,5—2 мм. Разметка его показана на рис. 7. Расположение деталей показано на рис. 8. Переключатель и предохранители Пр1 и Пр2 входят в комплект силового трансформатора от радиоприемника «Фестиваль»; поэтому если используется готовый трансформатор, то при монтаже необходимо освободить его от стягивающих шпилек и платы переключателя, а затем собрать, как показано на рис. 8.

Блок управления представляет собой панель, на которой укреплена шкала (рис. 9), потенциометры R1; R7, R10, R22, R23 R24, переключатель П1, выключатель сети Вк1 и индикаторная лампочка Л6. Монтажная схема блока управления показана на рис. 10.

Шкалу можно нанести на фотобумагу и наклеить затем на органическое стекло. Негативом служит калька с надписями, выполненными тушью. В этом случае основной фон шкалы будет черным, надписи — светлыми. Можно изготовить шкалу и методом фотопечати на металл, обычное или органическое стекло. Эти способы достаточно просты и описаны в литературе [5, 6]. Смонтированные блоки соединяют друг с другом (см. рис. 11) и устанавливают в деревянный корпус (см. фото в заголовке статьи), основные размеры которого приведены на рис. 12. Корпус можно изготовить из фанеры толщиной 8—10 мм. Несмотря на простые формы, он хорошо гармонирует с современной мебелью, разумеется при соответствующей отделке.

Налаживание усилителя
Перед налаживанием следует тщательно проверить правильность выполненного монтажа, после чего усилитель можно включить в сеть. При этом громкоговорители необходимо подключить к выходу усилителя во избежание межвиткового пробоя в выходном трансформаторе. Сопротивление резистора R43 в цепи отрицательной обратной связи первоначально должно быть в 2±2,5 раза больше, чем это указано на принципиальной схеме.

Если усилитель возбуждается, нужно поменять местами концы вторичной обмотки выходного трансформатора Tр2. После этого следует так установить режимы ламп усилителя, чтобы они не отличались от указанных на принципиальной схеме более чем на ±20% (см. рис. 3). Номинальное напряжение накала 12,6 в устанавливается проволочным резистором R49. Измерять это напряжение удобно на четвертом лепестке ламповой панельки Л2.

Затем следует произвести балансировку ламп оконечного каскада Л4, Л5 по анодному току (выравнять их анодные токи) с помощью переменного проволочного резистора R4б. Если проволочный потенциометр отсутствует, то разъединив катоды оконечных ламп, в цепь каждого из них следует включить сопротивление 230 — 260 ом, зашунтированное электролитическим конденсатором емкостью 100—200 мкф. Изменяя величины этих сопротивлений, нужно добиться равенства анодных токов ламп Л4, Л5.

Величина обратной связи устанавливается с помощью резистора R43. Чем глубже отрицательная обратная связь, тем меньше нелинейные и частотные искажения, тем ниже выходное сопротивление усилителя. Для данной схемы величина отрицательной обратной связи не должна превышать 15—20 дб. При этом величина сопротивления резистора R43 может колебаться в пределах от 300 до 1200 ом.
Определить величину обратной связи несложно. Для этого можно воспользоваться переменным напряжением накала, подавая его через конденсатор емкостью 500—5000 пф на один из входов усилителя. Установив с помощью регулятора громкости какой-либо уровень сигнала на выходе усилителя, измеряют выходное напряжение без отрицательной обратной связи UB и с отрицательной обратной связью Uoc. Коэффициент отрицательной обратной связи определяют по формуле:

Полученное числовое выражение Коc. переводят в децибеллы [7]. Чтобы исключить погрешности, вносимые в измерения громкоговорителем, на выход усилителя вместо него желательно включить резистор, сопротивление которого эквивалентно активному сопротивлению звуковой катушки громкоговорителя (порядка 4 ом).
Качество усилителя в большой степени зависит от его выходного сопротивления Ввых, определяющего степень демпфирования громкоговорителей КД. Оба эти параметра определяют следующим образом.
Подключив вместо громкоговорителей поочередно два резистора Rн1 и Rн2 величиной 2 и 10 ом и измерив напряжения на них U1 и U2, подсчитывают величины RВЫХ и Кд.

Измерение выходного сопротивления нужно производить при малых уровнях громкости, не более 3 — 8% от максимальной. При применении громкоговорителей, указанных на принципиальной схеме и отрицательной обратной связи, охватывающей оконечные каскады усилителя, равной 20 дб, выходное сопротивление усилителя не превышает 0,5 ом. Для акустической системы, состоящей из двух колонок, коэффициент демпфирования будет равен 10.
В случае использования громкоговорителей других типов с иным сопротивлением звуковой катушки следует пересчитать количество витков вторичной обмотки выходного трансформатора Тр2 по формуле:

Такой пересчет необязателен, если новое сопротивление нагрузки Rгр будет менее чем в 1,2 —1,5 раза отличаться от указанного в технических данных на усилитель, так как ультралинейная схема малочувствительна к изменениям нагрузки.

Если приобретен выходной трансформатор, выходные параметры которого неизвестны, оптимальное сопротивление нагрузки Rгр можно определить, пользуясь графиком зависимости выходной мощности усилителя от сопротивления нагрузки, примерный вид которого показан на рис. 13. Такой график легко построить самостоятельно. Для этого, отключив отрицательную обратную связь, с помощью вольтметра замеряют напряжение на выходе усилителя при различных значениях нагрузки и неизменном напряжении сигнала на входе усилителя. По полученным значениям для каждой из нагрузок подсчитывается мощность по формуле:

Оптимальной нагрузкой Rгр будет такая, при которой выходная мощность максимальна.
Как показали измерения, при выходных нагрузках Rгр от 2 до 4 ом, выходная мощность, снимаемая с усилителя, изменяется незначительно, примерно от 20 до 35% оставаясь на уровне 64-8 вт.
Источником сигнала при измерениях выходного сопротивления усилителя, коэффициента демпфирования и выходной мощности может служить цепь накала ламп, как указывалось выше.
Радио №6/1966, ст.37
МАЛОГАБАРИТНАЯ АКУСТИЧЕСКАЯ КОЛОНКА
Уменьшение габаритов акустического устройства обычно противоречит основному требованию, предъявляемому к подобного рода системам,— высококачественному воспроизведению самых низших частот звукового диапазона (до 20 4- 50 гц). Действительно, если акустическое устройство представляет собой плоскую отражательную доску (рис. 14)— оно будет воспроизводить звуковые колебания частотой 50 гц лишь в том случае, если длина стороны доски будет равна

Ясно, что строить столь громоздкое устройство в любительских условиях не имеет смысла.

Существенное уменьшение габаритов отражателя достигается в акустических агрегатах — фазоинверто- рах. Однако построение и расчет таких агрегатов очень сложен, а стоимость их велика [8, 9]. Поэтому автор данной конструкции пошел по иному пути. Он построил малогабаритную акустическую колонку, которая, несмотря на малые габариты, хорошо воспроизводит низшие звуковые частоты. Объясняется это следующими обстоятельствами. Дело в том, что самые низшие звуковые частоты диффузор громкоговорителя излучает всей поверхностью. По мере же повышения частоты поверхность излучения уменьшается и, наконец, при воспроизведении высших звуковых частот колебания излучаются меньшей частью поверхности диффузора. Это свойство громкоговорителя и было использовано при разработке малогабаритной акустической колонки.
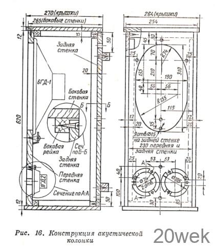
Конструктивно колонка представляет собой глухой ящик. На передней стенке ящика имеются три отверстия для громкоговорителей. Большое отверстие для низкочастотного громкоговорителя типа 6ГД1 РРЗ; два других для высокочастотных громкоговорителей типа 1ГД2 ВЭФ. На задней стенке ящика находятся девять отверстий диаметром 12 мм, равномерно расположенных по всей поверхности стенки. Общая площадь отверстий значительно меньше поверхности диффузора низкочастотного громкоговорителя. При воспроизведении низших звуковых частот отверстия на задней стенке играют роль пневматического демпфера, осуществляющего акустическое торможение звуковых колебаний, излучаемых задней стороной диффузора громкоговорителя. Благодаря демпферу передняя и задняя стороны диффузора несут одинаковую нагрузку и как бы разделены отражательной доской больших размеров. Для средних звуковых частот такая задняя стенка практически «прозрачна». Это очень важно, так как в «глухих» акустических системах обычно возникают нежелательные резонансные явления на средних частотах, сопровождающиеся значительными искажениями.
При установке колонок следует учитывать, что высокочастотные звуковые колебания имеют остронаправленное излучение. Поэтому ориентация высокочастотных громкоговорителей должна обеспечивать наилучшие условия для прослушивания высших звуковых частот.
Например, если колонки размещены вверху, в углах комнаты, как это показано на рис. 15, а, высокочастотные громкоговорители располагают ниже низкочастотных. При среднем и нижнем расположении (рис. 15, в и 15, г) колонки должны быть установлены так, чтобы высокочастотные громкоговорители находились на уровне слушателя — вверху. Если колонки размещают горизонтально на стене, в виде полок, то высокочастотные громкоговорители должны быть разнесены (рис. 15, б).

Как видно из рис. 16, колонка собирается из 15—20 мм панелей. Наиболее подходящим материалом для стенок колонки является стружечноволокнистая плита, обладающая хорошими звукоизоляционными свойствами.

Для изготовления стенок можно воспользоваться и 12-мм фанерой. В этом случае стенки колонки желательно оклеить изнутри каким-либо звукопоглощающим материалом, например тарным картоном, наклеенным в 2-3 слоя толщиной 5-6 мм.
При сборке колонок сначала на клею собирают стенки, затем колонку обтягивают радиотканью и только после установки громкоговорителей привертывают шурупами крышки. Выступы на задней стенке предназначены для хранения излишков провода и для создания необходимого воздушного зазора между стеной комнаты и акустической колонкой.
Размеры акустической колонки могут быть уменьшены, если установить в них один низкочастотный громкоговоритель типа 5ГД1 и один высокочастотный типа 1ГД2 или ВГД-1 [10]. При этом максимальную мощность усилителя придется уменьшить до 6-8 вт. В заключение хочется отметить, что малогабаритные акустические колонки очень удобны для стереофонических систем.
ЛИТЕРАТУРА
- Р. М. Терещук и др. Справочник радиолюбителя, Изд. технической литературы УССР, Киев, 1961, стр. 354—357.
- М. Давыдов. Регуляторы тембра, «Радио», № 1, 1959, стр. 42—44. .
- М. Д. Ганзбург. Улучшение звучания приемника, Госэнергоиздат, 1961.
- В. Смирнов. Компенсированные регуляторы громкости, «Радио», № 11, 1958, стр. 49 — 50.
- Б. Гудков. Фотографирование шкал, «Радио», № 6, 1958.
- Б. А. Леваидовский. Шкалы и верньерные устройства, Госэнергоиздат, Москва, 1952.
- Р. М. Т е р е щ у к и др. Справочник радиолюбителя, Изд. технической литературы, УССР, Киев, 1981, стр. 175.
- М. Эфрусси. Конструирование ящиков для громкоговорителей, «Радио», № 6, 1963, стр. 48—50.
- А. Г. Дольник. Получение высококачественного звучания радиоприемных и усилительных устройств. Сборник «В помощь радиолюбителю», вып. 5, ДОСААФ, Москва, 1958, стр. 42— 59.
- А. Г. Дольник. Громкоговорители, Госэнергоиздат, 1961.





