Устройство, контролирующее напряжение сети
А. Еркин, Радио №8/1965, ст. 37
Обычно величину напряжения питания контролируют вольтметром. Однако в тех случаях, когда достаточно контролировать три уровня напряжения (нижний предел — номинальное — верхний предел), можно применить устройства на лампах тлеющего разряда. Об уровне напряжения судят в этом случае по интенсивности свечения газового разряда.
В предлагаемых устройствах используется тиратрон с холодным катодом МТХ-90. Эта лампа представляет собой совокупность двух газоразрядных диодов (сетка-катод и анод—катод), напряжение зажигания которых различно. Промежуток управляющая сетка — катод этой лампы зажигается при напряжении 65— 83 в, а участок анод—катод (при свободной сетке) — при напряжении выше 150 в. Но при возникновении разряда в цепи сетки напряжение зажигания анодного промежутка становится регулируемым и может быть понижено вплоть до напряжения зажигания по цепи сетки. Интенсивность и объем свечения газа в этих промежутках могут быть также различными. Последнее достигается тем, что в цепи диодов (про- межутков) включают разные по величине ограничительные сопротивления. Эти свойства лампы МТХ-90 положены в основу работы предлагаемых устройств.
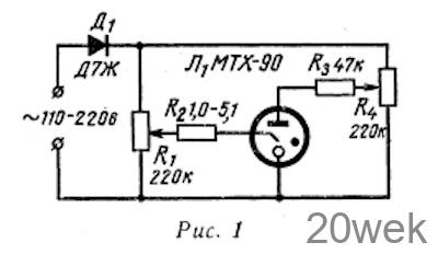
В устройстве, схема которого приведена на рис. 1, при номинальном напряжении зажигается промежуток сетка—катод. Так как сопротивление R2 в цепи сетки велико, то свечение газа незначительной сосредоточено в глубине лампы. При увеличении напряжения выше верхнего предела зажигается промежуток анод— катод и газ ярко светится практически по всему объему колбы МТХ-90. При понижении напряжения ниже нижнего предела свечения в лампе МТХ-90 не наблюдается.

При налаживании устройства сначала устанавливают напряжение, соответствующее минимально допустимому напряжению сети (например, 200 в) и потенциометром R1 подбирают момент зажигания тиратрона по цепи сетки. Затем устанавливается верхний предел (например, 230 в) и потенциометром R4 подбирают момент зажигания анодного промежутка.
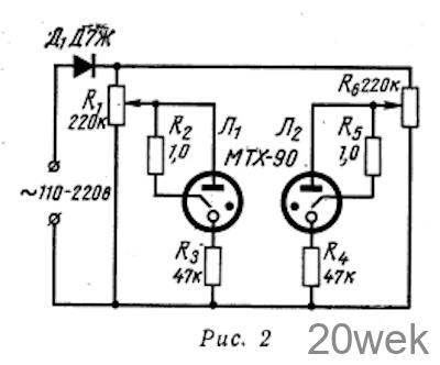
Достоинством другого контрольного устройства (рис. 2) является то, что при номинальном напряжении наблюдается такое яркое свечение, которое хорошо видно практически при любом естественном освещении. Однако в этом случае необходимы две лампы МТХ-90. Если напряжение равно номинальному, загорается лампа Л1, если оно ниже нижнего предела, Л1 гаснет, а если оно выше- верхнего предела, зажигается тиратрон Л2. Ток в цепи сетки в период, предшествующий зажиганию анодного промежутка, создает начальную ионизацию в лампе и стабилизирует напряжение зажигания анодного промежутка. Этот ток называют подготовительным.

Возможен и такой вариант (рис. 3). Напряжение зажигания разрядного промежутка анод — катод лампы МТХ-90 при различных полярностях питающего напряжения различно. При положительном анодном напряжении оно на 20—40 в выше, чем при отрицательном. Отрицательное анодное напряжение вызывает свечение газа в глубине лампы около центрального электрода, а положительное — по всему объему колбы. Таким образом по отрицательному по- лупериоду можно контролировать номинальную величину напряжения, а по положительному полупериоду— его верхний предел. Полупроводниковый диод Д1 ограничивает ток в лампе при отрицательном анодном напряжении до нескольких микроампер. Налаживая устройство, на вход подают максимальное напряжение и с помощью потенциометра R1 определяют момент зажигания лампы во время положительного полупериода.

Следующее устройство (рис. 4) может автоматически выключать аппаратуру, если напряжение в сети превысит максимально допустимое.

Конденсатор С1 заряжается через полупроводниковый диод и сопротивление R3. Параллельно С1 подключен потенциометр R5, с помощью которого можно регулировать напряжение на сетке МТХ-90.
Напряжение на конденсаторе приблизительно равно амплитудному значению сетевого напряжения, поданного на Вх1 и составляет 1,4* UЭфф. Пропорционально напряжению на входе растет напряжение и на конденсаторе и электродах МТХ-90. Как только напряжение на сетке достигнет потенциала зажигания промежутка сетка—катод, последний зажигается, и в цепи сетки течет ток подготовки (около 10-5 а). Этот ток не вызывает срабатывания реле, он только стабилизирует напряжение зажигания анодного промежутка. По мере дальнейшего повышения напряжения сети, напряжение на аноде растет, а ток подготовки увеличивается. При некотором пороговом напряжении зажигается промежуток анод—катод, и конденсатор С1 разряжается через горящий тиратрон и обмотку реле (PC-13, 8000 ом, 28000 витков). При этом реле срабатывает, его контакты замыкаются, и обмотка реле через сопротивление R3 подключается к сети. Закороченный тиратрон МТХ-90 гаснет. Вторая группа контактов отключает аппаратуру и включает соответствующую ‘ сигнализацию. Уменьшив напряжение питания, аппаратуру можно снова включить нажатием кнопки Кн1
Если напряжение в сети 220 в, то последнее подают на Вх2, то есть через делитель R2R1
При налаживании на вход устройства подают максимально допустимое напряжение и, плавно вращая ручку потенциометра R5, устанавливают момент срабатывания реле.
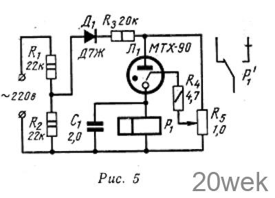
Если мощность, потребляемая прибором, мала, то для автоматического отключения его при перенапряжении можно применять устройство, схема которого изображена на рис. 5. В нем используется поляризованное реле типа РП-7, РП-5, РП-4. Слабое свечение разряда по цепи сетки показывает, что контролируемое напряжение находится в пределах номинального. Если напряжение выше максимально допустимого,— зажигается анодный промежуток, ток в обмотке реле возрастает, и реле срабатывает. При этом аппаратура отключается, а лампа МТХ-90 продолжает ярко светиться, сигнализируя о повышении напряжения в сети сверх нормы. При уменьшении напряжения до номинального лампа гаснет, и аппаратура снова автоматически включается.

Первые несколько десятков часов новые лампы МТХ-90 работают нестабильно. На рис. 6 приведены экспериментальные графики, показывающие, как изменяется напряжение зажигания промежутка анод— катод лампы МТХ-90 при токе подготовки 10 мка за 500 час непрерывной работы. Средний график характеризует дрейф напряжения зажигания при работе лампы на постоянном токе (величина анодного тока составляла 5 ма). В других случаях лампа включалась в сеть переменного тока через диод Д7Ж, который пропускал прямой ток, а обратный ограничивал до нескольких микроампер. Амплитудные значения прямого тока указаны на графиках. Средний график имеет прямое отношение к работе ламп МТХ-90 в устройствах, схемы которых приведены на рис. 1, 2, 4, 5. В этих устройствах тиратрон во время отрицательного полупериода не зажигается, так как значительная часть напряжения падает на полупроводниковом диоде, обратное сопротивление которого порядка 106 ом. Остальные графики иллюстрируют работу устройства, схема которого изображена на рис. 3. Прежде чем налаживать устройства, необходимо лампы МТХ-90 подвергнуть тренировке. Для этого с помощью потенциометров на лампы подают максимальное напряжение и выдерживают их в горящем состоянии в течение 30—60 час






