УСОВЕРШЕНСТВОВАНИЕ МАГНИТОФОНОВ ТИПА «ЭЛЬФА»
Радио №9/1966, ст.53
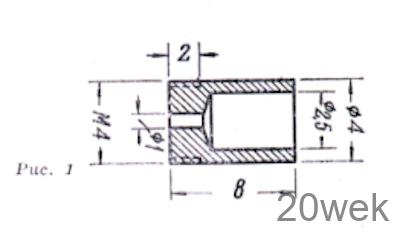
В магнитофонах «Эльфа-10» и «Гинтарас» старых выпусков тросики управления приемным и подающим узлами огибают переключатель и снизу подходят к регулировочным винтам. Из-за больших перегибов они часто обрываются, доставляя немало хлопот владельцам магнитофонов. Избавиться от этой неприятности можно следующим образом. Из стального винта М4 необходимо изготовить втулку 7, размеры которой указаны на рис. 1. После этого тросик с оболочкой нужно снять с магнитофона и укоротить на 40—45 мм (рис. 2, а). Затем из подвижного рычага 3 следует вывернуть стопорный винт М4 и на его место ввернуть изготовленную втулку. Далее укороченный тросик нужно снова пропустить через переключатель, но уже с другой стороны (рис. 2, б). После этого на тросик необходимо надеть оболочку так, чтобы она на 3—5 мм вошла в изготовленную втулку. Теперь остается только припаять к тросику наконечники и отрегулировать его натяжение регулировочным винтом М4. При выполнении последней операции может возникнуть необходимость распилить отверстие планки, в которой находится регулировочный винт.


В магнитофонах типа «Айдас» при ускоренной перемотке магнитная лента непрерывно трется об универсальную головку. Чтобы этого не было, головку нужно отодвинуть назад. Для этого следует обрезать правый задний уголок площадки, на которой она укреплена (рис. 3). Между лентой и головкох! должен быть просвет 0,5 мм.

В магнитофоне «Гинтарас» часто выходит из строя клавиша «воспроизведение» переключателя рода работ и при нажатии на эту клавишу осуществляется «перемотка вперед».
Неисправность возникает потому, что металлическая часть клавиши сделана из мягкой стали, а прижимной рычаг из твердой. В результате клавиша быстро срабатывается (рис. 4.) Нормальную работу магнитофона можно восстановить, усилив ребро клавиши накладкой из пружины от будильника. Для этого кусок пружины необходимо нагреть докрасна, а затем постепенно охладить. Затем из пружины следует вырезать заготовку (рис. 5) и согнуть ее (рис. 6) так, чтобы плоскости заготовки плотно прилегали к ребру клавиши, а хвост заходил в ее нижнюю часть. После этого деталь снова нагревают докрасна, а затем закаливают, погружая в масло. Хвостовую часть детали закаливать не следует. Готовую деталь закрепляют на неисправной клавише (рис. 7), которую устанавливают обратно в переключатель рода работ. Отремонтированный таким образом переключатель надежно работает в течение длительного времени.



Много неприятных минут доставляет владельцам магнитофонов «Гинтарас» и «Эльфа-10» отсутствие блокировки клавиши «запись». Блокировку можно ввести используя схему, приведенную на рис. 8. Работает она следующим образом. При нажатии на блокирующую кнопку КБ срабатывает реле Р1 которое своими контактами Р1/1 блокирует ее, а контактами P2/1 замыкает цепь анодного питания лампы высокочастотного генератора. Запись будет производиться только в том случае, если предварительно нажата блокирующая кнопка КБ. В результате случайное стирание готовых записей исключается.

В магнитофоне «Гинтарас» при переключении его с одного режима работы на другой прогибается панель лентопротяжного механизма, что отрицательно сказывается на качестве работы каналов записи и воспроизведения. Увеличить жесткость панели можно, прикрепив ко дну ящика металлическую стойку размером 20X2X212 мм (рис. 9).

При работе магнитофона «Эльфа-10» часто наблюдается плохая намотка магнитной ленты на катушку приемного узла. В тех случаях, когда не удается отрегулировать в нужных пределах величину сцеп- легия в правой и левой механических муфтах, ее можно искусственно увеличить, установив в узел дополнительную пружину (рис. 10).

Пружину можно намотать из рояльной проволоки диаметром 0,6 мм, она должна содержать три витка и иметь длину 5 мм (рис. 11). Сверху и снизу на пружину надевают металлические шайбы.

После сборки узла натяжение магнитной ленты регулируют, меняя положение детали А на оси. Оптимальным считается такое давление пружины, при котором удовлетворительно наматывается лента в положении «перемотка назад». Работу лентопротяжного механизма в положении «перемотка вперед» регулируют натяжением тросика, предварительно выгнув на 3—4 мм скобу В. На этом регулировку узла можно считать законченной.
В магнитофонах «Эльфа-10», «Гинтарас», «Айдас» часто возникает вибрация плоской пружины, прижимающей магнитную ленту к головкам. Для устранения этого явления на пружину достаточно намотать 2—3 витка хлорвиниловой изоляционной ленты. В магнитофоне «Эльфа-10» громкоговоритель укреплен на горизонтальной панели и ферромагнитный порошок легко попадает во внутреннюю часть громкоговорителя, забивая воздушный зазор магнитопровода. Это приводит к значительным искажениям при воспроизведении записи. Указанный дефект можно устранить следующим образом. Из бумажной салфетки вырезают круглую шайбу диаметром 30 ММ. На расстоянии 3 мм от края шайбы тупым концом ножниц или другим металлическим предметом продавливают бороздку шириной 1—1,5 мм, так чтобы ее края загнулись кверху (рис. 12). Затем шайбу приклеивают к внутренней части диффузора (рис. 13). Такая незначительная переделка громкоговорителя совершенно не влияет на его частотную характеристику и защищает от попадания ферромагнитного порошка в воздушный зазор магнитопровода.


Известно, что звучание магнитофона во многом зависит от качества магнитных головок. В магнитофонах «Эльфа-10», «Гинтарас» и «Айдас» используются головки кольцевой конструкции (рис. 14). В них из-за действия усилий стяжки сердечник деформируется, половинки его смещаются друг относительно друга, изменяя конфигурацию рабочего зазора, что, в свою очередь, приводит к изменению параметров головки.

Надежность головок подобного типа можно значительно повысить, если обе половинки их сердечников спаять оловянно-свинцовым припоем (рис. 15). Кратковременное нагревание на магнитные свойства сердечника не влияет и склейки пластин не нарушает.

Предлагаемый способ может быть реализован в головках и с другими формами сердечника, в которых зазор образуется немагнитной прокладкой между его торцами.
В магнитофонах «Эльфа-10» и «Гинтарас» быстро теряет упругость плоская пружина переключения прижимного ролика. Прижимной ролик плохо прилегает к магнитной ленте и протяжка ее ухудшается.
В этом случае целесообразно плоскую пружину заменить спиральной. Спираль содержит 12 витков проволоки диаметром 0,7 мм, шаг ее 3 мм, внутренний диаметр 4 мм. Спираль навивается на стальную заготовку, эскиз которой показан на рис. 16. При установке пружины 2, упорную стойку 1 следует загнуть под прямым углом и просверлить в ней отверстие диаметром 3,5 мм (рис. 17).







