УСИЛИТЕЛЬ НЧ
Р.Храпко Радио №2/1964 ст.39
Усилитель НЧ, описание которого приводится в статье «Подводное переговорное устройство» («Радио» N9 5, 1961 г.) обладает большим коэффициентом нелинейных искажений, что ограничивает область его применения. Этот существенный недостаток может быть устранен введением очень глубокой отрицательной обратной связи. Выходное сопротивление усилителя 6 ом, что дает возможность включать громкоговоритель без выходного трансформатора.

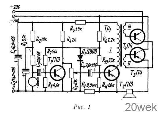
На рис. 1 приведена схема усилителя, рассчитанного для работы от угольного микрофона или ларингофона. Напряжение обратной связи, снимаемое с части нагрузки (сопротивление R1) непосредственно подается на эмиттер транзистора предоконечного каскада. Происходящее при этом значительное увеличение входного сопротивления этого каскада (до 10 ком) улучшает условия согласования с высокоомным выходом каскада предварительного усиления, так что введение обратной связи почти не уменьшает чувствительность усилителя. Следует учитывать, что по первичной обмотке трансформатора Тр1 проходит постоянная составляющая тока. Поэтому желательно использовать для него сердечник большего сечения. В данной конструкции использован трансформатор с сердечником Ш12Х Х20 при ширине окна 6 мм, первая обмотка имеет 1200 витков провода ПЭЛ 0,8, вторая и третья обмотки имеют по 110 витков провода ПЭЛ 0,38.
В случае, когда нужна повышенная чувствительность или высокоомный вход усилителя, допустимо включение дополнительно обычного входного каскада.
