Транзисторы n-р-n в каскодных схемах
В. Васильев, Радио №8/1965, ст. 61
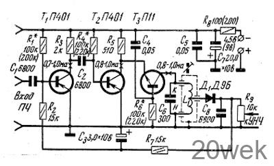
Транзисторы в каскодной схеме могут быть включены между собой по постоянному току последовательно либо параллельно. При последовательном включении требуется минимальное количество деталей, но зато необходимо относительно высокое напряжение питания (9—12 в). Параллельное включение транзисторов позволяет понизить это напряжение до 4—6 в, но количество деталей в схеме увеличивается. Однако, если в каскодной схеме использовать сочетание транзисторов типа р-п-р и п-р-п, то количество деталей уменьшится. Примером может служить схема усилителя промежуточной частоты на 465 кгц, приведенная на рисунке, где реостатный усилитель на транзисторе Т2 типа р-п-р (П401) и резонансный усилитель на транзисторе Т3 типа п-р-п (П11) образуют каскодную схему «общий эмиттер — общая база».

Транзистор Т1 является активным элементом апериодического каскада усиления, охваченного АРУ. Управляющее напряжение АРУ снимается с сопротивления нагрузки детектора (R9) и через фильтрующую цепочку R7С3R2 подается на базу транзистора T1.
Применение транзистора п-р-п в каскодной схеме позволило непосредственно заземлить «холодный» конец резонансного контура L1C6, настроенного на промежуточную частоту. Полоса пропускания этого контура с учетом шунтирующего действия транзистора Т3 и детектора составляет около 10—12 кгц. Катушка L1 намотана в броневом сердечнике из карбонильного железа типа СБ-1а и содержит 105 витков с отводом от 35-го витка, считая от заземленного конца. Намотка производится проводом ПЭВ или ПЭЛ 0,1. В качестве экрана катушки L1 может быть использован укороченный до 20 мм корпус электролитического конденсатора типа КЭ-1 или КЭ-2 с внешним диаметром 20 мм.
Коллекторные токи транзисторов Т1—Т3, указанные на схеме, устанавливаются подбором величин сопротивлений R1, R4, R6. При этом необходимо учитывать, что при токах менее 0,6—0,7 ма усилительные свойства транзисторов ухудшаются, а при токах более 1,2—1,5 ма усиление возрастает настолько, что в некоторых случаях усилитель может возбудиться. Указанные на схеме значения сопротивлений R1 R4, R6 соответствуют случаю применения транзисторов с В=15—25. Транзисторы типа П401 можно заменить на П402, П403, П403А, П420—П423, транзистор типа П11—на П9, П10, П501—П503. При использовании транзисторов с B=15—25 описанный усилитель обеспечивает устойчивое усиление (измеренное с базы транзистора Т1 до входа детектора) порядка 2500—3000. Такой усилитель, снабженный преобразователем частоты с двух- или трехконтурным фильтром сосредоточенной селекции, обеспечивает максимальную чувствительность приемника около 500 мкв/м, а в случае применения малошумящих образцов транзисторов с В=30—50 его чувствительность можно довести до 300 мкс

Радио №7/1966, ст.61






