Транзисторный приемник начинающего
В. Васильев, Радио №1/1966, ст.54
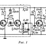
На рис. 1 (4-я страница обложки) приведена принципиальная схема приемника прямого усиления на пяти транзисторах, не требующая предварительного макетирования, подбора транзисторов и других деталей. Приемник рассчитан на громкоговорящий прием сигналов радиовещательных станций, работающих в диапазонах длинных (ДВ) и средних (СВ) волн. Максимальная выходная мощность приемника около 100мВт, что вполне достаточно для озвучивания значительной аудитории. Источником питания может служить гальваническая батарея «Крона», либо аккумуляторная батарея типа 7Д-0,1. Энергии указанных источников питания хватает на 12—15 часов работы.

Прием осуществляется на внутреннюю магнитную антенну. В приемнике применяются дешевые и распространенные типы транзисторов (П420—2 шт.; П14—3шт.). Приемник помещается в пластмассовом корпусе заводского изготовления с внешними размерами 110Х70Х35 мм и весит с источником питания около 250 г.
ПРИНЦИПИАЛЬНАЯ СХЕМА
Принципиальная схема приемника включает в себя магнитную антенну МА, двухкаскадный усилитель высокой частоты на транзисторах T1 и Т2, диодный детектор на полупроводниковых диодах Д1 и Д2 и двухкаскадный усилитель низкой частоты на транзисторах Т3, T4, T5.
Улавливание энергии радиоволн осуществляется с помощью приемной антенны; усиление радиосигналов — каскадами усилителя ВЧ, а выделение из них электрических колебаний звуковых частот, то есть детектирование — детекторным каскадом. Дальнейшее усиление сигнала происходит в каскадах усилителя НЧ.
Приемная антенна описываемого приемника называется магнитной потому, что она реагирует на магнитную составляющую электромагнитного поля, создаваемого передающими радиостанциями.
Магнитная антенна представляет собой катушку индуктивности L1, намотанную на стержне из магнитодиэлектрика, в данном случае феррита. Введение ферритового стержня в катушку значительно повышает ее способность улавливать энергию электромагнитного поля.
Магнитная антенна сделана настраиваемой, что позволяет прослушивать сигналы только одной станции. Настройка на волну желаемой станции осуществляется конденсатором переменной емкости C1 подключенным параллельно выводам катушки £L1. Конденсатор С1 и катушка индуктивности L1 образуют резонансный контур, обладающий избирательными свойствами. При вращении ротора конденсатора С1 происходит изменение величины его емкости, вследствие чего изменяется длина волны, на которую будет настроен резонансный контур.
Емкость конденсатора С1 может изменяться в пределах от 5 пф до 350 пф, собственная емкость катушки L1 около 3 пф. Таким образом, общая емкость контура может изменяться в 45 раз, что соответствует изменению длины волны примерно в √45=6,7 раз. Максимальная длина волны в данном приемнике выбрана равной 1750 м, следовательно, минимальная длина волны — 260 м. В случае необходимости, путем изменения количества витков катушки L1 можно сместить границы диапазона принимаемых волн в сторону более длинных или более коротких.
Качество магнитной антенны во многом зависит от добротности резонансного контура L1C1. Величина добротности показывает, во сколько раз напряжение на контуре при точной настройке на волну станции больше, чем при расстроенном контуре. В среднем величина добротности магнитных антенн карманных приемников составляет около 150—200. Именно благодаря высокой добротности магнитная антенна при относительно малых геометрических размерах обладает такими же приемными свойствами, как и штыревая антенна высотой 300—700 мм.
Описываемый приемник предназначен в основном для приема сигналов мощных и близко расположенных радиостанций, создающих на месте приема напряженность поля порядка 10—30 мв/м. В таком случае эдс сигнала ВЧ, наводимой полем радиостанции в контуре, составит всего 3—10 мв. Этого напряжения явно недостаточно для нормальной работы детекторного каскада, которому требуется не менее 20—30 мв. В связи с этим между магнитной антенной и детектором включен усилитель ВЧ, выполненный на транзисторах. Но подключить вход обычного усилителя ВЧ на транзисторах ко всему контуру нельзя и вот по какой причине. Резонансное сопротивление контура магнитной антенны исчисляется сотнями килоом, тогда как входное сопротивление усилителя ВЧ обычно составляет несколько сотен ом, то есть примерно в тысячу раз меньше. В связи с этим на вход усилителя можно подать не все напряжение контура, а только его некоторую часть. Делается это с помощью катушки связи L2, расположенной на ферритовом стержне рядом с катушкой L1. Количество витков катушки L2 выбирается таким образом, что входные цепи усилителя потребляют примерно половину энергии, улавливаемой антенной, остальная часть энергии теряется в контуре.
Это требование будет соблюдаться в том случае, если коэффициент трансформации п катушек L1 и L2 равен корню квадратному из отношения входного сопротивления усилителя к резонансному сопротивлению контура. Приближенно можно считать, что коэффициент п равен отношению витков катушек L2 и L1. В нашем случае отношение сопротивлений равно примерно одной тысячной, а поэтому величина n=√0,001=0,031. Это значит, что катушка связи L2 должна иметь в тридцать раз меньше витков, чем катушка L1. Если это отношение будет значительно меньше, то тогда заметно снизится добротность контура и ухудшатся его приемные свойства. При значительно больших отношениях витков наблюдается увеличение добротности и сужение полосы пропускания частот. С одной
стороны это улучшает избирательность приемника, а с другой ухудшает его чувствительность, так как чем меньше витков содержит катушка связи, тем меньше напряжение сигнала на входе усилителя.
В описываемом приемнике при напряженности поля 10—30 мв/м напряжение сигнала на входе усилителя ВЧ будет составлять всего 100—300 мкв. Для обеспечения на входе детекторного каскада напряжения ВЧ не менее 20—30 мв усилитель ВЧ должен обладать коэффициентом усиления по напряжению не менее 100—300. На практике необходимо иметь некоторый запас усиления, чтобы можно было компенсировать возможные изменения в условиях приема. Для любительских конструкций вполне достаточно иметь тройной запас. Это значит, что реальный коэфициент усиления по ВЧ должен быть около 300—900. Добиться такого усиления можно только с помощью двухкаскадного усилителя ВЧ.
Усилитель ВЧ приемника состоит из двух идентичных каскадов, собранных на транзисторах T1 и Т2. Первый каскад включает в себя транзистор Т1, сопротивление коллекторной нагрузки R3, переходный конденсатор С2, три сопротивления цепи стабилизации рабочего режима транзистора T1 (R1; R2, R4) и конденсатор С3. Усиленное первым каскадом напряжение сигнала поступает для дальнейшего усиления на вход второго каскада, элементы которого полностью идентичны элементам первого каскада. В связи с этим можно ограничиться подробным разбором работы только одного, первого каскада.
Усилительные возможности каскада зависят от типа применяемого транзистора и установленного режима его работы. В свою очередь, транзистор может обеспечить значительное усиление сигнала ВЧ, если максимальная частота усиливаемого сигнала, по крайней мере, раз в 20 меньше максимальной частоты генерации транзистора. Максимальной частотой генерации транзистора fген.макс называется частота, выше которой транзистор полностью теряет свои усилительные свойства. Таким образом, для обеспечения достаточного усиления на самой высокой частоте диапазона принимаемых волн, равной 1,5 Mгц, необходимо, чтобы величина fген.Макс была не менее 30 Мгц. Этому требованию удовлетворяют транзисторы типа П401—П403, П420—П423, наиболее дешевыми из которых являются транзисторы типа П420.
Для реализации усилительных возможностей транзистора необходимо обеспечить вполне определенный режим работы, то есть определенный ток коллектора и напряжение между коллектором и эмиттером. Для большинства типов маломощных транзисторов напряжение между коллектором и эмиттером UK=2—9 в, постоянный ток коллектора IК =0,5—2,0 ма. С точки зрения улучшения усилительных свойств транзистора рекомендуется придерживаться верхних пределов, тогда как в целях экономии энергии источника питания целесообразно работать при малых токах и напряжениях. В данном приемнике выбран некоторый средний режим: UK=2,1—3,0 в, Ik=0,8— 0,9 ма. Режим транзистора устанавливается и стабилизируется с помощью постоянных сопротивлений R1-R4
Сопротивления R1 и R2 образуют делитель напряжения. Постоянное напряжение их общей точки относительно плюсовой шины питания составляет примерно 1/5 часть от напряжения источника. Между эмиттером и плюсом питания включено сопротивление R4, величина которого примерно в три раза меньше сопротивления R2. Ток эмиттера, проходя по этому сопротивлению, создает на нем падение напряжения, которое примерно на 0,1—0,2 в меньше, чем напряжение на средней точке делителя, подключенной к базе транзистора T1. И если по каким-либо причинам произойдет изменение тока эмиттера, то изменится падение напряжения на сопротивлении R4, а это вызовет в свою очередь изменение напряжения между базой и эмиттером транзистора. Вследствие этого в цепи базы появится дополнительный ток, который будет усилен в коллекторной цепи в В раз, а в эмиттерной в (В+1) раз, причем эти токи направлены так, что восстанавливают нарушенный режим. Такое включение сопротивлений позволит автоматически поддерживать режим транзистора, регулировать его.
Напряжение на средней точке делителя R1R2 с учетом шунтирующего действия транзистора составляет около 1,5 в, следовательно, напряжение на эмиттере должно быть около 1,3—1,4. в. Сопротивление R4 равно 1,5 ком, а поэтому ток эмиттера по закону Ома равен 0,86— 0,93 ма.
Ток коллектора транзистора Т1 создает на сопротивлении R5 падение напряжения, равное по закону Ома (0,8—0,9 ма) Х5,1 коm=4,1— 4,6 в. Таким образом, общее падение напряжения на сопротивлениях R4 и R5 составит около 5,5—6,0 в, а между эмиттером и коллектором останется примерно 3 в. И этот режим остается практически неизменным при изменении температуры и параметров транзисторов.
Напряжение сигнала поступает на вход усилителя через переходный конденсатор С2, предупреждающий замыкание средней точки делителя R1R2 по постоянному току на плюс питания через катушку L2. Для того, чтобы как можно большая часть напряжения с катушки связи поступала на базу транзистора T1, емкостное сопротивление конденсатора С2 на самой низкой частоте усиливаемого сигнала ВЧ должно быть много меньше входного сопротивления каскада. Минимальное допустимое значение емкости переходного конденсатора может быть определено по приближенной формуле:

Из этой формулы следует, что емкость шунтирующего конденсатора должна быть в 2,5 раза больше емкости переходного конденсатора того же каскада. В усилителе ВЧ емкость конденсатора С3 выбрана в 7,5 раз больше емкости С2, что позволяет несколько повысить усиление на самых низких частотах диапазона ДВ. При необходимости возможно применение конденсаторов меньшей емкости, например, 0,025 мкф или 0,033 мкф.
Коэффициент усиления каскада по напряжению зависит также от величины коэффициента В транзистора и частоты усиливаемого сигнала. В среднем коэффициент усиления по напряжению первого каскада в зависимости от коэффициента В равен 10—40. Необходимо иметь в виду, что эти цифры справедливы для частот не выше 250—300 кгц, то есть для волн длиннее 800 м. На более высоких частотах наблюдается заметное уменьшение коэффициента В и, как следствие этого, происходит снижение усиления. Нагрузкой первого каскада по переменному току является входное сопротивление второго каскада, а нагрузкой второго — входное сопротивление детекторного каскада, которое с учетом шунтирующего действия сопротивления R7 составляет около 1,5 ком. Коэффициент усиления по напряжению второго каскада мало зависит от коэффициента В применяемых транзисторов и равен примерно 50. Таким образом, обшее максимальное усиление по напряжению, равное произведению коэффициентов усиления каскадов, может составлять от 500 до 1500—2000. На рис. 1 в тексте приведены результаты измерений коэффициента усиления по напряжению усилителя ВЧ при различных значениях коэффициента В транзисторов типа П420. Согласно этим данным усиление в диапазоне ДВ практически не зависит от частоты сигнала, а в диапазоне СВ — уменьшается с увеличением частоты.

Детекторный каскад выполнен на двух точечных полупроводниковых диодах Д{ и Д2 типа Д1А, конденсаторах С6, С8 и сопротивлении R9. Фильтрующая цепочка R9С8 является нагрузкой детектора. Такая схема детектора называется детектором с закрытым входом, а еще чаще детектором с удвоением напряжения. Первое название объясняется наличием переходного конденсатора £*6» который препятствует проникновению постоянного тока на вход каскада. Второе название связано с тем, что данная схема по сравнению с обычной схемой детектора на одном диоде обеспечивает примерно в два раза большее выходное напряжение.
Для обеспечения нормальной работы детекторного каскада необходимо соблюдение следующих условий. Во-первых, величина сопротивления нагрузки детектора по постоянному току должна быть порядка входного сопротивления последующего каскада, составляющего обычно от одного до нескольких килоом. По этой причине величина сопротивления R9 выбрана равной 5,1 ком. Во-вторых, внутреннее сопротивление диодов в прямом направлении должно быть много меньше сопротивления R9— Этому условию удовлетворяют германиевые точечные диоды типа Д1, Д9. В-третьих, емкостное сопротивление конденсатора С8 на минимальной частоте принимаемого сигнала должно быть меньше сопротивления R9 по крайней мере в 10—20 раз, но в то же время на максимальной частоте полосы пропускания усилителя НЧ — не менее сопротивления R9—
Таким образом, при минимальной частоте принимаемого сигнала 150 кгц и максимальной частоте полосы пропускания усилителя НЧ 3— 4 кгц, емкость конденсатора С8 должна находиться в пределах 4000—10000 пф. Выбранное значение конденсатора С8=6800 пф удовлетворяет этому требованию.
С целью устранения возможной перегрузки усилителя НЧ при сильном сигнале в качестве сопротивления нагрузки детектора по постоянному току используется потенциометр R9, позволяющий регулировать величину напряжения сигнала, подаваемого на вход усилителя НЧ, и тем самым изменять громкость звучания приемника.
Электрические колебания звуковых частот снимаются с нагрузки детектора и через переходный конденсатор C9 поступают далее на вход усилителя НЧ.
Усилитель НЧ приемника — двухкаскадный. Он собран на трех низкочастотных транзисторах (T3— Т5) типа П14. Первый каскад собран на транзисторе T3 и осуществляет предварительное усиление напряжения сигнала. Элементы цепи стабилизации такие же, как и в первых двух каскадах приемника. Между плюсом питания и эмиттерным сопротивлением R13 включено дополнительное низкоомное сопротивление R14 Последнее практически не влияет на режим транзистора Т3, но зато падение напряжения на нем за счет протекания постоянного тока эмиттера используется для создания необходимого начального смещения на базы транзисторов T3 и T5 выходного каскада.
Коллекторной нагрузкой транзистора Т3 служит первичная обмотка согласующего трансформатора Tp1 Сопротивление этой обмотки постоянному току небольшое, около 300 ом, но зато сопротивление току звуковых частот исчисляется килоомами. За счет столь большой нагрузки напряжение сигнала на коллекторе транзистора Т3 примерно в 100—150 раз больше, чем на его базе. Но на вход последующего каскада подается примерно только третья часть усиленного напряжения. Объясняется это тем, что выходной каскад собран по двухтактной схеме на двух транзисторах. Входное сопротивление каждого из этих транзисторов составляет всего несколько сотен ом Для согласования входа двухтактного каскада с предыдущим используется вторичная обмотка трансформатора Tр1, средняя точка которой подключена к общей точке сопротивлений R13 и R14. Сопротивление вторичной обмотки постоянному току незначительное, поэтому напряжение смещения на базах транзисторов T4 и T5 равно напряжению общей точки названных сопротивлений.
Напряжение питания подводится к коллекторам транзисторов T4 и T5 через первичную обмотку выходного трансформатора Тр2, средняя точка которой соединена с минусом источника питания. Вторичная обмотка трансформатора нагружена на динамический громкоговоритель типа 0,1 ГД-6, сопротивление звуковой катушки которого около 10 ом.
При отсутствии сигнала коллекторные токи транзисторов T4 и Т5 определяются только начальным смещением и в среднем составляют по 1,5—2,0 ма. В присутствии сигнала на базы этих транзисторов поступают равные по амплитуде, но противоположные по полярности напряжения, снимаемые с выводов вторичной обмотки трансформатора Tp1 Такое питание входных цепей транзисторов приводит к тому, что когда на базе одного транзистора напряжение сигнала имеет отрицательную полярность и ток его коллектора увеличивается, то на базе другого транзистора напряжение сигнала положительное, и ток его коллектора уменьшается до нуля. Поскольку электрические сигналы звуковых колебаний представляют чередование напряжений положительной и отрицательной полярности, то транзисторы T4 и T5 будут работать по очереди, как бы на два такта.
Основное преимущество двухтактного каскада в его высоком коэффициенте полезного действия (кпд), достигающем 70—75%, и относительно малых искажениях при небольшом токе покоя.
Усилитель НЧ карманного приемника должен пропускать без значительных искажений частоты в полосе от 250—300 гц до 3—4 кгц, в связи с чем емкости переходного конденсатора С9 и шунтирующего конденсатора С10 значительно увеличены по сравнению с аналогичными конденсаторами усилителя ВЧ.
Серьезным недостатком многокаскадных усилительных схем является их склонность к самовозбуждению за счет действия обратной связи между каскадами через внутреннее сопротивление источника питания. С целью устранения этого неприятного явления источник питания за- шунтирован по переменному току электролитическим конденсатором C11, а напряжение питания на усилитель ВЧ и цепь смещения первого каскада усилителя НЧ подается через развязывающий фильтр R12С7.
ДЕТАЛИ, КОНСТРУКЦИЯ И МОНТАЖ
В приемнике применены в основном готовые детали и элементы. Исключение составляют катушки магнитной антенны, монтажная плата, отражательная панель под громкоговоритель и ручка настройки конденсатора переменной емкости, изготовляемые радиолюбителем самостоятельно.
Транзисторы типа П14 могут быть заменены транзисторами П15—П16. Возможно применение также транзисторов типа П13, но для них гарантированное минимальное значение B=12, вследствие чего в ряде случаев может наблюдаться понижение чувствительности и громкости приема. О замене высокочастотных транзисторов было сказано выше.
Диоды типа Д1А могут быть заменены диодами Д1В, Д1Г, Д1Ж, Д9А-Д9Ж.
Трансформаторы НЧ (Тр1, Тр2) используются от карманных приемников. Возможно так же самостоятельное изготовление трансформаторов из наборов деталей, выпускаемых специально для любителей.
Громкоговоритель динамический типа 0,1 ГД-6 может быть заменен громкоговорителями типа 0,15ГД-1, 0,1ГД-3.
Потенциометр регулятора громкости, совмещенный с выключателем питания, от приемника «Сел- га». Возможно также применение потенциометров от других транзисторных приемников.
Конденсатор переменной емкости односекциониый, выпускаемый специально для любительских малогабаритных приемников прямого усиления. Внешние размеры конденсатора 9X20X25 мм, максимальная емкость 350 пф. Ручка настройки конденсатора изготовляется из органического стекла толщиной 4—5 мм. Внешний диаметр этой ручки 28 мм.
Электролитические конденсаторы С7, С9, С10 и С11 выбраны одного типа и номинала: ЭМ—10,0 мкфХ10в, всего 4 шт. Емкость конденсатора С9 может быть уменьшена до 2—3 мкф. Рабочее напряжение конденсатора C10 может составлять 4-6 в, а емкость до 25,0 мкф.
Конденсаторы С2, С4, и С8 типа КДС или КЛС на 6800 пф. Возможно увеличение их емкости до 10 000 пф. Конденсаторы С3, С5 и С12 типа МБМ на 0,05мкФХ160 в, либо типа КЛС на 0,033 мкф.
Постоянные сопротивления (резисторы) типа УЛМ-0,12, в количестве 13 шт. четырех номиналов: 150 ом—2 шт. 1,5 ком—3 шт., 5,1 ком— 5 шт. и 20 ком —3 шт.; номинальные значения сопротивлений могут отличаться от указанных в пределах ±10%. Например, вместо сопротивления на 5,1 ком можно использовать 4,7 ком или 5,6 ком.
Катушки L1 и L2 магнитной антенны наматываются на цилиндрическом ферритовом стержне марки 600НН (Ф-600), предварительно обернутом тремя слоями тонкой полиэтиленовой пленки. Катушка L1 содержит 250 витков, а L2 — 8 витков провода ПЭЛШО 0,1. Можно мотать эти катушки проводом ПЭЛ или ПЭВ 0,1, но при этом несколько понизится добротность контура. Крайние витки катушек закрепляются с помощью резиновых или полихлорвиниловых колец шириной 3—5 мм.
Монтажная плата изготовляется из листового текстолита или гетинакса толщиной 1—2 мм. Чертеж платы в натуральную величину приведен на рис. 2 в тексте. С помощью кальки снимается копия этого рисунка и приклеивается затем на лист материала, предназначенного для обработки. Зачерненные на рис. 2 отверстия под пустотелые монтажные заклепки делаются диаметром 2,5—3,0 мм. Эти заклепки изготовляются из медной фольги или жести, затем вставляются в соответствующие отверстия и расклепываются керном.

Монтаж схемы приемника односторонний. Это значит, что все детали и соединительные провода располагаются по одну сторону монтажной платы, а пайка производится с другой стороны. На рис. 2 на 4-й стр. обложки приведена принципиальная схема приемника, перенесенная на монтажную плату. Собственные выводы деталей обозначены контурными линиями, плюсовая шина питания окрашена в красный цвет, минусовая—в синий, а все остальные проводники показаны утолщенными синими линиями. Последовательность изготовления заклепок и закрепления деталей показана на рис. 3, а расположение деталей, без соединительных проводников, — на рис. 4 обложки.
Последовательность монтажа следующая. Сначала раскладывают соединительные проводники, выполненные из луженого или посеребренного медного провода диаметром 0,3— 0,5 мм в виниловой изоляции, желательно разной расцветки. Затем на плате устанавливается регулятор громкости, трансформаторы НЧ, конденсаторы постоянной емкости, сопротивления, диоды и транзисторы. Выводы транзисторов изгибаются под прямым углом не ближе 5 мм от корпуса. Производя пайку полупроводниковых приборов и малогабаритных деталей необходимо беречь их от перегрева.

Разъем для подключения источника питания делается из переходной панели старой батареи «Крона». Отражательная панель для громкоговорителя изготовляется из плотного картона или фанеры толщиной 2—3 мм (см. рис. 3 в тексте).
НАЛАЖИВАНИЕ
После окончания сборки приемника необходимо тщательно проверить правильность монтажа и только после этого подключить источник питания. Дальнейшие операции необходимо проводить с помощью авометра или тестера. В первую очередь проверяется общий ток, потребляемый приемником. Если его величина находится в пределах 6—10 ма, то можно продолжать дальнейшую работу по налаживанию приемника. При токе много большем или меньшем питание отключается и вновь проверяется монтаж.
Проверка режимов работы производится путем измерения постоянных напряжений на электродах транзисторов. Измеренные значения могут отличаться от указанных на принципиальной схеме до 10—15%. Значительно большие отклонения говорят о неисправности транзисторов или элементов стабилизации.
Убедившись в правильности монтажа и соответствии режимов работы транзисторов можно приступать к проверке работоспособности приемника в целом. С этой целью регулятор громкости ставится в положение максимальной громкости и вращением ротора конденсатора переменной емкости настраиваются на одну из хорошо слышимых станций Необходимо помнить, что магнитная антенна обладает свойством направленного приема и громкость будет максимальной, когда продольная ось стержня антенны расположена горизонтально и направлена перпендикулярно направлению на радиостанцию. Некоторого увеличения громкости приема можно добиться путем подбора наиболее удачного включения катушки связи L2. Дело в том, что между магнитной антенной и усилителем ВЧ существует слабая обратная связь, которая в зависимости от полярности включения катушки L2 может быть отрицательной, либо положительной. В первом случае наблюдается уменьшение чувствительности, во втором— увеличение.
В заключение необходимо указать, что громкость и качество звучания приемника во многом зависят от напряжения источника питания, которое уменьшается по мере разряда батареи. Поэтому необходимо периодически, через 12—15 часов работы приемника, заменять гальваническую батарею или подзаряжать аккумуляторную батарею
Радио №7/1966, ст.61






