ТЕРМОСТАБИЛЬНОСТЬ ГЕНЕРАТОРА
В. СИМОНОВ, Радио №3/1964, ст.54
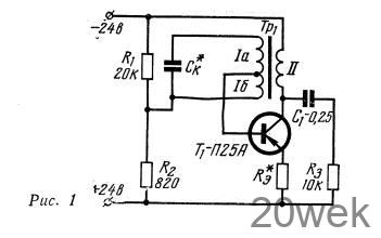
Транзисторный LC генератор (рис. 1), предназначен для работы в диапазоне 0,4—3,5 кгц. Трансформатор Тр1 генератора выполнен на тороидальном сердечнике, составленном из 2 альсиферовых колец ТЧ-60 и имеет следующие данные: площадь сечения магнитопровода 1,5 см2, обмотки намотаны проводом ПЭВ 0,21 и содержат: /а— 2600 витков, /5— 200 витков, II — 900 витков. Чтобы перестроить с одной фиксированной частоты на другую, надо изменить емкость колебательного контура Ск.

Автогенераторы на транзисторах подвержены влиянию изменений температуры окружающей среды. Введение элементов термокомпенсации уменьшает это воздействие, но усложняет схему. Помимо этого на термостабильность параметров генератора влияет его энергетический режим.
Известно, что транзисторный генератор аналогично ламповому может работать в недонапряженном, критическом или перенапряженном режимах. На рис. 2 представлены кривые относительного изменения (в %) коллекторного напряжения генератора при изменении температуры окружающей среды для соответствующей частоты и установленного энергетического режима (недонапряженный режим, как менее приемлемый для целей повышения термостабильности, не рассматривается). Сравнение кривых показывает, что в диапазоне изменения температур от +50° С до — 20° Ct относительное изменение выходного напряжения достигает ±5% в перенапряженном режиме и— 12-±22% и 5±8% в критическом режиме.

Следовательно, для улучшения термостабильности необходимо, чтобы генератор работал в перенапряженном режиме. Коэффициент нелинейных искажений выходного напряжения при этом не увеличивается (рис. 3). Уход частоты генератора практически не зависит от режима работы и составляет не более ±0,5% f, где f— номинальная частота.

Необходимый энергетический режим генератора задают изменением сопротивления в цепи эмиттера R3. Степень перенапряженности режима (30—40%) устанавливают при помощи осциллографа про провалу импульса тока относительно максимального уровня (рис. 4).

Указанная настройка отличается простотой и значительно улучшает термостабильность транзисторного LC генератора.





