СТЕРЕОФОНИЧЕСКИЙ УСИЛИТЕЛЬ
И. Кусев, Радио №1/1965, ст.28
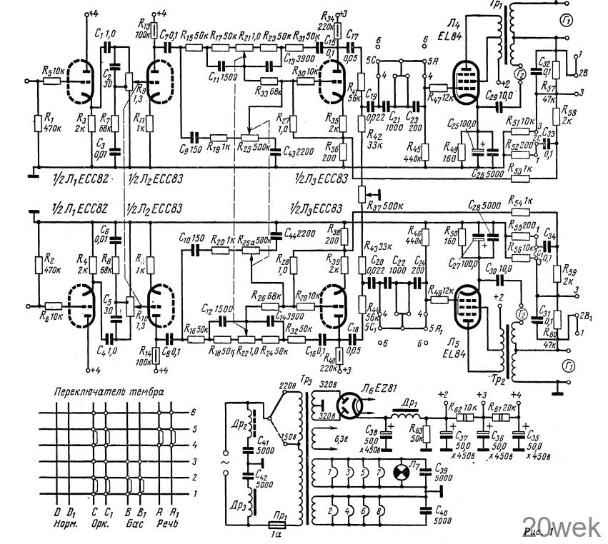
Усилитель предназначен для стереофонического и монофонического воспроизведения программ радиовещательных станций и граммофонных пластинок. Максимальная выходная мощность каждого канала усилителя 6 вт при коэффициенте нелинейных искажений не более 1%, номинальная мощность 1,5вт, при коэффициенте нелинейных искажений не более 0,8%. Уровень собственного шума при проигрывании грампластинок 20 дб, при работе от радиоприемника 30 дб. Глубина регулировки тембра низших звуковых частот на частоте 20 гц± 15 дб. Глубина регулировки тембра высших звуковых частот на частоте 16 кгц ± 12 дб. Усилитель воспроизводит полосу звуковых частот от 20 гц до 16 кгц при неравномерности частотной характеристики не более 0,5%.
Первый каскад обоих каналов усилителя выполнен на двух триодах лампы ЕСС82 по схеме катодного повторителя. На входах вторых каскадов усиления включены регуляторы частотной характеристики R9— R10. Этому регулятору следует уделить особое внимание, так как он позволяет изменять частотную характеристику усилителя, не уменьшая величину обратной связи. Регуляторы тембра высших R25, R25а и низших R21, R22 звуковых частот включены в цепи частотно-зависимой обратной связи между вторым и третьим каскадами усилителя.

Регулятор стереобаланса Rз7 включен между третьим и четвертым каскадами обоих каналов усилителя. Два последних каскада усилителя охвачены частотно-зависимой отрицательной обратной связью глубиной 20 дб. Напряжение обратной связи со вторичных обмоток выходных трансформаторов подается в цепи катодов ламп предоконечных каскадов усилителя. Кроме плавной, в усилителе имеется ступенчатая регулировка тембра на четыре положения: «нормальное», «оркестр», «речь», «бас», позволяющая получить желаемый тембр звучания как высших, так и низших звуковых частот.
Выходные каскады каждого канала усилителя выполнены на лампах EL84 по ультралинейной схеме. Каждый канал усилителя нагружен на два громкоговорителя 6 вт и 1,5 вт. Чтобы улучшить звучание громкоговорителей их рекомендуется незначительно переделать, руководствуясь эскизами, приведенными на рис. 2.

От редакции. Лампу ЕСС82 можно заменить лампой 6Н1П,лампу ЕСС83— лампой 6Н2П, лампу EL84 — лампой 6П14П. Кенотрон EZ81 заменяется двумя, параллельно соединенными кенотронами 6Ц4С или одним кенотроном типа 5ЦЗС. Применительно к отечественным лампам детали имеют следующие данные.
Выходной трансформатор Тр1(Тр2) собран на сердечнике, набранном из пластин Ш-20, толщина набора 25 мм (площадь окна 5,4 м2). Его первичная обмотка содержит 2500 витков провода ПЭЛ 0,18. Отвод к экранирущей сетке делается от 500-го витка, считая от вывода 2. Вторичная обмотка состоит из двух последовательно соединенных секций: 57 витков провода ПЭЛ 1,0 и 60 витков ПЭЛ 0,12. Выводы первой секции соединяются с зажимами Г1, к которым подключается и нагрузка — два параллельно соединенных громкоговорителя ЗГД-2 (или 4ГД-2). Силовой трансформатор мощностью 120 вт собран на сердечнике, набранном из пластин Ш-30, толщина набора 48 мм, площадь окна 14,6 см2. Обмотки содержат: сетевая —440+320 витков провода ПЭЛ 0,69 + ПЭЛ 0,51; повышающая — 870+870 витков провода ПЭЛ 0,25; накала кенотрона — 19 витков провода ПЭЛ 1,2; накала ламп: 24 витка ПЭЛ 0,96 и 24 витка ПЭЛ 0,72. Дроссель фильтра Дрг собран на сердечнике Ш-19Х30, зазор 0,2 мм. Его обмотка состоит из 4500 витков провода ПЭЛ 0,22. Дроссели в цепи сетевой обмотке силового трансформатора содержат по ПО витков провода ПЭЛ 0,12. Они намотаны на карбонильных сердечниках СЦГ-2.





