СТАБИЛИЗИРОВАННЫЙ ИСТОЧНИК ПИТАНИЯ
Б. Минин, Радио №3/1965, ст.58
Описываемый блок питания с защитой от коротких замыканий дает возможность получать стабилизированное напряжение 7,5 и 17 в при токе нагрузки до 80 ма.
Выходной ток можно регулировать в широких пределах с помощью переменного ограничивающего сопротивления, шкала которого непосредственно проградуирована в миллиамперах
Транзисторы работают в облегченном режиме, поэтому не надо принимать специальных мер для их охлаждения.

В выпрямителе блока питания можно использовать любые диоды серии Д7. Емкость конденсатора фильтра С1 — 1000 мкф, однако в большинстве случаев можно использовать 3—5 конденсаторов по 100 мкф.
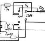
Коэффициент усиления транзисторов по току должен быть не менее 30—50. Потенциометр R4 —типа СП или СПО, переменное сопротивление R3 должно быть проволочным с мощностью рассеивания не менее 10 вт.
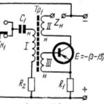
Сердечник трансформатора Tp1 набран из пластин Ш-18, толщина набора 22 мм. Обмотка I содержит 1650—1300 витков провода ПЭЛ 0,2, обмотка II—300 витков провода ПЭЛ 0,35.
Обе шкалы (7,5 и 17 в) потенциометра R3 градуируют с помощью вольтметра необходимой точности. К выходу блока питания подключают переменное проволочное сопротивление 1—2 ком, а последовательно с ним— миллиамперметр. Вольтметр остается подключенным к выходу. Затем изменяют сопротивление нагрузки и отмечают ток, при котором напряжение на выходе начинает уменьшаться.
При работе с блоком при помощи переключателя П1 и потенциометра R4 устанавливают необходимую величину напряжения. Если требуется высокая стабильность выходного напряжения, напряжение снимают с гнезд «+», «-стаб.». При этом относительная нестабильность равна 0,005— и 0,02% на 1 ма для 7,5 и 17 в соответственно. При использовании схемы электронного потенциометра нестабильность может достигать 0,01—0,1% на 1 ма. С помощью переменного сопротивления R3 устанавливают допустимую для каждого конкретного случая величину тока.





