SSB-возбудитель на транзисторах
О. ГАЗНЮК, Радио №12/1967, ст.20
В полевых условиях очень важно иметь передатчик малых размеров п веса. Достичь этого можно, собрав возбудитель (или весь передатчик) на транзисторах. Дополнительными преимуществами такого возбудителя являются высокая экономичность и мгновенная готовность к работе. Транзисторный возбудитель нисколько не уступает ламповому. Это установлено во время QSO с советскими и зарубежными радиолюбителями .
Предлагаемый вниманию радиолюбителей транзисторный возбудитель работает в диапазоне частот 28,34-29,3 Мгц. Он собран на 12 транзисторах, четырех полупроводниковых диодах и двух кремниевых стабилитронах. Формирование SSB- сигнала с выделением верхней боковой полосы происходит при помощи электромеханического фильтра. Глубина подавления несущей частоты и нижней боковой полосы — не хуже 36 дб. Максимальное напряжение ВЧ сигнала на выходе возбудителя (при нагрузке на сопротивление 75 ом) — 0,15 в. При работе телефоном применяется микрофон МД47. Напряжение источника питания — 12 в, общий потребляемый ток (без сигнала) — 55 ма.
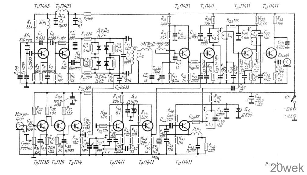
Схема возбудителя изображена на рис. 1. SSB-сигнал в нем формируется следующим образом. На транзисторе П403 (Т1) собран опорный генератор на частоту 500 кгц но трехточечной схеме с емкостной связью и кварцевой стабилизацией. Чтобы исключить возможность паразитных связей между генератором и смесителем, а также последующими каскадами и для лучшего согласования, высокочастотное напряжение с генератора подается на балансный модулятор, собранный на четырех диодах Д2Е (Д1—Д4), через эмиттерный повторитель на транзисторе П403 (Т2). Диоды Д1—Д4 устанавливаемые в балансном модуляторе, подбирают с одинаковыми прямыми сопротивлениями. Их обратные сопротивления выравнивают, подбирая шунтирующие резисторы R11— R14.

Двухполосный сигнал с подавленной несущей частотой (сигнал DSB) с выхода балансного модулятора через согласующий ВЧ трансформатор (катушки поступает в электромеханический фильтр ЭМФ- Д-5ОО-ЗВ. В этом фильтре осуществляется подавление нижней боковой полосы и, кроме того, дополнительно подавляется несущая частота. Таким образом на выходе ЭМФ окажется полностью сформированный SSB-сигнал с частотой около 500 кгц.
Этот сигнал поступает в эмиттерный повторитель на транзисторе П403 (Тб) и далее в первый смеситель, выполненный на транзисторе П411 (Т7). Кроме SSB-сигнала на базу транзистора Т1 подается напряжение генератора плавного диапазона (ГПД), который собран на транзисторе П411 (T8) по трехточечной схеме с индуктивной связью и работает в диапазоне 4,4- 5,4 Мгц. Контур генератора (L6Ć36C37) слабо связан с транзистором. Для ослабления влияния других каскадов на стабильность колебаний ГПД после него установлен эмиттерный повторитель на транзисторе П411 (T9), с которого и снимается напряжение на первый смеситель. Напряжение питания транзисторов Т8 и Т9 стабилизировано при помощи кремниевого стабилитрона Д809 (Д5).
На контуре L3С21С23 в коллекторной цепи транзистора Т7 выделяется напряжение в диапазоне 4,9 -5,9 Мгц. Через катушку связи оно поступает на базу транзистора П411 (T10) второго смесителя,, где смешивается с напряжением частоты 23.4 Мгц, которое является второй гармоникой основной частоты стабилизированного кварцем генератора на транзисторе П411 (T11) и выделяется на соответственно настроенном контуре L7C46 в коллекторной цепи T11. Напряжение питания генератора на транзисторе Т11 стабилизировано кремниевым стабилитроном Д809 (Д6).
Напряжение, полученное на выходе второго смесителя (коллекторном контуре L5C27C28), подается на эмиттерный повторитель, собранный на транзисторе П411 (T12). К эмиттеру этого транзистора подключен выходной коаксиальный разъем, с которого ВЧ напряжение снимается на усилитель мощности.
Низкочастотный модулятор возбудителя — трехкаскадный на транзисторах П13Б (T3), П10 (T4) и П14 (T5). Особенностью схемы модулятора является гальваническая связь между каскадами, что улучшает его частотную характеристику.
Последний каскад модулятора (на транзисторе T5) представляет собой эмиттерный повторитель, необходимый для согласования входа НЧ модулятора с низким входным сопротивлением балансного модулятора.
Конструкция. Возбудитель смонтирован на металлическом шасси размерами 180X110X30 мм, разделенном перегородками на пять отсеков. В первом отсеке размещен НЧ модулятор, во втором — балансный модулятор и катушки L1L2, в третьей — опорный генератор, в четвертом — эмиттерный повторитель на транзисторе T6 и в пятом отсеке — все остальные каскады. Электромеханический фильтр проходит через отверстие в перегородке, разделяющей отсеки балансного модулятора и эмиттерного повторителя на транзисторе T6. Контурные катушки установлены таким образом, что их можно настраивать (при помощи карбонильных сердечников) через специальные отверстия в верхней части шасси, на которой размещены два кварце держателя, блок конденсаторов переменной емкости с простейшим верньерным устройством и батареи питания (3 шт. КБС-Л-0,5). Снизу к шасси припаивают лист жести или латуни для полной экранировки всех отсеков.
применен блок конденсаторов переменной емкости с УКВ секциями, применявшийся в широковещательных приемниках с УКВ диапазоном. Секции блока емкостью 11—494 пф используются в качестве С23 и С36, а емкостью 7 — 19 пф (УКВ секция) — в качестве С28. Конденсатор С37 должен быть с слюдяной изоляцией (типа КСО). Данные катушек сведены в таблицу.

Шасси возбудителя помещают в футляр размерами 185 X 115X 115 мм.
Настройка. Правильно собранный возбудитель начинает работать сразу. Требуется лишь подстроить балансный модулятор на максимальное подавление несущей частоты и контурные катушки на нужные частоты.
Если прямые и обратные сопротивления диодов Д1-Д4 тщательно выравнены, останется лишь подобрать емкость конденсатора С10 по минимальным показаниям милливольтметра МВ Л-2 или МВ Л-3, включенного параллельно резистору R18. При подборе С10 колебания генератора плавного диапазона должны быть сорваны
Диапазон рабочих частот ГПД устанавливают при помощи гетеродинного волномера или по шкале эталонного приемника. Контроль настройки контура L3С21С23 ведут по максимальным показаниям милливольтметра одного из указанных выше типов, подключенного к базе транзистора T10. Во время настройки генератор на транзисторе T11 отключают или срывают его генерацию. Настройку контура L5C27C28 контролируют по максимальным показаниям лампового вольтметра ВК7-3 (А4-М2), включенного на выход возбудителя, пли 5-метра приемника, тлеющего 10-метровый диапазон.
Результаты испытаний. Возбудитель был испытан совместно с трехкаскадным транзисторным усилителем мощности. Были установлены связи с любительскими радиостанциями G3MOD, GW3DZY, G3FF, F9IB, EP2GF и другими. Пиковая выходная мощность передатчика во время QSO составляла около 0,5 вт.
Работа телеграфом. Возбудитель предназначен для работы телефоном, но его очень легко приспособить для телеграфной передачи, присоединив к точкам а и б НЧ модулятора цепь, показанную па рис. 2, а. Тогда модулятор обращается в НЧ генератор частоты 700-1500 гц. Телеграфный ключ присоединяют к эмиттериой цепи транзистора так, как показано па рис. 2, б. В качестве НЧ дросселя Др’ используют первичную обмотку согласующего трансформатора, применяемого в усилителях НЧ карманных транзисторных приемников. Амплитуду генерируемого НЧ напряжения можно подобрать, меняя сопротивление резистора R’. Выключатель Вк’ — двухполюсный тумблер.

