Сигнализатор разрядки аккумулятора
Л. КСАНФОМАЛИТИ, Радио №10/1966, ст.48
Надежная работа аккумуляторов и срок их службы определяются тем, насколько правильно они эксплуатируются. Контроль за напряжением питания можно осуществить с помощью вольтметра, однако для переносных приемников это слишком громоздко и затруднительно.
Ниже предлагается простой бло- кинг-генератор на одном транзисторе.
Вырабатываемые блокинг-генератором колебания поступают непосредственно на вход усилителя низкой частоты приемника, что вызывает появление характерного громкого звука при любом положении регулятора громкости. Это свидетельствует о том, что дальнейший разряд аккумулятора недопустим.
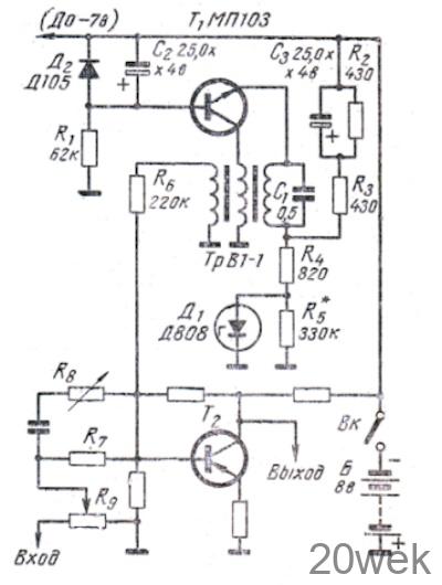
Схема устройства приведена на рисунке, в верхней части которого показан сигнализатор, а в нижней— первый каскад усилителя НЧ приемника.

В генераторе использован кремниевый транзистор Т1 типа МП 103, на базу которого подается постоянное i смещение с кремниевого диода Д2 типа Д105, включенного в прямом : направлении. Величина тока смещения определяется резистором Транзистор нормально заперт по эмиттеру: стабилитрон открывается при напряжении 7, 1 в, а при напряжении 7,2 в проходящий через него ток обеспечивает на резисторах R2 и R3 падение напряжения, достаточное для запирания транзистора Т1. Резистор R4 ограничивает ток в цепи R2—R4 при напряжении батареи 9 в до 1,1 ма. По мере приближения к уровню сигнализации этот ток падает до 200 мка. При падении напряжения в цепи питания ниже 7,2 в транзистор T1 открывается и в цепи блокинг-трансформатора Тр появляются колебания.
При использовании трансформатора В1-1 получаются прерывистые колебания с частотой около 3 кгц. Тон на выходе низкочастотной части от таких колебаний напоминает звук цикады. Для того, чтобы этот звук был хорошо заметен, колебания с входной обмотки трансформатора подаются через резистор R6 непосредственно на базу первого каскада усилителя НЧ (T2), минуя регуляторы громкости R9 и тона R8.
Для батареи 7Д-0,1 стабилитрон Д1 необходимо подобрать по напряжению стабилизации 7,0—7,2 в. Резистор позволяет несколько подкорректировать уровень сигнализации.
Весь блок выполнен на плоской плате размером 22 X 52 мм, высота монтажа 9 мм.
При необходимости сигнализатор может быть настроен на другое напряжение, для чего необходимо применить другой стабилитрон. При отсутствии микромодульного трансформатора типа В1-1 с успехом может быть применен переходной низкочастотный трансформатор от карманных приемников. В коллекторную цепь Т1 включается обмотка с большим числом витков, а в эмиттерную — одна секция выходной обмотки, правильное включение которой находится опытным путем. Емкость конденсатора С1 необходимо уменьшить до 0,05 мкф. Выходной сигнал в этом случае можно снимать с эмиттера Т1 через резистор R6 и конденсатор емкостью 0,002—0,02 мкф. Звук получается также весьма характерным (прерывистые колебания с частотой около 400 гц.)„ Громкость может быть увеличена путем уменьшения величины резистора R6 до 50— 100 ком.
В случае применения транзисторов р-п-р необходимо изменить полярность питания генератора й включения конденсаторов С2, С3 и диодов Д1 Д2 на обратную.





