Широкополосный усилитель ВЧ
В. ЭЙНБИНДЕР, А. ВАСИЛЬЕВ, Радио №6/1966, ст.41
Усилитель высокой частоты позволяет повысить реальную чувствительность приемника, сделать более эффективной работу смесителя, в значительной степени снизить паразитное излучение гетеродина в антенну и уменьшить взаимную зависимость настройки входных и гетеродинных контуров
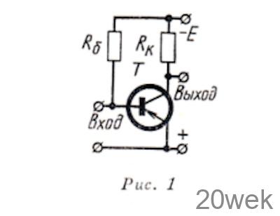
Схема одного из таких усилителей приведена на рис. 1. Коэффициент усиления апериодического усилителя уменьшается с повышением частоты сигнала. Неравномерность коэффициента усиления с частотой проявляется тем сильнее, чем больше сопротивление нагрузки Rк. Так для диапазона ДВ и СВ оптимальное значение этого сопротивления должно составлять 2,4-2,7 ком. На более высоких частотах величину необходимо уменьшить до 100-200 ом.

Зависимость коэффициента усиления от частоты вызвана как зависимостью усилительных свойств самого транзистора, так и влиянием входной цепи последующего каскада (смесителя), имеющей емкостной характер
Для уменьшения влияния входной проводимости последующего каскада применяются корректирующие элементы. Наиболее эффективное действие оказывает включение катушки индуктивности L последовательно с сопротивлением нагрузки (рис. 2, а). Эквивалентная схема выходной цепи усилителя с учетом влияния следующего каскада представлена на рис. 2, б, где С11 и г11 — входная емкость и входное сопротивление второго каскада, rб — сопротивление базы транзистора.

Для диффузионных транзисторов типа П401-П403 rб— 50=100 ом. Можно так подобрать элементы коррекции RK и L, что входная проводимость второго каскада станет чисто активной и не будет зависеть от частоты. В этом случае эквивалентное сопротивление нагрузки усилителя будет мало (порядка 50- 100 ом) и, следовательно, усиление также будет незначительным. Практически элементы коррекции рассчитываются таким образом, чтобы входное сопротивление второго каскада уменьшалось не более чем в √2- раз. При этом усиление каскада снижается не более чем на 3 дб, то есть остается практически постоянным в широком диапазоне усиливаемых частот.
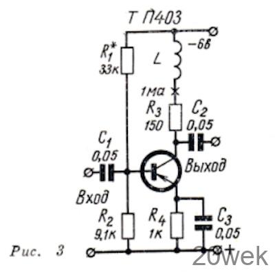
На рис. 3 приведена практическая схема усилителя высокой частоты с корректирующей индуктивностью. Коэффициент усиления каскада (с учетом влияния смесителя) равен 16 дб и практически постоянен в диапазоне частот 0,1 -25 Мгц, что дает возможность применить усилитель во всеволновом супергетеродинном приемнике. Корректирующая индуктивность L намотана на резисторе типа МЛ Т-0,5=47 — 100 ком и содержит 30 витков провода ПЭВ 0,15. Ее индуктивность —2 мкгн.






