Широкополосный милливольтметр на транзисторах
Радио №9/1964, ст.53
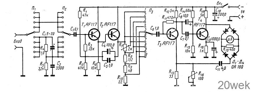
Этот милливольтметр можно использовать при снятии частотной характеристики, для определения отношения сигнал — шум и коэффициента усиления. Он измеряет напряжения от 10 мв до 300 в эфф (10 пределов измерения) в диапазоне частот 20 гц — 3 Мгц. Входное сопротивление прибора 500 ком при измерении напряжений от 10 мВ до 1 в и 1 Мом при измерении напряжений от 3 в до 300 в, Питается прибор от батареи напряжением 9 в, потребляемый ток 4 ма
Входной каскад на транзисторах Е1, Т2 включен по схеме двойного эмиттерного повторителя. Широкополосный усилитель, собранный на транзисторах Т3, Т4, охвачен отрицательной обратной связью. Напряжение обратной связи с измерительного моста на диодах Д1—Д4 поступает в цепь эмиттера транзистора Т3.

Интервал между верхним и нижним пределами измерения составляет 90 дб, Перевод переключателя П1-П2 в первое положение соответствует 50 дб. Переключатель П3 на 11 положений служит для установки необходимого предела измерения.
При отсутствии обратной связи усилитель Т3, Т4 начинает работать при подаче напряжения 0,5 мв на базу транзистора Т3. В данном применяслучае на выходе транзистора Т2 развивается напряжение 9,5 мв, поэтому возможна довольно глубокая обратная связь (до 26 дб).
В качестве стрелочного прибора использован микроамперметр чувствительностью 200 мка с внутренним сопротивлением 400 ом. Для симметрирования измерительного моста служит потенциометр R16. При этом на вход транзистора Т3 подают напряжение 10 мв частотой 10 кгц и потенциометром R16 добиваются отклонения стрелки на конечное деление шкалы. В милливольтметре применены высокочастотные транзисторы с высоким усилением по току.
ОТ РЕДАКЦИИ: Транзисторы AF117 можно заменить на П406, а германиевые диоды ОА160 на Д2.





