СХЕМА ЗАДЕРЖАННОЙ АРУ С КРЕМНИЕВЫМ ДИОДОМ
В. Заенцев, Радио №1/1966, ст.35
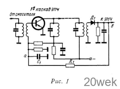
Наиболее простой и широко распространенной системой АРУ, применяемой в транзисторных радиоприемниках («Спидола» и др.), является такая, при которой изменяется напряжение на базе транзистора первого каскада усилителя ПЧ. Принципиальная схема такого усилителя ПЧ приведена на рис. 1. В схеме показаны первый каскад усилителя ПЧ, детектор и цепь АРУ; промежуточные каскады условно опущены. Эффективность работы АРУ в этом усилителе определяется величиной сопротивления R1 фильтрующей цепочки R1C1 При уменьшении величины сопротивления R1 глубина регулировки АРУ возрастает, однако при этом АРУ начинает работать даже при малых сигналах и чувствительность приемника ухудшается. Величина этого сопротивления выбирается в пределах нескольких десятков ком, что исключает работу системы АРУ при слишком слабых сигналах и относительно мало влияет на чувствительность приемника.

Существует ряд схем, обеспечивающих большую глубину регулировки АРУ, например схема усиленной АРУ, схема с диодными делителями, описанные в журналах «Радио» № 3 и 4 за 1964 год. Однако эти схемы довольно сложны и не получили распространения в промышленных образцах транзисторных радиоприемников.
На рис. 2 приведена цепь АРУ из схемы, изображенной на рис. 1, с использованием кремниевого диода Д2. Эта схема по сравнению с обычной схемой АРУ обеспечивает большую глубину регулировки АРУ, а в некоторых случаях улучшает и чувствительность приемника.

Схема отличается от обычной тем, что между детектором приемника и сопротивлением фильтрующей цепочки АРУ включен кремниевый диод Д2, и поэтому при увеличении сигнала на выходе детектора ток через диод увеличивается. Вследствие ярко выраженной нелинейности дифференциального сопротивления кремниевых диодов в области малых напряжений и токов, при малых значениях напряжения постоянной составляющей на выходе детектора ток через кремниевый диод мал, а его сопротивление постоянному току велико поэтому напряжение на базе регулируемого транзистора тракта ПЧ уменьшается. Так как при малом сигнале сопротивление диода составляет несколько десятков ком, то при последовательном включении диода в цепь АРУ величину сопротивления можно значительно уменьшить по сравнению с обычной схемой АРУ практически не меняется и АРУ не работает. При увеличении сигнала на выходе детектора постоянная составляющая тока через кремниевый диод увеличивается и, начиная с некоторого значения, сопротивление диода Д2 в цепи АРУ начинает резко уменьшаться. Напряжение на базе транзистора первого каскада усилителя ПЧ также изменяется, транзистор все больше запирается, и усиление тракта ПЧ уменьшается. Так как при малом сигнале сопротивление диода составляет несколько десятков кОм, то при последовательном включении диода в цепь АРУ величину сопротивления R1 можно значительно уменьшить по сравнению с обычной схемой АРУ, повысив тем самым глубину регулировки АРУ. При этом уменьшения чувствительности приемника не произойдет.
Поскольку напряжение смещения на базе регулируемого транзистора первого каскада усилителя ПЧ приложено к диоду Д2, то, изменяя его, можно в некоторых пределах регулировать величину задержки АРУ и тем самым и чувствительность приемника.
Практические эксперименты с описанной схемой проводились на нескольких промышленных образцах радиоприемника «Спидола» без переделки приемника, за исключением введения кремниевого диода и изменения величины сопротивления R27 (27 ком) фильтрующей цепочки АРУ. Характеристики АРУ снимались при различных типах диодов и различных величинах сопротивления R27 как со входа усилителя ПЧ, так и с антенны приемника. Результаты проверки схемы АРУ приведены на рис. 3. На этом же рисунке показана кривая АРУ (1) приемника «Спидола» для случая с обычной схемой АРУ. Эти эксперименты показали, что глубина регулировки АРУ увеличивается до 50— 60 дб, при этом чувствительность приемника на некоторых образцах улучшалась.

Лучшие результаты были получены при применении диодов типа Д104— Д106А и сопротивления (в приемнике «Спидола» — R21) величиной в 5,1 ком.
Результаты исследований показывают, что при относительно простой схеме можно получить высокую эффективность работы АРУ. Схема может найти применение как в любительских, так и в промышленных образцах транзисторных радиоприемников





