СЕМИДОАЗОННЫЙ ЛЮБИТЕЛЬСКИЙ СУПЕРГЕТЕРОДИН
Г. Микиртичан, Радио №2/1965, ст. 24
Приемник собран на шестнадцати транзисторах и предназначен для приема местных и дальних радиовещательных и любительских станций в стационарных и походных условиях. Прием радиовещательных станций в диапазонах длинных (700—2000 м) и средних (180— 580 м) волн осуществляется на внутреннюю магнитную антенну. Прием коротковолновых любительских радиостанций может производиться на магнитную, выдвижную телескопическую или наружную антенны. Для приема любительских радиостанций в приемнике имеются пять растянутых поддиапазонов: 3,5—3,65 Мгц (80 м); 7,0—7,1 Мгц (40 м); 14 — 14,35 Мгц (20 м); 21,0—21,45 Мгц (14 м) и 28—28,5 Мгц (10 м).
Прием радиостанций в диапазоне КВ производится с двумя преобразованиями частоты: первая промежуточная частота изменяется в пределах 1100—1650 кгц, вторая фиксированная — 465 кгц. Настройка на радиостанции в КВ поддиапазонах производится изменением первой промежуточной частоты. Настройка на радиостанции в диапазонах ДВ и СВ осуществляется изменением частоты второго гетеродина.
Чувствительность приемника при приеме на магнитную антенну в диапазоне ДВ не хуже 1 мв/м, в диапазоне СВ не хуже 0,5 мв/м, а в диапазоне КВ не хуже 0,2 мв/м. При приеме на штыревую антенну чувствительность приемника не хуже 50 мкв, а при приеме на наружную антенну — не хуже 10 мкв. Избирательность приемника по соседнему каналу не менее 40 дб. Ослабление зеркального канала в диапазонах ДВ и СВ при приеме на магнитную антенну 30 дб, в диапазоне КВ—26 дб.
Приемник имеет переменную полосу пропускания, которая может изменяться плавно от 2,5 кгц до 16 кгц при неравномерности 3 дб. Для приема телеграфных сигналов в приемнике имеется третий гетеродин. С целью повышения стабильности работы приемника в нем предусмотрен экономичный стабилизатор напряжения, обеспечивающий практически неизменное напряжение питания (2,6 в) для всех каскадов ВЧ и предварительных каскадов НЧ.
Питание приемника осуществляется от двух батарей типа КБС-Л-0,5. При последовательном соединении батарей усилитель низкой частоты обеспечивает мощность на выходе до 0,8 вт, при параллельном — 220 мВт. Ток, потребляемый приемником в режиме молчания, при напряжении источника питания 9 в, составляет 16 ма в диапазонах ДВ и СВ и 19 ма в диапазоне КВ; при напряжении питания 4,5 в потребляемый ток соответственно 9 и 12 ма.
В режиме максимальной неискаженной мощности ток, потребляемый приемником при 9 в, составляет 100—110 ма, а при напряжении 4,5 в—50—60 ма. В приемнике предусмотрены гнезда для подключения звукоснимателя пьезоэлектрического типа. Усиливаемая полоса частот в этом случае составляет 30 гц—15 кгц при неравномерности менее 6 дб. Коэффициент гармоник усилителя НЧ при мощности на выходе 100 мет, напряжении 4,5 в и частоте 60 гц не превышает 3—5%. Коэффициент полезного действия усилителя низкой частоты близок к 70%.
В приемник вмонтирован громкоговоритель типа 1 ГД-18 с эллиптическим диффузором. Размеры футляра приемника 207 X 138 X 70 мм.
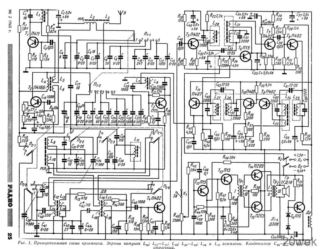
Принципиальная схема приемника приведена на рис. 1. Первый преобразователь частоты, предназначенный для приема радиостанций в диапазоне КВ, выполнен на транзисторах Т1 (П411) и Т2 (П416А). Оба транзистора включены по схеме с общим эмиттером. Стабилизация режимов работы транзистора Т1 обеспечивается последовательно-параллельной отрицательной обратной связью (сопротивления R1, R2, R3 и R4), а транзистора Т2 последовательной обратной связью (сопротивления R5, R6, R7 и R8)- Сопротивление R1 и конденсатор С2 выполняют роль развязывающего фильтра в цепи питания транзистора T1.

На входе смесительного каскада, собранного на транзисторе Т1, включен одиночный резонансный контур. Его катушка L2 выполняет роль магнитной антенны. Этот контур настраивается на среднюю частоту каждого из поддиапазонов подключением к катушке L2 с помощью переключателя П1-1, конденсаторов: в поддиапазоне 10 м- С4, С5; 14 м—С1, С7, 20 м — С8, C9, 40 м — С10, С11 и 80 м — С12, С13.
В цепь коллектора транзистора Т1 включен широкополосный резонансный контур L1 С1 настроенный на частоту 1350 кгц. Полоса пропускания этого контура равна 500 кгц (от 1100 кгц до 1600 кгц).
Отдельный гетеродин первого преобразователя частоты собран на транзисторе Т2. Его частота генерации определяется резонансным контуром, включенным в цепь коллектора, и в пределах каждого из поддиапазонов частот остается неизменной. Требуемая частота в каждом из КВ поддиапазонов обеспечивается подключением к индуктивности контура гетеродина L4 с помощью переключателя П1-2, конденсаторов: в диапазоне 10 м—С18, С19; 14 м—С20, С21; 20 м — С22, С23; 40 м— С24, С25 и 80 м — С26, С27. Напряжение положительной обратной связи снимается с катушки L6 и подается в цепь базы транзистора Т2.
В каждом из поддиапазонов КВ частота гетеродина (fг) должна устанавливаться таким образом, чтобы разность между средней частотой принимаемого сигнала (fc cp) и частотой гетеродина (fг) удовлетворяла следующему условию: f c cp— fг = 1350 кгц.
В этом случае частотный спектр каждого из поддиапазонов КВ будет преобразован в спектр от 1100 кгц до 1600 кгц, то есть в высокочастотную часть диапазона средних волн, а градуировка шкалы приемника в поддиапазонах КВ будет иметь одинаковый с диапазонами ДВ и СВ возрастающий (или убывающий) характер.
Второй преобразователь частоты собран на транзисторах T4 и Т5 (П402), включенных по схеме с общим эмиттером. Цепи стабилизации рабочих точек этих транзисторов аналогичны цепям стабилизации транзисторов Т1 и Т2.
Частота генерации второго гетеродина определяется резонансными контурами, включаемыми в цепь коллектора Т4 при помощи обмоток связи L19 на длинных и L15 на средних и коротких волнах. Колебательные контуры состоят: на ДВ (переключатели П2_5 и П2_6 устанавливаются в положение 1) — из катушки L18 и конденсаторов С42, С13, С44 и С38, а на СВ (П2_5 и П2_6 устанавливаются в положение 2) — из катушки L14 и конденсаторов С40, С41 и С38. В диапазоне КВ во втором гетеродине используется колебательный контур диапазона СВ, в который для получения необходимого перекрытия частоты последовательно с конденсатором переменной емкости С38 включается конденсатор С39 (переключатели П2_5 и П2_6 устанавливаются в положение 3).
Напряжение положительной обратной связи в диапазоне ДВ снимается с обмотки связи L17 и подается в цепь базы транзистора T4 через сопротивление R14, а в диапазоне СВ и КВ— с катушки L13 и подается также в цепь базы транзистора Т4 через сопротивление R13. Напряжение связи с каскадом смесителя снимается с катушек L13 на ДВ и L12 на СВ и КВ диапазонах и подается в цепь базы транзистора Т5 последовательно с напряжением источника сигнала.
Прием радиостанций в диапазонах ДВ и СВ осуществляется на магнитную антенну МА2 при установке переключателя П1_2—П1_6 соответственно в положение 1 или 2. Колебательный контур входной цепи смесителя в диапазоне ДВ состоит из катушки L10 и конденсаторов С32, С33 и С34, а в диапазоне СВ— из катушки L9 и конденсаторов С31 и С34. При приеме на СВ к катушке контура диапазона ДВ (L10) с помощью переключателя П2_3 подключается конденсатор С35. Этот конденсатор снижает резонансную частоту контура L10С32С33 и полностью устраняет его влияние на работу колебательного контура L9C31C34. Связь входных контуров с базой транзистора T5— автотрансформаторная.
Прием радиостанций в поддиапазонах КВ производится следующим образом. Переключатель П2_1—П2__6 устанавливается в положение 3 — «короткие волны». При этом секцией П2_1 включается напряжение питания цепей транзисторов Т1 и Т2 первого преобразователя частоты, секцией П2_2 отключается магнитная антенна МА2 и включается резонансный контур L11С3бС37С34, а секцией П2_4 обеспечивается автотрансформаторное подключение этого контура к входной цепи второго смесителя. Катушка L11 этого контура имеет такую же индуктивность, как и L9, а конденсатор С37 по своему назначению аналогичен конденсатору С39. Настройка контура производится конденсатором переменной емкости С34. Благодаря конденсаторам С36 и С37 второй преобразователь частоты оказывается настроенным на прием радиостанций в диапазоне от 1100 до 1600 кгц, в который преобразуются сигналы поддиапазонов КВ первым преобразователем частоты. Колебательный контур L11С36С37С34 связан с контуром L1C1 через конденсатор связи С17.
Усилитель ПЧ собран на четырех транзисторах Т7—Т10 типа П402, включенных по схеме с общим эмиттером. Температурная стабилизация режимов работы каждого из транзисторов Т7 и Т8 обеспечивается индивидуальной комбинированной отрицательной обратной связью по постоянному току, а транзисторов T9 и T10— общей параллельно-последовательной отрицательной обратной связью. Она обеспечивается непосредственным включением цепей коллектора транзистора Т9 с базой транзистора T10 и базы транзистора Т9 с цепью эмиттера транзистора Т10 (сопротивление постоянному току катушки L25 можно считать равным нулю).
Недостаток схемы стабилизации с общей отрицательной обратной связью заключается в том, что при этом трудно осуществлять автоматическую регулировку усиления, так как уменьшение тока коллектора в первом каскаде приводит к увеличению тока во втором, а уменьшение тока второго каскада — к резкому уменьшению напряжения на коллекторе первого. Поэтому режим работы первого каскада усилителя ПЧ, используемого в схеме автоматической регулировки усиления, и второго каскада усилителя ПЧ стабилизируется индивидуальными обратными связями по постоянному току.
Все каскады усилителя ПЧ охвачены индивидуальными отрицательными обратными связями по переменному току (сопротивления R30, R32, R34 и R36), что позволяет значительно повысить стабильность его работы и дает возможность использовать в схеме транзисторы диффузионного типа, например П402, П403 и др., с разбросом по B от 15—20 до 300. При этом заметного изменения коэффициента усиления усилителя ПЧ не наблюдается.
В усилителе ПЧ используются три полосовых двухконтурных фильтра с переменной емкостной связью. Первый полосовой фильтр включен па входе усилителя ПЧ. Его контур L20С50 включен в цепь коллектора транзистора Т5 смесительного каскада второго преобразователя частоты, а обмотка связи L21 с контуром L22С51 — в цепь базы транзистора T7. Колебательный контур L23С58 второго полосового фильтра включен в цепь коллектора транзистора T8, а обмотка связи L25 с контуром L24 С60— в цепь базы транзистора T9. Третий полосовой фильтр L26 С62 и L27 C65 включен в цепь коллектора Т10 и в цепь базы детектора, собранного на транзисторе Т11.
С целью получения эффективно регулируемой полосы пропускания усилителя ПЧ во всех трех его полосовых фильтрах одновременно производится изменение емкостей связи С53 С61 и С63. Его частотная характеристика при различных значениях емкостей связи показана на рис. 2.

Из рисунка видно, что полоса пропускания усилителя ПЧ на уровне 0,707 (3 дб) от максимального может изменяться от 2,5 кгц до 16 кгц, при абсолютном изменении усиления менее чем в два раза. Недостатком такой регулировки полосы пропускания в изготовленном образце приемника является то, что середина кривой при расширении полосы Пропускания смещается в сторону нижних частот. Этот недостаток может быть устранен изготовлением специальной конструкции конденсатора связи, как показано на рис. 3,а и 3,6.

На рис. 3,а и 3,6 неподвижные пластины 1 и 2 конденсатора присоединены к колебательным контурам полосового фильтра, а подвижные 3 и 4 закрепляются на гетинаксовой пластине и могут перемещаться внутри пластин 1 и 2. Пластина 4 заземляется, а пластина 3 никуда не присоединяется. Если пластина 4 находится между пластинами 1 и 2, как показано на рис, 3, а, а пластина 3 вне их, то параллельно емкостям конденсаторов С резонансных контуров добавляются емкости, образованные пластинами конденсаторов 1—4 и 2—4. В положении, когда пластина 3 находится между пластинами 1 и 2, как показано на рис. 3,6, а пластина 4 вне этих пластин, увеличивается емкость связи между контурами полосового фильтра, а емкость самих контуров уменьшается. Так как в этом положении (рис. 3, 6) емкость связи между контурами состоит из двух последовательно включенных емкостей (между пластинами 1—4 и 4—2), то площадь пластины 4 должна быть в два раза меньше площадей пластин 1, 2 и 3. Уменьшение площади следует производить за счет уменьшения в два раза высоты пластины 4.
Детекторный каскад приемника выполнен на транзисторе Т11 типа П407, который работает в режиме эмиттерного детектирования. В цепь эмиттера этого транзистора включено сопротивление нагрузки R40, конденсатор C65 и фильтр нижних частот, состоящий из сопротивления R41 и конденсатора С67.
В схеме приемника применена усиленная АРУ с задержкой. Усилителем постоянного тока в цепи АРУ является транзистор T6 (П15), коллекторный и эмиттерный выводы которого подключены параллельно сопротивлению R29 в делителе цепи базы транзистора Т7. На базу транзистора Т6 через сопротивление R24 подается отрицательное смещение с нагрузки детектора, а через сопротивление R23— напряжение задержки от элемента типа «Сириус» (Б1).
Когда сигнал на входе приемника отсутствует, то транзистор детектора Т11 заперт, так как его база замкнута малым сопротивлением R39 (100 ом) и включенным последовательно с ним активным сопротивлением катушки L27, и, следовательно, падение напряжения на сопротивлении R40 будет равно нулю. В этом случае транзистор T6 окажется запертым положительным напряжением, подаваемым на его базу через сопротивление R19, и первоначально заданный режим работы транзистора Т7 и чувствительность приемника останутся неизменными.
При появлении сигнала на входе приемника на нагрузке детектора (R40) появится по отношению к шине «земли» отрицательное напряжение. Тогда на базе транзистора T6 будут действовать одновременно два напряжения: положительное от элемента Б1, запирающее транзистор Т6, и отрицательное напряжение из цепи детектора, открывающее транзистор Т6. С того момента, когда отрицательное напряжение на базе транзистора Т6 окажется больше положительного напряжения задержки, этот транзистор начнет открываться и его цепь коллектора будет шунтировать сопротивление R29. Это приведет к уменьшению тока коллектора транзистора T7 и к снижению его коэффициента усиления, а следовательно, и к уменьшению общего коэффициента усиления приемника.
В приемнике применена эффективная система АРУ. Благодаря этому при изменении напряжения на входе от 60 мкв до 6 мв, то есть в 100 раз, напряжение на выходе детектора изменяется не более чем на 22%, а при изменении сигнала в 400 раз — не более чем в два раза. Схема АРУ очень проста в настройке, обеспечивает прием большинства станций на одном уровне громкости и требует подгонки всего лишь одного сопротивления R23 в зависимости от величины коэффициента усиления по току транзистора Т6. Если коэффициент усиления по току этого транзистора будет находиться в пределах от 120 до 150, то сопротивление R23 необходимо уменьшить до 150 — 130 ком, а при коэффициенте усиления 25—30 величину R23 следует увеличить до 240—270 ком.
Усилитель НЧ содержит три каскада усиления. Первые два каскада собраны на транзисторах Т12 и Т13 (П15), а оконечный двухтактный каскад — на транзисторах T14 и Т15 (П203).Транзисторы во всех трех каскадах включены по схеме с общим эмиттером. Предварительные каскады усилителя НЧ работают от стабилизированного напряжения 2,6 в, а оконечный — от нестабилизированного источника питания напряжением 4,5 в или 9 в (в зависимости от способа соединения двух батарей типа КБС-Л-0,5; параллельно или последовательно).
Для создания начального смещения рабочих точек транзисторов Т14 и Т15 используется ток эмиттера транзистора Т13. Благодаря этому исключаются потери тока в цепи смещения рабочих точек транзисторов Т14 и Т15, а их начальные токи становятся практически независимыми от напряжения батареи Б2.
Весь усилитель НЧ охвачен общей отрицательной обратной связью по переменному току глубиной не менее 10 дб. Напряжение обратной связи снимается с обмотки III трансформатора Тр2 и подается через сопротивление R46 в цепь эмиттера транзистора Т12. Примененная обратная связь снижает выходное сопротивление усилителя и увеличивает его входное сопротивление.
Стабилизатор, обеспечивающий независящее от величины напряжения батареи Б2 стабилизированное напряжение 2,6 в для питания каскадов ВЧ и предварительных каскадов усилителя НЧ, собран на транзисторе T16 типа П15 и четырех последовательно включенных опорных диодах Д1_4 типа Д808. Для получения опорного напряжения у этих диодов используется прямая характеристика, позволяющая получать стабилизированное напряжение 0,65 в от каждого. Транзистор T16 в схеме стабилизатора выполняет роль регулировочного сопротивления в цепи питания каскадов приемника. Примененная схема стабилизатора практически не потребляет тока от источника питания и поэтому весьма удобна для стабилизации напряжения в приемных устройствах с питанием от батарей.
Для приема телеграфных сигналов в приемнике предусмотрен третий гетеродин, собранный на транзисторе типа П15. Он включен по схеме с общим эмиттером и работает при токе коллектора 0,4—0,5 ма и напряжении между коллектором и эмиттером—1,5—1,8 в. Частота генерируемых колебаний устанавливается равной 465 кгц изменением положения сердечника катушки L8. Сигнал гетеродина подается с обмотки положительной обратной связи L7 в цепь базы транзистора Т11.
Величина напряжения в цепи детектора от третьего гетеродина устанавливается равной не более 0,1 — 0,25 в изменением величины конденсатора С28 для того, чтобы это напряжение (после детектирования) не приводило в действие АРУ приемника и не снижало его чувствительность при приеме слабых сигналов.
Намоточные данные контурных катушек и трансформаторов приведены в табл. 1.

Радио №6/1965, ст. 40
Детали и конструкция. В приемнике использованы, в основном, готовые детали: сопротивления типа УЛМ или МЛТ- 0,125; конденсаторы типов ПМ (в контурах усилителя ПЧ и третьего гетеродина); КСО-1 (в контурах первого и второго преобразователя частоты); ЭМ, ЭГЦ, БМ-2 и МБМ. Конденсаторы С2 и С16 лучше брать типа ЭТО. Переменное сопротивление с двойным выключателем и блок конденсаторов переменной емкости с твердым диэлектриком — фирмы «Тесла»; малогабаритные подстроечные конденсаторы — типа КПКМ и переключатели диапазонов — типов ЗП6НПМ и 5П2НПМ.
У катушек индуктивностей L2, L9—L11 к общей плюсовой шине припаивается тот конец, от которого до отвода меньшее число витков. В таблице 1 (см. выше) число витков у катушек индуктивностей L14, L15 и L18, L19 должно быть: катушка L14 имеет 92 витка (ПЭВ 0,17, 0,18 мгн)-, L15 — 25 витков (ПЭВ о,1); L18— 195 витков (ПЭВ 0,12); L19— 28 витков (ПЭВ 0,1).
Намотка трансформаторов производится рядами (за исключением обмотки I трансформатора Тр1) и каждый ряд пропитывается полистироловым клеем. Порядок намотки трансформаторов показан на рис. 1. Концы полуобмоток с индексами 11, 22 и 33 соединяют между собой как показано на рис. 1. У трансформатора Тр1 конец обмотки II соединяют с началом обмотки III, а у трансформатора Тр2 конец обмотки I — с началом обмотки II.


На рис. 2 показана конструкция конденсаторов связи С53, С61 и Сб3. Они изготовлены из конденсаторов 1 типа КТК 180—240 пф и медной фольги 2 толщиной 0,05—0,1 мм. У этих конденсаторов ножом соскабливают краску, отпаивают проводник, соединенный с внешним электродом, и наждачной бумагой полностью счищают внешний электрод. Очищенный конденсатор оборачивают медной фольгой 2 и обматывают медным проводником, регулируя его натяжение таким образом, чтобы керамическая основа конденсатора могла свободно перемещаться внутри цилиндра из фольги, После этого фольгу и проводник пропаивают. Цилиндры из фольги прикрепляют к монтажной плате усилителя ПЧ, а керамику — к пластине 4 из гетинакса (как показано на рис. 2), которая позволяет одновременно изменять емкость всех трех конденсаторов связи при помощи рычага, вставляемого в отверстие 5.
Экраны для катушек L11; L20; L21, L22, L23, L24, L25, L26, L27 изготовлены из алюминия толщиной 1мм. Диаметр экранов (внешний) 18 мм, высота 20 мм.
Общий вид приемника со стороны задней стенки показан на рис. 3; монтажные платы входных цепей первого преобразователя частоты и второго и третьего гетеродинов — на рис. 4; второго смесителя, усилителя ПЧ, детектора и АРУ — на рис. 5, и усилителя НЧ и стабилизатора напряжения — на рис. 6. Плата усилителя ПЧ вместе с транзистором смесительного каскада размещена в экране размерами 155X46X20 мм, изготовленном из белой жести толщиной 0,5 мм.
Налаживание приемника начинают с проверки работы стабилизатора напряжения. Для этого включают источник питания Б2 (две свежие параллельно включенные батареи типа КБС-Л-0,5), а минусовые цепи всех узлов приемника разъединяют. Измеряют ток, потребляемый стабилизатором напряжения. Величина этого тока должна быть порядка 1,2—1,5 ма. После этого измеряют напряжение на выходе стабилизатора (на конденсаторе С71). Оно должно быть в пределах 2,4—2,8 в. Подключают параллельно конденсатору С71 сопротивление величиной 240— 270 ом. При этом падение напряжения на нем должно уменьшаться не более чем на 0,1—0,2 в, а затем это сопротивление отключают. Такую же проверку работы стабилизатора производят при последовательном включении батарей КБС-Л-0,5. В этом случае ток стабилизатора возрастет до 4—5 ма, а напряжение стабилизации, измеренное на конденсаторе С71 — на 0,1—0,2 в. Для проверки работы усилителя НЧ батареи КБС-Л-0,5 соединяют параллельно, включают минусовые цепи питания всех каскадов усилителя НЧ, отключают его вход от усилителя ПЧ, устанавливая ключ K1 в положение 3 в, разрывают цепь отрицательной обратной связи, отпаивая один конец сопротивления R46, а к обмотке III трансформатора Тр2 подключают громкоговоритель или сопротивление величиной 8 ом. Проверяют режимы работы транзисторов T12—Т15 по постоянному току. Токи и напряжения должны соответствовать данным, приведенным в таблице. Если токи в цепях коллекторов транзисторов T14, T15 больше или меньше указанных, то сопротивление R50 следует соответственно уменьшить или увеличить. Токи в цепях коллекторов транзисторов T12 и T18 устанавливаются подбором сопротивления R44 в пределах от 80 до 150 ком. Так как транзисторы T12 и T13 охвачены общей отрицательной обратной связью по постоянному току, то при увеличении сопротивления R44 ток коллектора транзистора T12 будет уменьшаться, а ток коллектора транзистора Т13 возрастать и наоборот. О величине токов коллекторов транзисторов Т12 и T13 можно также судить по падению напряжения в цепях эмиттеров.
Затем проверяют работу выходного каскада на переменном токе. Для этого обмотку I трансформатора Тр1 отключают от коллектора транзистора T13 и минусового провода источника питания и через сопротивление 5—10 ком подают на нее напряжение частотой 1 кгц от звукового генератора. Коллектор транзистора T13 присоединяют к минусовой шине источника питания. Параллельно обмотке I трансформатора Тр1 подключают ламповый вольтметр, а параллельно обмотке III трансформатора Тр2 и нагрузке — осциллограф. Напряжение от генератора доводят до 0,5—0,7 в. При этом, если транзисторы T14 и T15 исправны и имеют близкие параметры, а обмотки трансформаторов соединены правильно и в них нет короткозамкнутых витков, на экране осциллографа будет наблюдаться кривая синусоидального напряжения. На пороге ограничения напряжение на выходе должно быть 1,3 В, что соответствует мощности на входе 0,2 вт. При этом коллекторный ток каждого из транзисторов Т14 и Т15 должен быть 30-—35 ма. Если батареи КБС-Л-0,5 включить последовательно, то выходная мощность возрастет до 0,8 вт, а токи коллекторов транзисторов Т14 и Т15 до 120—140 ма.
Далее проверяют частотную характеристику выходного каскада, устанавливая напряжение от генератора 0,2—0,3 в. Завал характеристики на частоте 150 гц не должен превышать 3 дб.
После проверки выходного каскада коллектор транзистора Т13 и минусовый провод припаивают к обмотке 1 трансформатора Tp1 а звуковой генератор присоединяют к гнездам звукоснимателя. Регулятор усиления (сопротивление R43) устанавливают в положение максимальной громкости. Доводят напряжение генератора до получения на выходе максимальной неискаженной мощности, при этом напряжение на выходе усилителя не должно превышать 10—12 мв. После этого настройку усилителя НЧ следует повторить. Затем восстанавливают цепь отрицательной обратной связи и убеждаются в том, что усиление усилителя уменьшилось в три-четыре раза, а нелинейные искажения на выходе заметно уменьшились. Если при восстановлении цепи отрицательной обратной связи усиление усилителя НЧ возрастает или возникает самовозбуждение, то надо поменять местами выводы обмотки III трансформатора Тр2 или обмотки I трансформатора Тр1.
Настройку усилителя промежуточной частоты начинают также с проверки режимов работы транзисторов на постоянном токе. Для этого включают элемент Б1 типа 1,3-ФМЦ-0,25 («Сириус»), используемый в качестве источника напряжения задержки усиленной АРУ, и присоединяют минусовой провод питания усилителя ПЧ от стабилизатора напряжения. Вход усилителя ПЧ (конденсатор С48) отключают от катушки L12 и замыкают его на шину «земля». Разрывают цепь АРУ, отсоединяя сопротивление R24 от нагрузки детектора (сопротивлений R40 и R41), и присоединяют это сопротивление к шине «земля». При необходимости токи коллекторов транзисторов Т5, Т7 и Т8 устанавливают изменением сопротивлений R2о R25 и R31 соответственно, а токи транзисторов Т9 и T10 — изменением величин сопротивлений R37 и R38 таким образом, чтобы их сумма осталась неизменной. После установления режимов работы транзисторов приступают к настройке контуров ПЧ. Для этого конденсатор С48 отсоединяют от шины «земля» и подают на него (на вход усилителя УПЧ) от сигнал-генератора напряжение порядка 100 мкв, частотой 465 кгц. Емкость каждого из конденсаторов связи С33, С61 и С63 устанавливают равной 12 пф ±10% и проверяют ламповым вольтметром типа В-3-3 (или любым другим с выходной емкостью не более 10—12 пф) напряжение между коллектором транзистора T10 и шиной «земля». Изменяют напряжение от сигнал-генератора таким образом, чтобы ламповый вольтметр показал напряжение порядка 0,3 в. При этом напряжение от сигнал-генератора не должно превышать единиц милливольт.
Сначала настраивают контуры L26 С62 и L27 С63 по наибольшему показанию лампового вольтметра и одновременно изменяют напряжение от сигнал-генератора так, чтобы напряжение на коллекторе транзистора T10 не превышало 0,5—0,7 в. При необходимости подбирают величины емкости конденсаторов Сб2 и Сб5 чтобы можно было получить резонанс в непосредственной близости от частоты 465 кгц при среднем положении подстроечного сердечника СБ-1а. Аналогичным образом производят настройку контуров L23 С58, L24C60, L20C50, и L22 C51. У настроенного усилителя ПЧ ламповым вольтметром измеряют напряжение на коллекторах транзисторов T10, T8 и Т5 следующим образом: регулируют напряжение от сигнал-генератора так, чтобы на коллекторе транзистора Т10 было 0,5 в, тогда на коллекторе транзистора Т8 должно быть напряжение 13—18 мв, на коллекторе транзистора Т5—0,8— 1,2 мв, а на входе усилителя ПЧ — 18—23 мкв. После этого к выходу усилителя ПЧ при помощи ключа K1 подключают усилитель НЧ, а ламповый вольтметр включают параллельно его нагрузке и, подавая от сигнал-генератора модулированное напряжение 20 мкв с частотой 465 кгц и глубиной модуляции 30%, подстраивают весь усилитель ПЧ по максимуму сигнала на выходе приемника.
Настроив усилитель ПЧ, подсоединяют сопротивление R24 к нагрузке детектора (сопротивлениям R40 и R41) и проверяют действие АРУ. Зависимость напряжения на выходе усилителя ПЧ при изменении напряжения на его входе показана на рис. 7. Как видно из рисунка, оптимальная регулировочная характеристика получается при величинах сопротивлений R23 = 200 ком, а R24 = 43 ком. Из этого рисунка также видно, что изменение величины сопротивления R23 приводит к изменению порога срабатывания системы ” АРУ, а изменение величины сопротивления R24 изменяет лишь наклон самой характеристики АРУ. Так как сопротивление R24 определяет величину постоянного тока, подаваемого на вход транзистора T6 из цепи детектора, то характеристика АРУ будет более пологой при меньших значениях сопротивления R24 или при больших В транзистора T6. Поэтому сопротивление следует подбирать в зависимости от величины В транзистора Т6, используемого в качестве усилителя постоянного тока в цепи АРУ.
Проверку работы третьего гетеродина начинают также с измерения режима работы транзистора Т3. Включают минусовой провод от стабилизатора напряжения ключом Кз (на схеме рис. 1, «Радио», № 2, 1965, стр. 25, он не показан) и при необходимости устанавливают режим работы транзистора изменением величины сопротивления R11. Ламповый вольтметр подключают к коллектору транзистора Т3 и шине «земля» и, меняя концы обмотки связи L7, добиваются самовозбуждения. Если гетеродин не возбуждается, емкость конденсатора С28 увеличивают и снова меняют концы у катушки L7. Ламповый вольтметр и осциллограф подключают параллельно сопротивлению R39 и, уменьшая емкость конденсатора С28, добиваются хорошей синусоидальной формы колебаний гетеродина и убеждаются в том, что величина напряжения на сопротивлении R39 не превышает 0,1—0,25 в.
Контур L8, С29 настраивают на частоту, близкую к 465 кгц (464 или 466 кгц). Питание третьего гетеродина отключают ключом Кз (он включен в минусовую цепь питания гетеродина).
Затем приступают к настройке второго преобразователя частоты. Отключают конденсатор С4б от базы транзистора T4 для того, чтобы сорвать колебания гетеродина и проверяют режим работы транзистора Т4 по постоянному току. При необходимости ток коллектора устанавливают изменением величины сопротивлений R16 или R17. После этого восстанавливают цепь положительной обратной связи через конденсатор С48 и приступают к проверке работы гетеродина. Подключают конденсатор С48 к катушке L12» устанавливают переключатель диапазонов П2 в положение 1 (длинные волны), а блок конденсаторов переменной емкости С34, С38 — на максимальную емкость, заменяют (временно) сопротивление R14=560 ом сопротивлением в 300 ом и подключают ламповый вольтметр и осциллограф к катушке L16, предварительно замкнув конец катушки L16, подключенный к отводу катушки L1o, на шину «земля». Если гетеродин возбудился, то ламповый вольтметр покажет напряжение порядка 80—130 мв. Если самовозбуждение отсутствует, то надо поменять местами выводы катушки L17. После этого подбирают сопротивление R14 таким, чтобы его величина была несколько меньше того значения, при котором начинается генерация. В этом случае форма колебаний гетеродина будет наиболее близкой к синусоидальной, а ламповый вольтметр покажет напряжение 50—80 мв. Далее, изменяя емкость конденсаторов настройки, проверяют работу гетеродина во всем диапазоне частот. Если на верхних частотах диапазона гетеродин перестает работать, то следует уменьшить величину конденсатора C45
Наладив работу гетеродина, надо снова установить конденсаторы настройки С34 и С38 на максимальную емкость, а ротор подстроечного конденсатора С44 — в среднее положение; отключить конец катушки L16 от шины «земля» и присоединить его к сигнал-генератору (второй конец от сигнал-генератора подключить к шине «земля» приемника). Ламповый вольтметр и осциллограф включают на выход усилителя НЧ. От сигнал-генератора на вход приемника подают модулированное напряжение порядка 20—30 мкв частотой 150 кгц и глубиной модуляции 30%. Подстройкой сердечника катушки L18 добиваются наибольшего напряжения на выходе приемника.
После этого устанавливают конденсаторы С34, С38 на минимальную емкость (верхний предел длинноволнового диапазона), подают от сигнал-генератора напряжение частотой 415 кгц и также добиваются максимального напряжения на выходе, изменяя емкость подстроечного конденсатора С44. Процесс установки частот гетеродина необходимо повторить.
Таким же способом производят проверку и настройку средневолнового контура гетеродина, подбирая при этом сопротивление R13 и настраивая колебательный контур L14 C40 и С41 на частотах 520 кгц и 1,6 Мгц (крайние частоты средневолнового диапазона). Нижний по схеме конец катушки L13 (см. схему приемника на стр. 25 журнала «Радио» № 2, 1965 г.) должен быть соединен не с минусом, как показано на схеме, а с плюсом источника питания (шиной «земля»).
Затем приступают к настройке входных контуров длинноволнового (L10, С32, С33, С34) и средневолнового (L9 Сз1, C34) диапазонов. Конец катушки L16 присоединяют к отводу катушки L10, а к сигнал-генератору подключают рамочную антенну, изготовленную из одного витка медного провода диаметром 1 —1,5 мм Сигнал-генератор настраивают на низшую частоту точного сопряжения 167 кгц и добиваются приема сигнала вращением конденсаторов переменной емкости С34, С38. Регулируя уровень от сигнал-генератора таким образом, чтобы прием осуществлялся на том участке амплитудной характеристики, где автоматическая регулировка усиления еще не действует, настраивают входной контур приемника по максимуму сигнала на выходе перемещением катушки L10 вдоль ферритового стержня. Далее перестраивают сигнал-генератор на высшую частоту точного сопряжения 402 кгц, настраивают на эту частоту приемник и, вращая ротор конденсатора С33, добиваются максимума сигнала на выходе. При необходимости изменяют емкость конденсатора С32. Затем процесс настройки входного контура повторяют.
После этого, установив генератор на среднюю частоту точного сопряжения 285 кгц, настраивают на эту частоту приемник и, поднося кусочек феррита к торцу стержня антенны или надевая на стержень коротко- замкнутый виток из медной проволоки диаметром 0,5—1 мм, добиваются максимального сигнала на выходе. Если в обоих случаях принимаемый сигнал будет уменьшаться, то сопряжение выполнено правильно. Если же при поднесении куска феррита к стержню антенны амплитуда принимаемого сигнала возрастает, то надо увеличить емкость конденсатора сопряжения С43, присоединив параллельно ему конденсатор емкостью 15—40 пф, установить снова крайние частоты гетеродина и повторить настройку входного контура по точным частотам сопряжения. Процесс настройки производят до тех пор, пока контур антенны не окажется настроенным на среднюю частоту точного сопряжения.
Аналогичным образом производят настройку и сопряжение входного контура в диапазоне средних волн по частотам точного сопряжения 592, 1528 и 1060 кгц. После этого переключатель П2 устанавливают в положение 3 (короткие волны), отключают конденсатор С3 от катушки L5 и присоединяют его к выходу сигнал-генератора, отключив предварительно рамочную антенну. Конденсаторы С34 и С38 устанавливают в положение максимальной емкости и, изменяя частоту сигнал-генератора (с напряжением на выходе порядка 3—10 мкв), убеждаются в том, что принимаемый сигнал близок по частоте к 1100 кгц. При необходимости подбирают величину емкости конденсатора С39. Затем вращают сердечник катушки L11 и добиваются наибольшего напряжения на выходе приемника. Далее генератор перестраивают на частоту 1500 кгц, настраивают на эту частоту приемник изменением емкости конденсаторов С34, С38 и добиваются наибольшего напряжения на его выходе путем изменения емкости подстроечного конденсатора С36.
Процесс настройки контура L11 С36, С37 и С34 повторяют еще один- два раза. Конденсаторы С37, С39 надо по возможности брать одинаковыми для того, чтобы получить хорошее сопряжение во всем диапазоне коротких волн.
В заключение настраивают контуры гетеродина первого преобразователя частоты и магнитную антенну МА1. Переключатель П1 устанавливают в положение 5, а конденсатор С3 отключают от сигнал-генератора и припаивают снова к катушке L5 в соответствии со схемой, приведенной на рис. 1 (см. журнал «Радио», № 2, 1965, стр. 25). Добиваются работы первого гетеродина, используя приведенную выше методику настройки второго и третьего гетеродинов приемника. К выходу сигнал-генератора подключают рамочную антенну, устанавливают конденсаторы С34, С38 в положение максимальной емкости и, вращая сердечник катушки L4, настраиваются на частоту 3,5 Мгц. Положение сердечника закрепляют воском или парафином и настраивают магнитную антенну по максимуму сигнала на выходе, изменяя емкость подстроечного конденсатора С13 и при необходимости подбирая величину конденсатора С12. После этого переключатель П1 устанавливают в положение 4, подают от генератора сигнал с частотой 7 Мгц и настраивают приемник на эту частоту с помощью подстроечного конденсатора С25. Сердечник катушки L4 вращать нельзя.
Настройка контуров гетеродина и магнитной антенны остальных диапазонов производится в аналогичной последовательности.
Радио №12/1965, ст.33







