СЕЛЕКТОРНАЯ СВЯЗЬ С ЭКОНОМИЧНОЙ СХЕМОЙ ПИТАНИЯ
И. Потехин, Радио №8/1965, ст. 50
Включение и выключение усилительной аппаратуры громкоговорящей связи обычно осуществляется с помощью сложных схем, содержащих большое количество реле и переключателей.
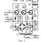
Автором разработана простая схема (рис. 1), в которой управление цепями питания усилителей низкой частоты, не требующих предварительного прогрева каскадов (на транзисторах, батарейных лампах или с постоянно включенным накалом на лампах с подогревным катодом), осуществляется только через цепи угольных микрофонов. В этой схеме питание усилителя, а следовательно, и его работа на прием или передачу, производится только в момент включения микрофона любого из абонентов или оператора центрального пульта селекторной связи. В состав схемы входит усилитель низкой частоты, работающий поочередно на прием или передачу (выполнен на транзисторах), источники питания усилителя и цепей микрофонов и элементы коммутации: пружинный ключ телефонного типа на три положения, реле РП-5 или РП-4 и сигнальная лампочка. Ключ отрегулирован так, что после разговора оператора с абонентом № 1 или № 2 он автоматически возвращается в среднее (исходное) положение «Деж. прием».

В исходном положении («Дежурный прием»), когда абонентские микрофоны не включены, никакого расхода питания в цепях усилителя и микрофонов нет.
При нажатии кнопки включения цепи микрофона любым из абонентов по цепи его микрофона через обмотку реле пойдет ток. Реле сработает, замкнет цепь питания усилителя и включит сигнальную лампочку Л1 Усиленная речь с выхода усилителя поступает на громкоговоритель оператора центрального пульта. При ответе или вызове любого из абонентов оператор ставит ключ в положение, соответствующее номеру нужного ему абонента. При этом контактами ключа П1а выход усилителя включается в цепь громкоговорителя абонента. Контакты замыкают цепь микрофона оператора, реле сработает и замкнет цепь питания усилителя, загорится сигнальная лампочка Л1. Усилитель включен на передачу. По окончании переговоров оператор отпускает ключ, который возвращается в исходное положение «Деж. прием».
Каждый абонентский комплект состоит из громкоговорителя и угольного микрофона с кнопкой включения, конструктивно размещенных вместе с громкоговорителем или раздельно. Капсюль микрофона может быть как низкоомный, так и высокоомный.
Параллельно управляющей обмотке реле Р1 включен шунтирующий конденсатор С. Предлагаемый принцип управления цепями питания через цепь микрофона может быть применен также в схемах передатчиков, модуляторов и другой аппаратуры связи





